

标题:园区厂房能源监测管理系统
产品概述
| 品牌 | Acrel/开云官方端网站登录入口 | 产地 | 国产 |
|---|---|---|---|
| 加工定制 | 否 |
Acrel-5000企业能耗监测系统大型商场的应用
摘要:随着社会生活水平的提高,经济的繁荣发展,人们对能源的需求逐渐增长,由此带来的能源危机日益严重。商场如何实时的了解、分析和控制商场的能源消耗已成为需要解决的迫在眉睫的难题。传统的能源消耗智能以月/季度/年为周期进行,然而商场是每日、每时都在进行,能源消耗也是每日、每时的发生。本文介绍苏州狮山广场项目,采用开云官方端网站登录入口智能电力仪表采集配电现场的各种电参量,系统采用现场就地组网的方式,组网后通过Acrel-5000型能耗监测系统实现各配电回路用电监测、管理。
关键词:商场;企业能耗监测系统;ACREL-5000
1 Acrel-5000企业能耗监测系统应用引言
随着节能工作的深入,能源利用状况的科学化管理手段日趋多样。能耗管理系统可实时监控商场各种能源的详细使用情况,为公共建筑查找能耗弱点,实现商场管理水平的提高及运营成本的降低,为节能降耗提供直观科学的依据。作为一种管理工具和新兴的管理手段,能耗管理系统在大型公共建筑,医院等领域已有应用。苏州狮山广场Acrel-5000能耗管理系统,通过对能源的采集并管理降低能耗提升利润。
2 设计依据
GBT23331-2009 《能源管理体系要求》
GB-50052-2009 《供配电系统设计规范》
u 能耗计量装置国家及行业标准
DL/T 645-1997 多功能电能表通信规约
DL/T 645-2007 多功能电能表通信规约
CJ/T 188-2004 户用计量仪表数据传输技术条件
3 项目概况
苏州狮山广场主要监视的楼层多功能仪表,共计206只开云官方端网站登录入口自主生产的PZ系列仪表,分22条总线接入系统。
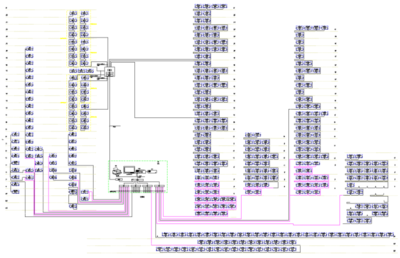
4 系统架构
开云官方端网站登录入口Acrel-5000能耗分析管理系统根据公建现场实际情况,整体网络结构采用屏蔽双绞线直接接至后台能耗网关然后通过TCP/IP网络将数据上传至的监控主机。具体如下图所示:

该系统主要采用分层分布式计算机网络结构,如系统结构图所示:站控管理层、网络通讯层和现场设备层。其中整个大楼仪表分布在楼层,所有仪表通过485屏蔽双绞线铺设至监控中心,经能耗网关至系统主机从而完成仪表数据的采集并管理。
5 系统软件模块
◆ 综合能耗主界面

主页面显示该建筑的建筑图片,建筑基本信息,建筑当月分项用电饼图和各种能源的消耗量。根据所选的建筑,对其建筑图片进行加载,可以选择时间查看建筑能耗情况,选择建筑或时间后自动刷新,默认为当天。
◆ 支路用能

系统可以统计各支路某段时间内逐日、逐周、逐月、逐季、逐年用能。系统可查看各支路用能趋势,可根据已有的日期或者自定义时间进行查询,并可以将支路用能显示合计,以图表形式显示。
◆ 分项能耗统计

系统可以按照分项进行能耗统计与显示。其中,日分项用能同比分析图显示不同分项的当日与昨日能耗柱状图(蓝色柱表示今日,绿色柱表示昨日);用能饼图显示各分项过去31天的用能占比;堆积图显示各分项过去31天的能耗趋势;分项用能排名图显示被选中分项对应能耗值前位的支路。
◆ 分项用能报表

系统可以统计各分项某段时间内逐日、逐周、逐月、逐季、逐年用能。可查看分项中各支路用能趋势,可根据已有的日期或者自定义时间进行查询,统计数据可导出至Excel。
◆ 能耗的同比环比分析

系统可将各主要耗能设备的能耗与去年同期值和上月值进行同比环比分析,检验节能效果,根据分析结果执行节能绩效考核,以及节能目标的修正。统计各支路当年每月用能及去年同期用能;
◆ 用能数据检查
系统可以统计某段时间内各回路与下级支路的用能差值,超过一定百分比后醒目显示(红色区域),确保计量体系的完整性、准确性。
◆ 配置选项
依照相关技术规范配置建筑物的基本信息,例如:建筑功能、建筑面积、空调面积、建筑地址等,其中建筑面积等信息将用能单位面积能耗分析;
配置项目中使用的仪表的类型、型号、生产厂家等基本信息,并添加该型仪表所能提供的监测参数信息,此处配置情况影响能耗统计、分时段用能统计、参数查询功能;
配置项目中使用到的所有计量仪表,保存计量仪表的地址、变比、对应的采集器、代码、监测回路的名称等信息;
配置分项能耗统计时涉及到的计量表计、所占比例、运算方式等信息,可根据项目情况灵活配置,此处配置信息将影响各分类能耗分项用能分析小模块中的功能;
配置各部门用能对应的计量仪表、运算方式、所占比例以及部门用能计划,完成此项配置后将启用部门能耗分析功能模块;
配置建筑物中某用能区域对应的计量仪表、运算方式、所占比例,完成此项配置后将启用区域能耗分析功能模块
6 前景展望
根据商场楼宇能耗运行效果分析,建立典型能耗分析模型,统一分析。
◆ 建立建筑能耗计量体系:针对公建的用电结构,监控至配电室层级,能正确无误的统计进出线回路,要满足电能守恒原理即进线电能为出线电能总和(误差率在3%左右)。
◆ 对采集数据存储,并形成可视化图表:系统采集数据后存储到数据库,系统可满足报表查询及导出,并且系统可由柱状图等形式展现能耗趋势,给客户更好的体验。
◆ 诊断出高能耗点:管理人员可通过系统采集数据,正对性的对各个回路同比及环比分析,通过一阶段分析可找出高能耗点。
◆ 通过能耗分析改进管理运营模式:针对高能耗点,正对性的改进管理运行如:在下班期间通知各个小组关灯、关机器,同时列入绩效考核;在工作期间对用电负荷较大回路可错峰,减少同时间负荷过大;通过能耗数据可减低公司运营成本提升利润。
7 结束语
苏州狮山广场能耗系统是在能源问题日益紧张,能源价格不断上涨的背景下,针对商场能耗问题而设计。在建设能耗管理系统后,不但能减轻工作人员的工作负担,提供工作效率,而且直观的统计分析结果能帮助大楼管理者根据能耗情况,做出正确的分析,对今后的发展做出正确的决策,对带动节能工作,实现节能减排目标具有重要意义。
参考文献:
[1].住房和城乡建设部技术要求
[2].《苏州市民用建筑节能管理办法》
上一篇:能源监测管理系统