产品分类

PRODUCT CATEGORY

技术文章/ TECHNICAL ARTICLES

我的位置:首页  >  技术文章  >  浅谈电力仪表在工厂车间设备电能管理系统的设计

浅谈电力仪表在工厂车间设备电能管理系统的设计

更新时间:2023-03-03      浏览次数:571
胡冠楠
开云网页版登录入口电气股份有限公司  上海嘉定 
 
摘 要:基于车间用电设备的电能管理系统架构思路及实施方法,从硬件和软件方面对此方法进行了阐述。对车间旧设备改造以及新的电能管理系统提供一种思路和便捷的方法。 
关键词:电能管理系统;多功能电力仪表;PLC;组态软件
 
0 引言
      目前,大多数车间的用电数据都是通过车间配电室成套开关柜上的电力仪表进行计量,往往一台开关柜所带的用电设备很多,而电力仪表所计量的是多台设备的总电能数据,计量并分析单台设备的用电数据成为难题。本文提供了一种思路和方法,用于对车间的用电设备进行低成本改造,仅需在设备端增加电流互感器和多功能电力仪表,与中控室的上位机组态软件组成电能管理系统,用于对车间用电设备的用电检测及耗电数据的记录与分析,以便及时发现耗电多的设备和异常状态的设备,为全厂的节电和管理者的决策管理提供数据支撑。本文介绍两种方法组建车间设备电能管理系统。方法一:通过在设备端增加电力仪表及互感器,通过多功能电力仪表自带的通讯口,一般为RS232或RS485接口,进行组网通讯,实现电力数据的采集,通过上位机软件实现电力数据的显示和存储。方法二:针对由PLC或其他可编程控制器控制的设备,利用控制器自带的通讯接口与多功能电力仪表组网通讯,将电力仪表的数据读入控制器,由控制器将电力数据发送至上位机, 在上位机上进行显示和存储。方法二的特点:一是便于直接在控制器内进行电力数据的换算计算;二是如果本地和远程都有上位机,则可以实现本地与远程数据的显示和存储。
 
1 方法一
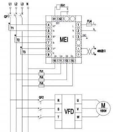
      图1所示为方法一对应的系统框图。对每台设备增加电流互感器和多功能电力仪表,通过多功能电力仪表采集设备的电流电压,多台多功能电力仪表通过RS485总线连接,接至串口服务器(串口转以太网服务器),将串口服务器通过以太网接至多网口交换机,再连接工控机。图2为单台多功能电力仪表电气原理图,负载为一台变频器驱动的电机。三相电经空开接至变频器输入端,T1、T2、T3为电流互感器 ,接至该电力仪表的电流检测输入端。通过从三相母线上取电结点,再经熔断器接至该电力仪表电压检测输入端。电力仪表的报警输出立而口接中间继电器KA1线圈,利用中间继电器KA1的常开或常闭触点实现过电压过电流等实时报警功能。该电力仪表的RS458接口通过通讯线缆与其他多功能电力仪表的RS485接口连通,共同组成RS485总线网络,通过MODBUS RTU协议实现数据的远程通讯功能。
图1 方法一系统框图
      完成硬件布置后,需对软件进行设置。软件设置包括对串口服务器进行设置,设置好串口服务器的虚拟串口号、IP地址、通讯方式等;在组态软件中建立与电力仪表对应的多台通讯设备,并设置通讯方式、校验方式、地址、波特率等,再建立相应寄存器变量,从而获取电力仪表中的数据。在组态软件界面中可对获取到的数据进行显示并绘制成曲线、棒状图或饼状图等。电力仪表电气原理图见图2。
图2 电力仪表电气原理图
 
2 方法二 
      对于PLC控制的设备,利用PLC的通讯端口,与多台多功能电力仪表建立通讯,通过PLC读取电力仪表的电压电流等数据,同时PLC分别与现场触摸屏和中控室的工控机建立通讯,可将电流电压等数据进行本地触摸屏的显示和存储以及远程工控机上的显示和存储。图3为方法二对应的系统框图。利用PLC的RS485接口与多台电力仪表组网 通讯,PLC的另一个RS485通讯口与现场触摸屏连通,通过PLC的以太网口和中控室工控机通讯。利用PLC的两个RS485口通讯,须注意其主从关系:PLC相对于多功能电力仪表,PLC为主站,电力仪表为从站;PLC相对于触摸屏, PLC为从站, 触摸屏为主站。
图3 方法二系统框图
 
3 通过Smart 200 PLC读取电力仪表数据
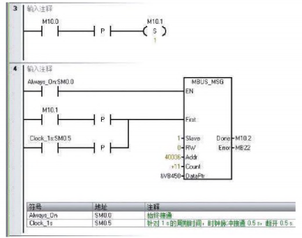
      采用SMART 200 PLC编写梯形图子程序[2],对两台多功能电力仪表通过MODBUS RTU通讯协议实现电力数据的读取,PLC作为MODBUS RTU的主站,两台电力仪表作为从站。图4为程序段一,第一个扫描周期先对各状态位复位,然后调用MBUS_CTRL指令完成初始化,设置好通讯模式、波特率、校验方式、端□号、超时时间等。
图4 程序段一
      图5程序段二首先对第一台电力仪表调用MBUS_MSG指令启动对从站的请求并处理响应。设置好从站的地址、读写模式、需要读取的寄存器起始地址、需要读取的寄存器数量以及PLC内部存储数据的V寄存器地址指针。每隔0.5s对两台电力仪表进行一次数据读取。
图5 程序段二
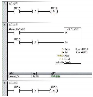
      图6 程序段三在对第一台电力仪表数据完成读取后 ,再对第二台电力仪表进行数据读取。同样调用MBUS_MSG指令完成读取。当子程序编与完成后,在PLC的主程序中调用该子程序即可。
图6 程序段三
      以上选用了较为常用的SMART 200 PLC作为主控制器,通过梯形图编程实现与两台多功能电力仪表的通讯。不同品牌的PLC实现与电力仪表通讯所调用的指令不同,但原理相似,可参考本例实现其他品牌PLC对电力仪表的数据读取。
 
4 功率和电度的计算
      电力仪表内部会对功率和电度数进行计算,可直接在电力仪表上查看功率和电量, 或将该数据通讯至上位机查看。对于有些感性负载,电力仪表内部算法依照的功率因数往往与负载不匹配,其计算出的功率和电量也与实际有较大误差。针对此缺点,可以在上位机上根据电压电流等数据通过软件编程 ,计算出实时功率(有功功率)和累计电度数(有功电量),与电力仪表的内部数据进行对比。触摸屏和组态软件一般都有循环执行策略(脚本),可根据公式(1)和公式(2), 利用上位机定时循环执行脚本程序,对功率和电量进行计算。
例如通过力控组态软件对三相电炉的功率和电量进行计算,根据负载的类型、接线方法,选择合适的功率因数,编写如下程序:
//有功功率计算(单位kW)
区域1单元1\PowerZ1.PV=区域1单元1\Z1_UaH.PV*区域1\单元1\Z1_laH.PV/1000+区域1\单元1\Z1_UbH.PV* 区域1单元1\Z1_lbH.PV/1000+区域1\单元1\Z1_UcH.PV*区域1单元1\Z1cH.PV/1000;
区域1单元1\PowerZ2.PV=区域1单元1\Z2_UaH.PV*区域1\单元1\Z2_laH.PV/1000+区域1\单元1\Z2_UbH.PV* 区域1单元 1\Z2_lbH.PV/1000+区域1\单元1\Z2_UcH.PV*区域1单元1\Z2_lcH.PV/1000;
//有功电量(单位KWh)
区域1\单元1\EnergyZ1.PV=区域1\单元1\Ener-gyZ1.PV+区域1\单元1\PowerZ1.PV/3600;
区域1\单元1\EnergyZ2.PV=区域1\单元1\Ener-gyZ2.PV+区域1\单元1\PowerZ2.PV/3600;
循环策略设置为:每循环2s,进行一次实时功率计算;每循环3s,将计算出的实时功率除以 
3600并进行累加得到电度数。因大多负载不是恒功率运行,如果需提高计算精度,可减小循环时间,即提高采样次数。
 
5上位机软件
      在上位机可通过表格、曲线、棒状图、饼状图等形式对数据进行记录和显示。图7为利用力控组态软件绘制的电力仪表盘界面,直观地显示了电力实时数据,并通过表格控件实现实时数据查看和历史数据查询的功能。图8为电力数据实时曲线和历史曲线查询界面。图9为用电量饼图和棒状图分析界面。
图7 电力仪表盘界面
图8 历史曲线界面
图9 饼图和棒图界面
 
6施工注意事项
      在施工中,多功能电力仪表的通讯线缆须使用屏蔽双绞线,且屏蔽层单端可靠接地。尽量避免通讯线缆与动力线缆在同一线槽或桥架敷设,可将通讯线缆穿KGB线管单独敷设且将线管单端可靠接地。对于某一区域的多台用电设备,将其分别对应的多台电力仪表通过RS485总线进行菊花链拓扑结构连接,即手拉手连接方式,接至串口转以太网服务器,然后由串口服务器通过以太网连接至中控室交换机。建议屏蔽双绞线总长不易过长,如果总长超过30 m加一个串口服务器,通过增加以太网总线的长度,减少RS485总线长度来保证数据传输的速度和稳定性。注意互感器和电力仪表连线时勿在负载带电运行的同时将电流互感器进行开路接线。多台电力仪表通过RS485总线组网时注意网路终端的电力仪表是否需要加终端电阻。
 
7开云网页版登录入口电能管理系统
7.1概述
      用户端消耗着整个电网80%的电能,用户端智能化用电管理对用户可靠、节约用电有十分重要的意义。构建智能用电服务体系,推广用户端智能仪表、智能用电管理终端等设备用电管理解决方案,实现电网与用户的双向良性互动。用户端急需解决的研究内容主要包括:先进的表计,智能楼宇、智能电器、增值服务、客户用电管理系统、需求侧管理等课题。
Acrel-3000WEB电能管理解决方案通过对用户端用电情况进行细分和统计,以直观的数据和图表向管理人员或决策层展示各分项用电的使用消耗情况,便于找出高耗能点或不合理的耗能习惯,有效节约电能,为用户进一步节能改造或设备升级提供准确的数据支撑。
7.2应用场所
      (1)办公建筑(商务办公、大型公共建筑等);
      (2)商业建筑(商场、金融机构建筑等);
      (3)旅游建筑(宾馆饭店、娱乐场所等);
      (4)科教文卫建筑(文化、教育、科研、医疗卫生、体育建筑等);
      (5)通信建筑(邮电、通信、广播、电视等);
      (6)交通运输建筑(机场、车站、码头建筑等)。
7.3系统结构
7.4系统功能
1)实时监测
      系统人机界面友好,以配电一次图的形式直观显示配电线路的运行状态,实时监测各回路电压、电流、功率、功率因数、电能等电参数信息,动态监视各配电回路断路器、隔离开关、地刀等合、分状态,以及有关故障、告警等信号。
2)电能统计报表
      系统以丰富的报表支撑计量体系的完整性。系统具备定时抄表汇总统计功能,用户可以自由查询自系统正常运行以来任意时间段内各配电节点的用电情况,即该节点进线用电量与各分支回路消耗电量的统计分析报表。该功能使得用电可视透明,并在用电误差偏大时可分析追溯,维护计量体系的正确性。
3)详细电参量查询
      在配电一次图中,当鼠标移动到每个回路附近时,鼠标指针变为手形,鼠标单击可查看该回路详细电参量,包括三相电流、三相电压、三相总有功功率、总无功功率、总功率因数、正向有功电能,并可以查看24小时相电流趋势曲线及24小时电压趋势曲线。
4)运行报表
      系统具有实时电力参数和历史电力参数的存储和管理功能,所有实时采集的数据、顺序事件记录等均可保存到数据库,在查询界面中能够自定义需要查询的参数、时间或选择查询更新的记录数据等,并通过报表方式显示出来。用户可以根据需要定制运行日报、月报,支持导出Excel格式文件,还可以根据用户要求导出PDF格式文件。
5)变压器运行监视
      系统对配电系统总进线、主变压器、重要负荷出线的运行状态进行在线实时监视,用曲线显示电流、变压器运行温度、有功需量、有功功率、视在功率、变压器负荷率等运行趋势,分析变压器负荷率及损耗,方便运行维护人员及时掌握运行水平和用电需求,确保供电安全可靠。
6)实时报警
      系统具有实时报警功能,系统能够对配电回路断路器、隔离开关、接地刀分、合动作等遥信变位,保护动作、事故跳闸,以及电压、电流、功率、功率因数越限等事件进行实时监测,并根据事件等级发出告警。系统报警时自动弹出实时报警窗口,并发出声音或语音提醒。
7)历史事件查询
      系统能够对遥信变位,保护动作、事故跳闸,以及电压、电流、功率、功率因数越限等事件记录进行存储和管理,方便用户对系统事件和报警进行历史追溯,查询统计、事故分析。
8)电能质量监测
      系统可以对整个配电系统范围内的电能质量进行持续性的监测,运行维护人员可以通过谐波分析棒图、报表掌握进线、变压器、重要回路的电压、电流谐波畸变率、谐波含量、电压不平衡度等,及时采取相应的措施,降低谐波损耗,减少因谐波造成的异常和事故(该功能需要选配带谐波监测功能的电力仪表,不需要可删除。
9)遥控操作
      系统支持对断路器、隔离开关、接地刀等进行分、合遥控操作。系统具有严格的密码保护和操作权限管理功能,对于每次遥控操作,系统自动生成操作记录,记录内容包含操作人、操作时间、操作类型等。实现该功能需要断路器本身具有电操机构及保护保测控装置具备遥控功能等硬件设备的支持。
10)用户权限管理
      系统为保障系统安全稳定运行,设置了用户权限管理功能。通过用户权限管理能够防止未经授权的操作(如配电回路名称修改等)。可以定义不同级别用户的登录名、密码及操作权限,为系统运行、维护、管理提供可靠的安全保障。
11)通讯状态图
      系统支持实时监视接入系统的各设备的通讯状态,能够完整的显示整个系统网络结构;可在线诊断设备通讯状态,发生网络异常时能自动在界面上显示故障设备或元件及其故障部位。从而方便运行维护人员实时掌握现场各设备的通讯状态,及时维护出现异常的设备,保证系统的稳定运行。
12)视频监控
      视频监控展示了当前实时画面(视频直播),选中某一个变配电站,即可查看该变配电站内视频信息。
13)用户报告
      用户报告页面主要用于对选定的变配电站自动汇总一个月的运行数据,对变压器负荷、配电回路用电量、功率因数、报警事件等进行统计分析。
14)APP支持
      电力运维手机支持“监控系统"、“设备档案"、“待办事项"、“巡检记录"和“缺陷记录"五大模块,支持一次图、需量、用电量、视频、曲线、温湿度、同比、环比、电能质量、各种事件报警查询,设备档案查询、待办事件处理、巡检记录查询等。
7.5系统硬件配置
 
8 结语
      本文结合工程实际提供了一种建立电能管理系统的思路和方法,可在车间用电设备的控制箱内加装电流互感器和多功能电力仪表,通过现场敷设通讯线缆将车间的用电设备进行组网,结合上位机组态软件建立电能管理系统。如果在电能管理系统的基础上再添加用水、用气等能耗数据则可组成车间能源管理系统,将获得的电力数据上传云端或与MES系统、ERP 系统对接。总之,电能管理系统是组建数字化工厂、智慧工厂的一部分。
 
【参考文献】
【1】侯冉,徐春风.基于多功能电力仪表的车间设备电能管理系统设计
【2】多功能网络电力仪表使用手册[2].郑州凌鑫电力科技有限公司
【3】SIMATIC S7 S7-200 SMART 系统手册,V2.4,03/2019[Z].西门子(中国)有限公司.
【4】开云网页版登录入口企业微电网设计与应用手册.2022.05

关于开云网页版登录入口

公司简介

产品展示

Acrel-5000园区厂房能源监测管理系统 能源监测管理系统 能耗计量分析系统 光伏双向计量 学校智慧用电

服务与支持

技术文章新闻中心

联系我们

联系方式在线留言

电瓶车充电桩、电动汽车充电桩禁止非法改装!

版权所有 © 2025 开云网页版登录入口-开云中国    备案号:

技术支持:仪表网    管理登陆    sitemap.xml

手机:TEL

13774417047

地址:ADDRESS

上海市嘉定区育绿路253号

扫码关注我们