产品分类

PRODUCT CATEGORY

技术文章/ TECHNICAL ARTICLES

我的位置:首页  >  技术文章  >  浅谈数据中心机房末端配电技术与产品监控选型

浅谈数据中心机房末端配电技术与产品监控选型

更新时间:2023-03-08      浏览次数:502

胡冠楠

开云网页版登录入口电气股份有限公司 上海嘉定
 
摘要:数据中心机房末端配电的可靠性、稳定性和可维护性直接关系到IT设备的安全供电。数据中心的末端配电技术主要有两种,一种采用列头柜加电缆配电,另一种是智能小母线配电。分别对两种配电技术进行了介绍和探讨,最后对两种配电方式进行了对比分析,得出一些有益的结论。
关键词:数据中心;末端配电;列头柜;智能小母线
1概述
      数据中心是国家确定的“新基建"七大领域之一。数据中心在国民经济和社会发展中所起的作用越来越重要,数据中心已经成为了各行各业的关键基础设施,为经济转型升级提供了重要支撑。
数据中心要实现持续稳定运行,前提是其供电系统应稳定可靠、不间断。当前,重要程度高的数据中心一般采用2N架构的UPS供电方式,以实现容错要求,供电系统包括高低压配电、后备发电机组、不间断电源、后备蓄电池、精密配电等子系统,典型的数据中心供电系统如图1所示。
 
       图1 典型数据中心2N供电系统图
      从图1可以看出,最终的用电设备实现了全程双路由容错供电。
2末端配电
      数据中心机房的末端配电一般是指从不间断电源输出柜到最终用电设备的配电部分,最终用电设备包括IT设备、动力设备和照明等。数据中心的末端配电用电设备,是整个供配电系统中的关键环节,它的安全可靠十分重要。
传统的末端配电技术一般采用列头柜加电缆配电,典型的配电系统如图 2 所示。
 
图2 数据中心典型配电系统图
     注:系统图中的方框部分即为末端配电部分。
3列头柜配电技术探讨
按照国家规范的要求,数据中心的基础设施宜按容错系统配置。当数据中心的末端配电采用列头柜加电缆配电时,存在多种方案。以数据中心应用较多的封闭冷通道为例,配电方案主要有如下4种方案。
3.1方案一
     方案一如图3所示。
 
图3 列头柜双柜配电方案
       注:图中仅示出了其中一列机柜的配电电缆,另一列机柜同理。
       每个封闭冷通道设置两个列头柜,分别位于每列的头部,每个列头柜由不同的UPS系统引出,即列头柜A由2N双母线系统的UPS系统A引出,列头柜B由2N双母线系统的UPS系统B引出。
       IT机柜的供电方式为:每个IT机柜内包括两路PDU,PDU(A)和PDU(B),其中PDU(A)通过电缆由列头柜A取电,PDU(B)通过电缆由列头柜B取电。
本供电方案的优点是实现了全程双回路供电,无单点故障点,供电架构清晰。缺点是IT机柜的供电需要跨列引电,布线有一定难度。
3.2方案二
       方案二的机柜布置和方案一相同,如图3所示,但列头柜的内部配置和配电电缆的敷设不同。具体方案是:每个封闭冷通道也设置两个列头柜,列头柜A和列头柜B,但每个列头柜内部又分为A、B两路,每路由不同的UPS系统引出,即列头柜A和列头柜B内的A路由2N双母线系统的UPS系统A引出,列头柜A和列头柜B内的B路由2N双母线系统的UPS系统B引出。
IT机柜的供电方式是IT机柜的两路PDU均来自于本列的列头柜,其中PDU(A)来自于本列列头柜中的A路,PDU(B)来自于本列列头柜中的B路;这种供电方式结构清晰,但当列头柜需要扩容、更换或移位时,后端IT机柜的割接难度和工作量较大。
3.3方案三
       方案三和方案二的不同之处仅在于IT机柜的取电方式不同,即IT机柜的两路PDU分别来自于不同的列头柜,且不同路,第1列的IT机柜的PDU(A)来自于列头柜A内的A路,PDU(B)来自于列头柜B内的B路;第2列的IT机柜的PDU(A)来自于列头柜B内的A路,PDU(B)来自于列头柜A内的B路;这种供电方式保证了IT机柜的供电为全程双路由,且不存在单点故障点,但布线比较复杂,现场接线容易发生错误,可能导致IT
机柜由假双路电源供电。
3.4方案四
      方案四如图4所示。
 
图4 列头柜单柜供电方案
        每个封闭冷通道只设置1个列头柜,位于其中一列的头部,列头柜内部分为A、B两路,分别由不同的UPS系统引出。IT机柜的两路PDU分别由列头柜内的A路和B路取电。
这种方案的优点是只占用了一个机柜位置,节约了宝贵的机房空间资源。缺点是电缆需要跨列敷设,且当列头柜需要维修、扩容、更换或移位时,将造成后端所有IT机柜断电。
3.5列头柜配电方案对比
        对上述4种列头柜配电方案进行对比,如表1所示。
表1 四种列头柜配电方案对比
 
     综合列头柜的上述4种列头柜配电方案的优、缺点,建议采用配电方案一。
3.6列头柜配电技术分析
     列头柜配电技术要占用宝贵的机房资源,每台列头柜要占用了一个机柜位置,使得可出租的IT机柜数量变少。列头柜配电采用电缆进行出线,出线配置1P或2P空开,每一个出线回路连接一根电缆到一台机柜,再通过工业连接器或者直接连接到PDU的端子排上,为服务器进行供电。列头柜在设计中往往会配置一些备用回路,以备日后机柜扩容或者维修,当列头柜方案落地实施后,再进行调整和更改会非常麻烦,甚至需要停机进行作业。采用电缆出线,如果双路配电的方案,会有大量的电缆需要部署,后期维护、增加、减少机柜、调整机柜布局、增加机柜容量等难度很大。另外,电缆中间没有监控,长期通过大电流出现绝缘老化时无法提前预警,对运营带来潜在危险。
4智能小母线配电技术探讨
      由于列头柜要占用宝贵的机房资源,且配电不够灵活,业界一直在研究更加灵活可靠的末端配电技术,智能小母线配电技术应运而生。
智能小母线是相对应用于低压配电系统的大母线而言的,应用于机房末端配电,且电流一般在800A以下的小型母线系统。
4.1智能小母线的分类
      智能小母线按照结构可以分为滑轨式小母线和直列式小母线。
所谓滑轨式小母线,是指铜排导体采用环绕式布置,中间形成一个连续的空间通道,底部连续开槽,支持在任意点位插接取电的母线形式。
滑轨式小母线具有全程全点位接入分支回路的特点。插接箱在母线槽的下方安装,即插即用,母线槽无需断电即可实现插接箱的在线插拔;母线槽为模块化结构,支持分步实施、延续、扩展和重构,支持部件的按需分项采购和部署。
所谓直列式小母线,是指铜排导体采用上下并列平行布置,母线左右两侧可间隔或密集布置插孔接入分支回路的母线形式。
      直列式母线结构简单,成本更低。但其插接箱是固定的,不能根据需求灵活移动,插接箱在母线槽的左右水平方向安装,插接口的数量有限,整体扩容性差。另外,插接箱的体积大,占用空间大,不易更换,维护困难。因此,直列式小母线适合后期方案不进行调整,大范围固定配置的部署。
滑轨式小母线和直列式小母线的特点对比如表2所示。
表2 滑轨式小母线和直列式小母线
 
       由于滑轨式小母线的插接箱在母线槽的下方向下安装,两条智能小母线间距可以控制在150mm以内,占用IT机柜上方的水平空间较小,一般可以在500mm以内。插接箱朝向机柜后侧,便于操作和观察。而直列式小母线占用IT机柜上方的水平空间较大,一般都600mm以上,不便于安装,且不便于后期的操作和观察。因此,智能小母线推荐采用滑轨式小母线,不建议采用直列式小母线。
4.2智能小母线的配置方式探讨
对于封闭冷通道,智能小母线有单列单母线和单列双母线两种配置方式。
单列单母线配置图如图5所示。
 
 
 
 
     由于采用单列单母线方式,需要跨列桥架,布线难度很大,不建议采用此种配置方式,推荐采用单列双母线配置方式。
4.3智能小母线插接箱配置方式探讨
     IT机柜通过插接箱从母线取电,即母线通过插接箱将电送至IT机柜内的PDU。插接箱有单路输出和三路输出两种,单路输出的插接箱一般为单相,有的具备调相功能。三路输出的插接箱输入一般为三相,输出自然分相,有利于三相平衡。
因此,插接箱的配置方式可以分为一对一模式和一对三模式。一对一模式的配置图如图6所示,一对三模式如图7所示。
 
       虽然插接箱一对一的配置方式清晰方便,发生故障时只影响一个机架,但成本较高。考虑到IT机柜有两路供电,由于采用单列单母线方式,需要跨列桥架,布线难度两路供电同时发生故障的可能性很低,而且,一对三方式采用一般三相输入,输出到三个机柜自然分相,不需要额外考虑三相平衡问题,因此推荐采用一对三的配置方式。
5末端配电技术对比分析
5.1列头柜配电技术与智能小母线配电技术的优缺点
       传统的机房末端配电技术采用列头柜加电缆的配电方式,列头柜需要占用机柜安装位置;需要安装走线架,施工难度大,电缆较多,且一般需要一次性建成;IT机柜的配电容量是固定的,无法进行灵活调整;若机房搬迁,列头柜、电缆、走线架等一般无法重复利用。
智能小母线配电技术采用了进线箱、母线槽和插接箱,为模块化结构,不需要占用宝贵的机柜安装位置;无需走线架,施工工期短;若IT机柜容量调整,插接箱可热插拔,只需更换插接箱即可;若机房搬迁,设备均可重复利用。
但智能小母线也存在如下缺点。
     (1)对机房高度要求更高。采用列头柜配电方式,为满足走线要求,一般要求IT机柜上方有不小于500mm的高度,而智能小母线,要求上方不小于800mm的高度。
     (2)维护操作不方便。智能小母线的安装位置较高,操作人员如果要对开关进行分合闸等操作,比较不方便。
     (3)设置复杂。若插接箱内的空气开关故障,就要更换插接箱,而且插接箱更换后需要厂家重新设置通讯地址。
两种配电方式的特点对比如表5所示。
 
 
     综上所述,如果是一次性部署服务器或是方案固定的数据中心,一般会采用列头柜加电缆的配电方案。如果是需要分批次部署服务器的数据中心,或后期需要进行末端负荷调整的数据中心,推荐采用全点位、滑轨式的智能小母线配电方案。
5.2两种配电方式的造价对比
     我们仍以常见的封闭冷通道来进行对比,该封闭冷通道采用2N双母线UPS供电方式。一般来说,封闭冷通道内的单列IT机柜数量在25个以内,现假设为单列18个机柜,若采用列头柜配电方式,则单列IT机柜数为17个,单个IT机柜额定功率为4kW。采用智能小母线方案,则单列机柜数为18个机柜。
     列头柜配电方案如图3所示,智能小母线配电方案如图7所示。
     列头柜配电方案的造价如表6所示。
表6 列头柜配电方案造价
 
智能小母线配电方案的造价如表7所示。
 
 
 
      从表6和表7可以看出,两种配电方式的造价相差105840元,但智能小母线配电方式可以多安装2个IT机柜,假设每机柜的月租金(不含电费)为2500元,则多花的投资部分,其回收期约为1.76年。在10年的运营期内,小母线配电方式可以为增加租金收入约49.4万。
6开云网页版登录入口精密配电及监控系统解决方案
6.1概述
      随着数据中心的迅猛发展,数据中心的能耗问题也越来越突出,有关数据中心的能源管理和供配电设计已经成为热门问题,高效可靠的数据中心配电系统方案,是提高数据中心电能使用效率,降低设备能耗的有效方式。要实现数据中心的节能,首先需要监测每个用电负载,而数据中心负载回路非常的多,传统的测量仪表无法满足成本、体积、安装、施工等多方面的要求,因此需要采用适用于数据中心集中监控要求的多回路监控装置。
6.2应用场所
      适用于运营商、金融、政府、互联网、企业等数据中心
6.3系统结构
 
6.4系统功能
1)主页
开机进入主页,包含进线参数、开关状态、出线参数、报警查询等功能,按按钮可进入各功能界面查看。
 
2)进线参数监测
监测主路的三相电压、电流、系统频率;各项及总的有功功率,无功功率,视在功率,功率因数,有功电能、无功电能;电流、电压不平衡度;电流、电压谐波含量;最大需量。
 
3)出线参数监测 
      分支回路的电压、电流、有功功率、有功电能、功率因数额定电流设置、各相电流值;负载百分比;最大需量。
 
4)开关状态
      左侧一列为主路开关状态,主路跳闸SD状态、主路防雷开关状态、主路防雷故障点状态,默认为无源检测点,分闸为绿色,合闸为红色。主路右侧的皆为支路开关状态;默认为有源检测点,合闸为红色,分闸为绿色。
 
5)报警查询
      当前报警界面可查看实时报警和历史报警;开关量动作告警;任意数据的定时存储;进线过电流2段阀值越限告警,可任意设定告警值;进线过压、欠压、缺相、过频率、低频率越限告警;声光告警功能。
 
6.5系统硬件配置
 
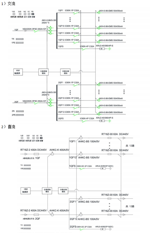
7开云网页版登录入口智能母线监控解决方案
7.1概述
     数据中心IT服务器配电传统采用精密配电柜,占用空间较大,配电线缆多,新增设备不便,为了节省面积,智能小母线方案由于不占用机房面积、可按需灵活插拔,受到很多数据中心的青睐,被越来越多的应用。
开云网页版登录入口智能母线监控产品分为交流和直流母线监控两类,包括始端箱监测模块、插接箱监测模块以及触摸屏,另外还可以搭配母线槽连接器红外测温模块用于监测母线槽的运行温度,确保母线槽配电安全。通过标准网线手拉手简单组网,可以实现任意插接箱检修或更换时不影响其他在线运行的插接箱的数据上传通讯。
 7.2应用场所
     适用于运营商、金融、政府、互联网、企业等数据中心
7.3系统结构
7.4系统功能
1)实时监测
     在主页点击数据采集按钮后,进入系统图界面:此界面显示了每个箱子的电压。
 
2)基本参数界面
     显示电压、电流、功率、电能等电参数数据,在设备地址旁边的输入框输入本箱子对应的仪表地址,即可实现对箱子中仪表数据的采集。
 
3)谐波数据
 
 
 
 
 
 
7.5系统硬件配置
 
8总结
     末端配电是数据中心供配电系统的末梢环节,它的可靠性、稳定性和可维护性直接关系到IT设备的安全供电。数据中心的末端配电方式主要包括两种,一种是采用列头柜加电缆的配电方式,另一种是智能小母线配电方式。本文通过分析,得出如下结论:
   (1)对于封闭冷通道,如果采用列头柜加电缆的配电方式,建议采用上文中的方案一,即每个冷通道配置2个列头柜,每个IT机柜分别从2个列头柜各取1路电源。
   (2)智能小母线分为滑轨式小母线和直列式小母线,考虑到机房的实际应用环境,推荐采用滑轨式小母线,不建议采用直列式小母线。
   (3)智能小母线推荐采用单列双母线方案。
   (4)智能小母线的插接箱推荐采用一拖三方案。
   (5)对于分批次部署服务器的数据中心,或后期需要进行末端负荷调整的数据中心,强烈建议采用滑轨式的智能小母线配电方案;如果是一次性部署服务器或是方案固定的数据中心,可采用列头柜加电缆的配电方案。
   (6)智能小母线造价相对较高,投资回收期约为2年。
    总的来说,由于智能小母线具有不占用机柜位置、配电回路清晰、模块化结构、工期短、可重复利用等优点,虽然其造价相对较高,但在整个运营期内可以为投资方带来更大的收益。因此,建议在数据中心内推广应用智能小母线末端配电技术。
参考文献
【1】谢拥华. 数据中心机房末端配电技术与应用探讨
【2】开放数据中心标准推进委员会《数据中心新型末端母线》2019年12月
【3】AcrelEMS-IDC数据中心综合能效管理解决方案-样本
【4】数据中心解决方案样本2022.04版


关于开云网页版登录入口

公司简介

产品展示

Acrel-5000园区厂房能源监测管理系统 能源监测管理系统 能耗计量分析系统 光伏双向计量 学校智慧用电

服务与支持

技术文章新闻中心

联系我们

联系方式在线留言

电瓶车充电桩、电动汽车充电桩禁止非法改装!

版权所有 © 2025 开云网页版登录入口-开云中国    备案号:

技术支持:仪表网    管理登陆    sitemap.xml

手机:TEL

13774417047

地址:ADDRESS

上海市嘉定区育绿路253号

扫码关注我们