产品分类

PRODUCT CATEGORY

技术文章/ TECHNICAL ARTICLES

我的位置:首页  >  技术文章  >  浅析楼房老旧的配电设备加装电能管理系统的方案

浅析楼房老旧的配电设备加装电能管理系统的方案

更新时间:2023-03-31      浏览次数:624

胡冠楠

开云网页版登录入口电气股份有限公司 上海嘉定 

 
摘要:文章通过对大楼配电设备现状及电能管理系统的需求分析,提出了在大楼老旧配电设备中加装 电能管理系统的方法,包括方案配置、计量点选择、终端改造、数据通信、报表格式等。旨在供无计量 管理系统或仅有电力监控系统的配电系统中加装电能管理系统的用户参考。
关键词:电能管理系统 老旧大楼 配电设备  

0 引言
       电能管理系统是按用户的需求,在用户配电系统中附加的能够对配电系统中各种用电设备消耗的电 能进行实时采集和显示、自动计算和处理、汇总分析 报告的自动化管理系统 。该系统可以对电能按照明 插座用电、动力用电、空调用电、特殊用电进行分项计量,为企、事业单位电能管理、节能提供依据。早期的用户配电系统都不具备这样的电能管理系统,虽 然近几年安装投运的配电系统不少已经配备了电力 监测系统,但仍与电能管理系统不尽相同,并不能达到对电能进行管理的目的。当今各种电能计量传感器、仪表以及计算机网络通讯的蓬勃发展,可以对上述两种配电系统进行二次开发,增加电能管理系统。
 
1  配电设备现状
1.1 某机关办公大楼(以下简称“大楼")基本情况
      大楼建于1997年,共23层,其中地下2层,地上21层。20多年来经过一些局部改造,目前总体分布如下:负2层为机动车车位,负1层设有非机动车位、配电室、水泵房等设备间;1~19层为建筑主体,主要为办公室,另设有会议室(19 层)、小型会议室若干、活动室、机房、食堂等;20层为电梯间、21层为中 央空调及其配电间。
1.2 配电系统简介
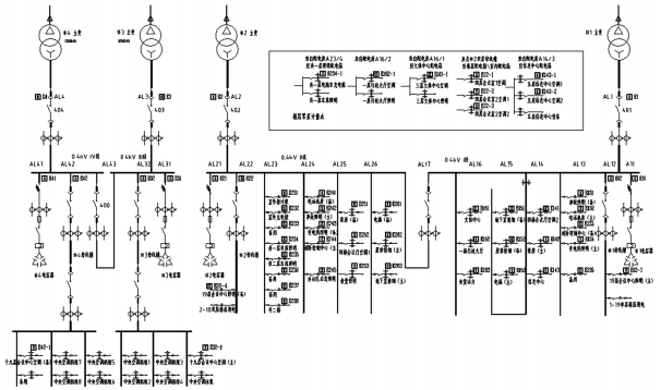
       大楼配电房设在负一层,有高压配电室1间,低压配电室2间,由双路10 kV受电,4台变压器配电。其中1#变、2#变通过母线槽分别向单双楼层馈电(包括照明、插座、空调等),楼层用电由各层插接箱从母线槽引出,经总配电箱、分配电箱向各用电终端馈电;水泵房、食堂、消防、电梯、排风等公共设施分配于1#变、2#变,由低压配电柜馈线单元直供。3#变、4#变通过母线槽给21层空调系统及19层会议室空调系统馈电。
1.3 配电一次系统图配电一次系统如图1所示,由于各回路电能都在低压部分计量,图中省略了高压配电部分。
 
1.4 电能计量现状
   大楼属于机关行政办公用途,不存在对外租赁情况,配电设备是20世纪90年代产品,没有相应的电能 计量管理体系和设施,仅有的计量是供电公司在高 压进线端安装的计量表计,用于核算大楼总的电费。 配电柜上只有些指示用的指针表计,不具备电能测 量功能。
大楼曾经安装过一套电能管理系统,主要是用于 空调、电梯等主要耗能设备的计量管理,该系统不能 对所有用电负荷进行电能计量管理,散布于楼层中的 独立空调能耗未能纳入计量管理。由于大楼配电线路多次改造,同一配电线路上不 同类型的用电设备混杂。
 
2  电能管理需求
2.1 内部管理要求
       全国各行各业都在采取措施节能节电,取得了进展。作为机关更应该带头践行,按照公共机构节能条例以及公共机构能源消耗统计制度要求,对能源消耗进行计量并管理。然而电力节能方案的实施、用电节能设备的广泛采用是否真起到了节能的作用,用合理的考核管理机制进行科学的判断。电能管理系统为这种考核和判断提供依据。大楼电气设备相对比较老旧,也经过多次改造调整,通过对各用电设备进行能耗测量并建立电能 管理系统的过程,可以对现有配电线路进行一次梳理,排除一些运行隐患,使得配电系统运行更好。电能管理系统的建立必定要对各回路电流、电压、功率、功率因数进行测量,通过这些电参量也可以监测配电系统的运行状况,从而使得配电系统运行更加可靠。
2.2 电能管理要求
电能管理系统的作用是通过对用电设备消耗的电能进行分项计量以达到对内部电能消耗进行深入监测和管理,进而节能增效的目的。
所谓分项计量,对于一个办公性质的大楼,至少 应分别计量以下类别的用电设备耗电。
(1)照明插座用电:主要包括照明和插座用电走廊和应急照明用电室外景观照明用电。
(2)空调用电:主要包括空调用电。
(3)动力用电:主要包括电梯用电、水泵用电、风机用电。
(4)特殊用电:主要包括信息室、厨房餐厅、活动室等其他特殊用电。
分项计量既要计量每个不同的出线回路耗电,又要把同一回路中不同的用电设备耗电分开计量,充分查清配电电路的实际走向和连接的实际负载,选择合适的计量点,再进行分项汇总。对于每个计量点原则上电能管理系统只要测量电能,即有功电能、无功电能(对于实行峰谷计费的用户,计量表计应具有复费率计量功能,对于发电回路 计量表计应具有四象限电能测量功能,本大楼这两种情况都不存在)。 但实际上目前绝大多数计量表计都是多功能的,在提供电能参数的同时,还具有常规电参量测量数据,如:三相电流、三相电压、功率因数、有功功率、无功功率等,这些参数可用于对配电系统运 行状况进行监测。有了各计量点的数据,还要运用现代电子技术、计算机技术、网络技术和现场总线技术对这些数据实 时自动采集、计算、处理,通过图表等形式直观显示出来;对历史数据保存、汇总、分析,给出反映各项用电 设备电能消耗的分析报告,为节能决策提供依据。
 
3  电能管理系统结构与功能选择
3.1 电能管理系统的一般结构和功能
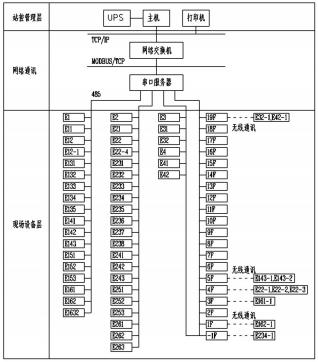
      电能管理系统通常采用分层分布式结构进行设计,即站控管理层、网络通信层和现场设备层,按功能 或区域进行划分,模块化设计。硬件系统拓扑结构图如图2所示。
 
       电能管理系统软件是对现场设备层数据进行采 集与过程控制的专用软件,特点是能以灵活多样的“组态方式"而不是编程方式来进行系统集成,它提供了良好的用户开发界面和简捷的工程实现方法,只要将其预设置的各种软件模块进行简单的“组态",便可以非常容易地实现和完成监控层的各项功能。通常包括:系统组态软件、数据存储软件、电能管理软件、设备驱动软件和网络发布软件。比如在分布式网 络应用中,所有应用(例如趋势曲线等)对远程 数据的引用方法与引用本地数据相同,通过“组 态"的方式大大缩短了自动化工程师的系统集成时间,提高了集成效率。
3.2 电能管理系统和电力监控系统的关系
       电能管理系统和电力系统都需要通过测量终端 测量相关电路的电参量,测得的数据也都要自动采集、传输、存储,经不同系统软件进行计算、显示、统计、汇总、查询、报告、通知等。两个系统在低压侧配电回路电参量的数据采集差别不大,但电力监控系统 还需采集高压侧各进出线回路的电参量、综保装置信息、高低压开关的状态信息、关键连接点关键隔室的温湿度甚至环境温湿度等参数,对测量终端的附加功能要求较多。电能管理系统为了达到分项计量的目的,仅仅在配电房低压侧测量低压所有出线的电参量是远远不够的,可能需要测量二级甚至高一级配电回路的电参量。兼有收费功能电能管理系统,对计量终端的传感器、表计的精度还有一定的要求。因此电能管理系统和电力监控系统通常是不能兼容的。或者说常规的电力监控系统并不能满足电能管理的需要。
3.3  电能管理系统的基本功能
3.3.1  用户权限
       为了保证电能管理系统稳定运行,用户权限管理应能够防止未经授权的操作(如配电回路名称修改)。可以定义不同级别用户的登录名、操作权限,为系统运行维护管理通过可靠的保障。    
3.3.2  人机交互
       电能管理系统应具备友好的人机界面,能够以配电一次系统图的形式直观显示本项目配电线路的分布情况,同时将远程采集的各回路的电参量信息(如电流、功率等)实时显示在系统界面中 。配电系统维护人员在值班室内通过浏览各系统界面,即可实时掌握现场配电工况。
3.3.3  电能统计报表
      电能管理系统以丰富的数据报表体现计量体系 的完整性 。系统应具备各回路定时抄表汇总统计功 能,用户可查询自系统正常运行以来任意时间段 内各配电节点的用电情况、进线用电量与各分支回路 消耗电量的统计分析报表 。该功能使得用电可视透 明,并在用电误差偏大时能追溯,维护计量体系的正 确性。
对于采用峰谷不同费率的用户,电能管理系统应 为用户提供综合的电能和需量统计报表功能,包含不 同馈线的峰平谷用电量统计与记录,从而为用电的合 理管理提供数据依据 。同时可对各回路进行日、月、 年报表的统计,减少配电系统维护人员电能统计的工 作时间,提高工作效率。
电能管理系统应该能按照分项计量的要求,对照 明插座用电、空调用电、动力用电及特殊用电分别进 行统计、汇总、报告。
3.3.4  越限、故障告警
       电能管理系统可以根据项目具体情况对必要的计量对象配置告警功能,这类型含测量值(如电流、功率)越限、监测设备通讯故障等。设定值应该 可以更具实际负载情况调整,系统响铃时能够进行信息提示,自动弹出画面。可以将信息通过手机短信、邮件等方式通知相关人员(一般为可选配置)。
3.3.5  电能质量监测
        电能管理系统可以对整个配电系统范围内的电能质量和电能可靠性状况进行持续性的监测(需配置带谐波监测功能的仪表)。例如配电系统维护人员可以通过谐波分析界面掌握配电系统的谐波含量,及时采取相应的措施提高配电系统的可靠性,减少因谐波造成的供电事故的发生。
3.3.6  网络发布功能
        根据需要电能管理系统配置WEB信息系统功能,从而使得管理人员可以通过IE或其他浏览器,查 看 实 时 数 据 、监 控 画 面 、历 史 数 据 等 远 程 访 问 功能。
3.3.7  数据转发接口
      电能管理系统软件应具备多种标准的接口和协议的接入,如支持485总线,多种不同的通信协议如Mobus-RTU、Mobus/TCP、IEC103、IEC104 等,同时具备后期对非标准规约协议的开发接入,使得所有智能设备都能无缝连接到后台系统中来。同时系统支持工业OPC接口与其他系统(如BA系统)进行数据共享。以上功能可以根据自身项目特点和要求进行必要的取舍。
3.4 项目的方案
       本项目的基本目标是实现电能的分项计量,自动抄表、显示负荷曲线、任意历史数据查阅、任意时间段报告生成,数据上报上级机关(在上级机关未确定好传输协议前,本系统预留接口)。加装电能管理系统本身就是为了通过系统的管理找到电能使用不合理的环节,实施节能改造、行政干预达到节能的目的。本项目中涉及的配电设备比较老旧,继续使用的年限不会太久,不计成本对现有配电设备进行较大的改造,将电能管理系统做的大而 全显然是不经济的。因此本系统应简洁经济、施工简单,尽可能不对现有设备做大的改动。
       通过广泛的市场调研,选择了产品丰富、软硬件齐全的 Acrel 品牌。
       软件功能:保留了用户权限、人机交互、电能统计 报表(根据本项目特殊要求定制)、越限故障告警、电能质量检测等基本功能;考虑到本系统建成后由专门人员管理,为降低造价舍去了网络发布功能,为今后向上级机关上报电能数据系统预留了数据转发接口。
       计量点:低压进线计量 4个、低压出线计量 41个, 为区分不同种类的用电设备在部分终端计量 12个, 计量点位如图 1所示。
 
4  方案实施
4.1 站控管理层
       站控管理层是针对配电网络的管理人员,该层直接面向用户。该层也是系统的上层部分,主要是由电力监控系统软件和必要的硬件设备组成。硬件包括工控机、打印机、UPS等;软件包括:系统组态软件、 数据存储软件、电能管理应用软件。站控层设备安装于配电房值班室。
4.2 组网及通信
       网络通信层主要是由通信管理机、接口转换器件及总线网络等组成。该层是数据信息交换的桥梁,不同的接口转换器件提供了 RS232,RS422,RS485,SPABUS等及以太网等各种接口,组网方式灵活,支持点对点的通信、现场总线网络、以太网等类型的组态网络。
       本项目通信管理机采用NPORT5410串口服务器,可让4个RS485串口设备联网,提供简单方便的联网方式,不但可以保证现有的硬件资源,更确保未来网络的扩充可能性。
       所有计量终端经485总线分组连接串口服务器。1#变、2#变相关终端各自分为一组,经电缆沟分 别接到串口服务器,占两个口。3#变、4#变相关计量终及楼层分散计量终端分为一组,占用串口服务器一 个口,剩余一个口留作将来扩展。
考虑到各楼层计量终端比较分散,有的楼层目前没有需要计量的终端,但可能以后会有计量需求,因此串口服务器的485总线从主站经电缆沟、电井一直 敷设到各楼层,在楼层电井处装设无线收发器,楼层分散终端计量表计与电井中无线收发器采用无线通 信,避免了在楼层中敷设485总线的麻烦。
4.3  现场设备层
       为了满足测量要求并尽可能少的改动原配电设备,就要根据不同的计量点选取不同的计量表计,采取不同的改装方法对终端设备进行改装,本项目涉及终端改装主要有以下几种情形。
4.3.1  进线计量
      低压进线端原配电设备有指针式电表:三相电流、三相电压、有功功率、功率因数改造方法是在每个进线柜增加一只 ACR 网络电力仪表[3],可以测量三相电流、三相电压、有功功率、无功功率、功率因数、四象限电能、谐波,带485通信、开关量输入输出。改装方法:将原配电柜电压表替换成新装表、利用原配电柜二次线路,改装工作量少
4.3.2  低压出线柜出线计量
       本项目中低压出线会路有两种:一种是面板有3只指针式电流表(对应于 ABC三相电流互感器)的回路,另一种是面板上只有一只指针式表电流表(对应一相电流互感器)的回路。
       针对上面这种情况,可以采用PZ80L多功能测量仪表改装[3],与原6L2电流表相同开孔尺寸,可以测量:三相电流、三相电压、有功功率、无功功率、功率因数、四象限电能,带485通信、开关量输入输出。改装方法:将原配电柜B相电流表替换成新装表、利用原配 电柜二次线路,改装工作量非常少。
       针对后面这情况,可以采用 AEW100无线计量模块[ 4],该模块自带三相开口互感器,可测量:三相电流、三相电压、有功功率、无功功率、功率因数、正反向有功无功电能 、谐波,带485及470MHz无线通信。可不停电改装:将三相开口互感器分别固定于三相电缆,利用自身紧固螺钉穿刺取电,急速完成。
       在配电柜中安装的表计,无论是面板表还是AEW100计量模块,通信线都采用双绞线,简单可靠。
4.3.3  楼层分散终端计量
       对于楼层配电箱空间比较大的终端,采用AEW100无线计量模块,改装方法同低压配电柜出线回路一样,但无须连接485通信线。
       由于某些室内配电箱,如模数化 PZ30配电箱,不具备安装AEW100的空间,可以采用 DTSD+AEW110的组合。DTSD是导轨式计量表,可以测量:三相电 流、三相电压、有功功率、无功功率、功率因数、正反向有功无功电能,带485通信 、开关量输入输出。 AEW110是一个无线收发器,可以将DTSD 电表的数据无线发送到电井中的AEW110。本楼层电井中的 AEW110可以无线接收本楼层所有无线终端的数据,使本楼层所有分散安装的AEW100、DTSD甚至其他具有485通信的终端进行无线组网,不需要敷设双绞线至电井中的485总线现场设备层与站控管理层之间的通信连接如图 3所示。
图3  网络拓扑
4.4 电能报表
4.4.1 常规电能报表
       常规的电能报表内容与配电系统一致,显示全大楼总用电量、每台变压器总用电量,每个低压出线回路用电量,通过本报表可以进行总表分表校验。
4.4.2 分项电能报表
        表 1 的格式是按用电种类分项计量的报表,表中数据为通过软件对相关表计数据进行计算所得。
4.4.3 内部考核用电能报表
       表 2 是按大楼管理部门要求分类统计的报表格式,便于内部用电管理和节能考核,表中数据为通过软件对相关表计数据进行计算所得。需要指出的是,三种报表格式均需在软件中定制。
 
5 开云网页版登录入口电能管理系统
5.1概述
      用户端消耗着整个电网百分之八十的电能,用户端智能化用电管理对用户可靠、节约用电有十分重要的意义。构建智能用电服务体系,推广用户端智能仪表、智能用电管理终端等设备用电管理解决方案,实现电网与用户的双向良性互动。用户端急需解决的研究内容主要包括:先进的表计,智能楼宇、智能电器、增值服务、客户用电管理系统、需求侧管理等课题。
       Acrel-3000WEB电能管理解决方案通过对用户端用电情况进行细分和统计,以直观的数据和图表向管理人员或决策层展示各分项用电的使用消耗情况,便于找出高耗能点或不合理的耗能习惯,节约电能,为用户进一步节能改造或设备升级提供准确的数据支撑。
5.2应用场所
(1)办公建筑(商务办公、大型公共建筑等);
(2)商业建筑(商场、金融机构建筑等);
(3)旅游建筑(宾馆饭店、娱乐场所等);
(4)科教文卫建筑(文化、教育、科研、医用卫生、体育建筑等);
(5)通信建筑(邮电、通信、广播、电视等);
(6)交通运输建筑(机场、车站、码头建筑等)。
5.3系统结构
 
5.4系统功能
1)实时监测
       系统人机界面友好,以配电一次图的形式直观显示配电线路的运行状态,实时监测各回路电压、电流、功率、功率因数、电能等电参数信息,动态监视各配电回路断路器、隔离开关、地刀等合、分状态,以及有关故障、告警等信号。
2)电能统计报表
       系统以丰富的报表支撑计量体系的完整性。系统具备定时抄表汇总统计功能,用户可以查询自系统正常运行以来任意时间段内各配电节点的用电情况,即该节点进线用电量与各分支回路消耗电量的统计分析报表。该功能使得用电可视透明,并在用电误差偏大时可分析追溯,维护计量体系的正确性。
3)详细电参量查询
       在配电一次图中,当鼠标移动到每个回路附近时,鼠标指针变为手形,鼠标单击可查看该回路详细电参量,包括三相电流、三相电压、三相总有功功率、总无功功率、总功率因数、正向有功电能,并可以查看24小时相电流趋势曲线及24小时电压趋势曲线。
4)运行报表
     系统具有实时电力参数和历史电力参数的存储和管理功能,所有实时采集的数据、顺序事件记录等均可保存到数据库,在查询界面中能够自定义需要查询的参数、时间或选择查询更新的记录数据等,并通过报表方式显示出来。用户可以根据需要定制运行日报、月报,支持导出Excel格式文件,还可以根据用户要求导出PDF格式文件。
5)变压器运行监视
      系统对配电系统总进线、主变压器、重要负荷出线的运行状态进行在线实时监视,用曲线显示电流、变压器运行温度、有功需量、有功功率、视在功率、变压器负荷率等运行趋势,分析变压器负荷率及损耗,方便运行维护人员及时掌握运行水平和用电需求,确保供电可靠。
6)实时提醒
      系统具有实时提醒功能,系统能够对配电回路断路器、隔离开关、接地刀分、合动作等遥信变位,保护动作、事故跳闸,以及电压、电流、功率、功率因数越限等事件进行实时监测,并根据事件等级发出告警。系统提醒时自动弹出实时提醒窗口,并发出声音提醒。
7)历史事件查询
      系统能够对遥信变位,保护动作、事故跳闸,以及电压、电流、功率、功率因数越限等事件记录进行存储和管理,方便用户对系统事件和提醒进行历史追溯,查询统计、事故分析。
8)电能质量监测
      系统可以对整个配电系统范围内的电能质量进行持续性的监测,运行维护人员可以通过谐波分析棒图、报表掌握进线、变压器、重要回路的电压、电流谐波畸变率、谐波含量、电压不平衡度等,及时采取相应的措施,降低谐波损耗,减少因谐波造成的异常和事故(该功能需要选配带谐波监测功能的电力仪表,不需要可删除。
9)遥控操作
       系统支持对断路器、隔离开关、接地刀等进行分、合遥控操作。系统具有严格的保护和操作权限管理功能,对于每次遥控操作,系统自动生成操作记录,记录内容包含操作人、操作时间、操作类型等。实现该功能需要断路器本身具有电操机构及保护保测控装置具备遥控功能等硬件设备的支持。
10)用户权限管理
       系统为保障系统安全稳定运行,设置了用户权限管理功能。通过用户权限管理能够防止未经授权的操作(如配电回路名称修改等)。可以定义不同级别用户的登录名、密码及操作权限,为系统运行、维护、管理提供可靠的安全保障。
11)通讯状态图
       系统支持实时监视接入系统的各设备的通讯状态,能够完整的显示整个系统网络结构;可在线诊断设备通讯状态,发生网络异常时能自动在界面上显示故障设备或元件及其故障部位。从而方便运行维护人员实时掌握现场各设备的通讯状态,及时维护出现异常的设备,保证系统的稳定运行。
12)画面监控
        画面监控展示了当前实时画面(画面直播),选中某一个变配电站,即可查看该变配电站内画面信息。
13)用户报告
       用户报告页面主要用于对选定的变配电站自动汇总一个月的运行数据,对变压器负荷、配电回路用电量、功率因数、报警事件等进行统计分析。
14)APP支持
       电力运维手机支持“监控系统"、“设备档案"、“待办事项"、“巡检记录"和“缺陷记录"五大模块,支持一次图、需量、用电量、视频、曲线、温湿度、同比、环比、电能质量、各种事件报警查询,设备档案查询、待办事件处理、巡检记录查询等。
5.5系统硬件配置
 
6 结语
电能管理系统的作用是通过对用电设备消耗的电能进行分项计量以达到对内部电能消耗进行深入监测管理进而节能增效的目的。电能管理系统是依附于配电系统的,因此加装电能管理系统首先对配电设备现状以及系统终要达到的要求进行细致的分析,才能明确方案配置,进而选定计量点、 对终端设备进行适宜的计量改造,通过必要的网络通 信实现对各回路电能的实时采集、分项统计分析、报 告,终达到管理的目的。
 
【参考文献】
【1】石炳君.机关大楼老旧配电设备加装电能管理系统的方法
【2】任致程,周中.电力电测数字仪表原理与应用指南[M] . 北京:中国电力出版社,2007.
【3】周中.智能电网用户端电力监控与电能管理系统 产品选型及解决方案[M] .北京:机械工业出版社,2012.
【4】开云网页版登录入口企业微电网设计与应用手册.2022.05


关于开云网页版登录入口

公司简介

产品展示

Acrel-5000园区厂房能源监测管理系统 能源监测管理系统 能耗计量分析系统 光伏双向计量 学校智慧用电

服务与支持

技术文章新闻中心

联系我们

联系方式在线留言

电瓶车充电桩、电动汽车充电桩禁止非法改装!

版权所有 © 2025 开云网页版登录入口-开云中国    备案号:

技术支持:仪表网    管理登陆    sitemap.xml

手机:TEL

13774417047

地址:ADDRESS

上海市嘉定区育绿路253号

扫码关注我们