产品分类

PRODUCT CATEGORY

技术文章/ TECHNICAL ARTICLES

我的位置:首页  >  技术文章  >  关于电流检测的霍尔传感器选型和应用

关于电流检测的霍尔传感器选型和应用

更新时间:2023-06-02      浏览次数:1051

胡冠楠

开云官方端网站登录入口电气股份有限公司 上海嘉定 
 
摘 要:电流检测在各个领域的应用越来越广泛,传统的霍尔传感器的灵敏度比较低,受外界影响较大,由此应用新型霍尔传感器来弥补其功能缺陷,介绍了莱姆HO系列霍尔传感器的多项功能,以HO-15-NP霍尔传感器为例,着重介绍了霍尔传感器在电流检测及其线性度方面的介绍。
 
关键词:霍尔传感器;电流检测;线性度;分析
 
0引言
       电流检测在机械的控制、保护、检测、动力管理等方面有着重要的应用。例如:电机驱动控制、变频控制、电池荷电状态监测等。但在电流测量中存在2个困难:1)测量仪表不方便直接串入电路中;2)电流检测电路与被测电路不能直接耦合,否则,会影响被测电路的直流工作点。霍尔传感器由于具有体积小、功耗低、噪声小、隔离效果好等优点,在电流监测方面受到广泛的青睐。特别是霍尔传感器配合磁环的设计一直被广泛地使用。但由于传统的霍尔传感器的灵敏度比较低,对于处理电路要求高,系统成本高。传统的霍尔传感器如果使用不当,它的霍尔电压UH与磁感应强度B为非线性关系,且存在不平衡电压,严重影响检测系统的精度。基于霍尔效应的莱姆HO系列霍尔传感器,很大程度上提高了电流检测的灵敏度,而且处理电路简单,安装方便,线性度好,具有较高的准确度。

1 HO系列霍尔传感器的功能介绍
       与传统的开环霍尔传感器相比而言,HO开环霍尔传感器拥有的优点包括:具有良好的线性度,灵敏度高;可编程的过流检测功能;可编程响应时间短(2到6us);低零点和增益漂移;多种量程设置,可实现标称为2.67到25A的电流测量;设计者可以通过专用的端口将HO系列霍尔传感器输出参考电压设置为0.5、1.5、1.65或2.5V;可PCB封装。
 
2 HO系列霍尔传感器的电流检测功能分析
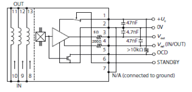
       如下图所示,是HO-15-NP电流传感器的连接图,通过输入和输出端口将传感器串联在需要进行电流检测的导线上,输出端即可采集所测电流信号;如果所测电流过小,可以通过设置外部参考电压。传统的霍尔传感器只能检测特定范围的电流信号,如果要检测的电流更大或者更小的话就需要更换传感器。对于传统霍尔传感器的局限性,HO系列可通过8、9、10和11、12、13端的串联来改变测量范围。其串联方式如下表所示。
图1HO-15-NP电路连接图
       实验从(0-5.0A)平均测得50组数据,绘成曲线如下图所示,选择的莱姆HO-15-NP电流传感器的输出电压和输入电流成线性关系,实验结果验证其线性度非常高。
图2电流与电压的关系
       对于测量量程的变化,其误差变化率会有微弱的变化,其线性误差模拟如下图所示。
 
图3线性误差
       总体来讲,通过HO-15-NP电流传感器来检测电流可以快速地检测出交直电流,单个传感器可测多种范围的电流,节约了备用器件成本。还可配合ODC功能来进行过电流保护。
 
3开云官方端网站登录入口霍尔传感器产品选型
3.1产品介绍
       霍尔电流传感器主要适用于交流、直流、脉冲等复杂信号的隔离转换,通过霍尔效应原理使变换后的信号能够直接被AD、DSP、PLC、二次仪表等各种采集装置直接采集和接受,响应时间快,电流测量范围宽精度高,过载能力强,线性好,抗干扰能力强。适用于电流监控及电池应用、逆变电源及太阳能电源管理系统、直流屏及直流马达驱动、电镀、焊接应用、变频器,UPS伺服控制等系统电流信号采集和反馈控制。
 
3.2产品选型
3.2.1开口式开环霍尔电流传感器
表1
3.2.2闭口式开环霍尔电流传感器
表2
 
3.2.3闭环霍尔电流传感器
表3
3.2.4直流漏电流传感器
表4
4结论
       通过实验可知,与传统的霍尔传感器相比,HO-15-NP具有可测范围宽、线性度好、精度高、连接方便、低噪声等优点。采用HO-15-NP电流传感器对交直流电进行检测具有*的性能。通过8、9、10和11、12、13端口的串联就能改变测量范围。其线性误差不会随着连线距离的变长而降低。其受温度的影响更小。特别适用于电动机这类影响因素多的场合。
 
【参考文献】
       [1]张健.霍尔传感器的应用浅析[J].计算机工程应用技术.2009(7):138.
       [2]宋苏臣、袁野.基于电流检测的霍尔传感器应用
       [3]开云官方端网站登录入口企业微电网设计与应用手册2019.11版


开云官方

公司简介

产品展示

Acrel-5000园区厂房能源监测管理系统 能源监测管理系统 能耗计量分析系统 光伏双向计量 学校智慧用电

服务与支持

技术文章新闻中心

联系我们

联系方式在线留言

电瓶车充电桩、电动汽车充电桩禁止非法改装!

版权所有 © 2026 开云官方端网站登录入口-开云online(中国)    备案号:

技术支持:仪表网    管理登陆    sitemap.xml

手机:TEL

13774417047

地址:ADDRESS

上海市嘉定区育绿路253号

扫码关注我们