产品分类

PRODUCT CATEGORY

技术文章/ TECHNICAL ARTICLES

我的位置:首页  >  技术文章  >  浅谈马达保护器装置电源掉电停机的原因分析处理

浅谈马达保护器装置电源掉电停机的原因分析处理

更新时间:2023-06-07      浏览次数:650

 胡冠楠

开云官方端网站登录入口电气股份有限公司 上海嘉定 201801

 

摘 要:介绍了一起因直流电源接线松动导致所带整段马达保护器装置停电从而造成电机大面积停机的事故,分析了大面积电机停机的直接原因和间接原因,针对存在的问题提出了整改措施和方案,对马达保护器设计逻辑进行了修改,同时通过DCS组态增加了后台监控报警。
 
关键词:马达保护器;电机停机;DCS组态
 
1故障情况
       2020年5月12日9时57分,工作人员发现某装置某单元部分空冷和水泵电机突然无故停机,内操迅速通知外操赶到现场将无故停机的设备现场起动,并通知维保电气人员检查停机情况。
       现场检查后,未发现电机存在故障情况,变电所内系统无异常,无备自投动作情况,外操现场手动起动的设备正常运行中无异常,但IMCS系统监控屏上有大量电机报“通信故障"及“接触器运行"的记录。通过检查,报警的电机均是变电所内SL5II段母线的电机。同时通过向外操了解停机情况发现无故停机设备集中在变电所内SL5II段母线上。
 
2原因分析
       由停电设备分布情况可知,出现某段集中大面积停机的可能性有以下两种。
       (1)系统出现晃电,电压波动导致SL5II段母线上电机大面积停电。从现场现象来看,上游系统II段未出现波动,变电所内其他II段低压系统未出现波动,仅SL5II段出现大面积停机,同时备自投未有动作信息。另外如果短时晃电,低压电机马达保护器具有再起动功能,可实现电机晃电再起动,不会导致电机全部停机,而且马达保护器MCU取得的电源是直流24V电源,系统晃电不应导致SL5II段上运行的马达保护器在IMCS系统上都报“通信故障"。综合判断后,排除无故停机原因是系统出现晃电。
       (2)直流电源出现异常。直流电源系统图如图1所示。由此可知,SL5II段MCU直流24V电源均从直流系统通过单相直流变压器取得,一旦单相变压器后直流系统失电,整段系统上的运行或热备状态下的MCU就会失电,并在IMCS系统上报“通信故障"。
       为了验证马达保护器在失电情况下的IMCS报警情况以接触器动作情况,选取备用抽屉进行试验,模拟运行情况下马达保护器突然失电动作情况,结果显示马达保护器在失电情况下会导致电机停机,同时报“××电机通信故障",恢复马达保护器电源后报“××电机通信故障"及“××电机接触器运行"(此情况与SL5II段IMCS上的报警情况一致)。
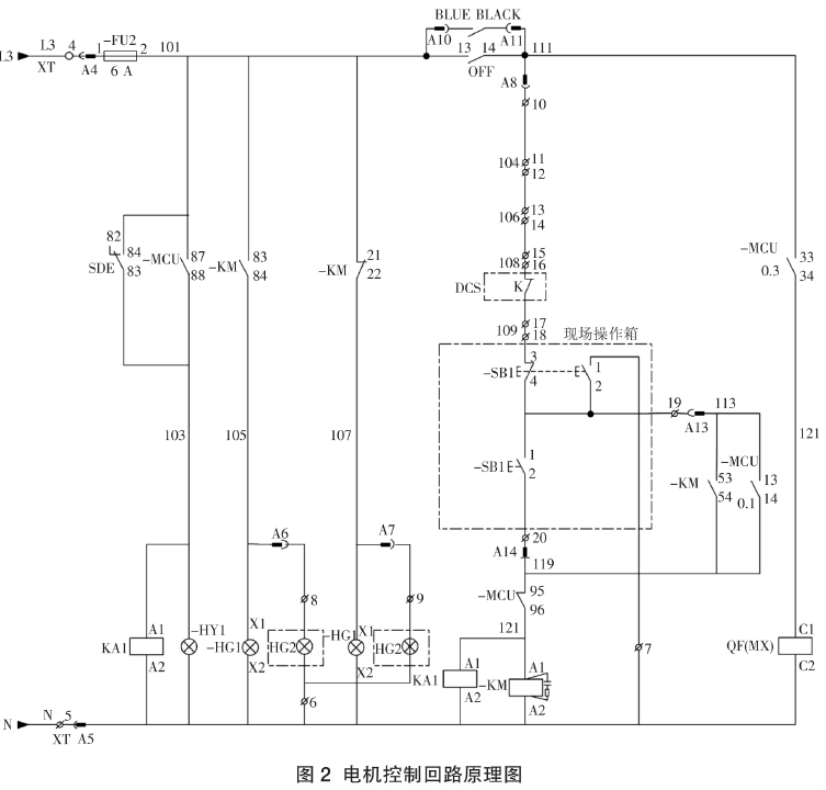
       对照电机控制回路原理图(如图2所示),可知原理图设计上不存在缺陷,马达保护器MCU故障输出点为常闭点,在失电情况下不应断开控制回路。
       马达保护器部分接线端子如图3所示。对马达保护器进行检查,“97-98"“95-96"两对触点在控制原理图上分别为常开和常闭,但正常无电情况下“97-98"为常闭、“95-96"为常开,与控制原理图不符。
       与马达保护器厂家沟通后,厂家答复是此马达保护器设计原理为只要上电后马达保护器内故障输出继电器得电两对触点状态变化一次,当出现故障后,马达保护器内故障输出继电器失电“95-96"触点变回原来常开状态,断开控制回路停下电机。
       这种设计理念是:马达保护器失电也是一种大的故障,此时马达保护器对电机已经不存在保护。为了避免电机出现故障时马达保护器不能及时进行保护从而造成电机损坏,应马上停掉电机。另外,上电故障输出继电器变位可确认故障输出继电器W故障,保证故障情况下动作可靠性。
       综合原因分析及现场检查,此次某单元大面积电机停电直接原因为SL5II段马达保护器直流电源二次回路接线松动导致;间接原因为马达保护器逻辑设计不合理,设计存在缺陷。
 
3整改及预防措施
       (1)全面检查马达保护器直流电源接线,紧固接线端子。
       (2)修改马达保护器故障输出逻辑。确认更新逻辑,将全厂同型号的马达保护器故障输出触点按控制原理图改为正常情况下“97-98"为常开、“95-96"为常闭,存在故障时故障输出继电器动作变位,跳开电机控制回路。修改与不修改逻辑风险分析评估如下。
       ①保持原有逻辑不变。当马达保护器直流电源失电后,电机停机。直流电源存在故障将导致装置电机大面积停电,直接影响装置生产安全、平稳,影响范围大。
       ②修改逻辑。当马达保护器失电后,马达保护器对电机不存在保护。电机无保护,一旦电机存在故障不能及时跳闸,电机就将烧坏,但抽屉断路器能分断短路电流,限定故障范围。降低风险措施:巡检关注IMCS上报警情况,及时发现马达保护器失电情况,但IMCS上系统数据较多,可能无法及时发现;每个抽屉加装操作面板,从面板电源指示灯可迅速判断马达保护器失电情况;增加直流电源报警指示灯,时刻监视直流电源情况;利用马达保护器失电IMCS系统上报“通信故障"取反与电机运行状态在DCS作一个“与"逻辑,当电机运行时,马达保护器失电输出报警到监控,可消除风险。
       根据风险分析评估,选择修改逻辑,马达保护器失电情况下不停机造成的风险远小于不修改逻辑直流失电造成的风险,因此选择对马达保护器逻辑进行修改,保证马达保护器电源在失电或晃电的情况下不跳开电机,保证电机持续运行。
       同时,为降低修改逻辑后马达保护器失电情况下电机无保护运行带来的风险,后续可实施的措施有:增加操作面板,及时发现马达保护器失电故障;增加直流电源报警指示灯,时刻监视直流电源情况;增加后台DCS报警。
       根据风险评估制定整改方案,确定更新马达保护器图3中0.4故障输出点的逻辑,对0.4继电器由故障释放,修改为故障动作,取反逻辑为:
       //LOAD_TMP_BIT 15 15
       LOAD_NOT_TMP_BIT 15 15 //reverse logic for 0.4
       SET_TMP_BIT 19 15 //Image of Output L04
       逻辑更新完成之后再将图3中“95-96"“97-98"两对触点接线对调。
       (3)将IMCS系统电机马达保护器运行状态传到DCS,电机马达保护器运行状态取反与
       电机运行状态在DCS后台组态:马达保护器未上电取0、电机未运行取0,此逻辑为当电机在运行情况(状态为1)下,马达保护器失电(状态取反为1)输出“某电机马达保护器失电"告警至后台监控,监盘人员发现此告警迅速通知维保电气人员查找故障,逻辑如图4所示。
 
4开云官方端网站登录入口智能电动机保护器介绍
4.1产品介绍
       智能电动机保护器(以下简称保护器),采用单片机技术,具有抗干扰能力强、工作稳定可靠、数字化、智能化、网络化等特点。保护器能对电动机运行过程中出现的过载、断相、不平衡、欠载、接地/漏电、堵转、阻塞、外部故障等多种情况进行保护,并设有SOE故障事件记录功能,方便现场维护人员查找故障原因。适用于煤矿、石化、冶炼、电力、以及民用建筑等领域。本保护器具有RS485远程通讯接口,DC4-20mA模拟量输出,方便与PLC、PC等控制机组成网络系统。实现电动机运行的远程监控。
4.2技术参数
4.2.1数字式电动机保护器
 
4.2.2模块式电动机保护器
 
4.3产品选型
 
说明:“√"表示具备,“■"表示可选。
 
5结束语
       本次装置电机大面积停机的直接原因是变电所内SL5II段马达保护器直流电源施工阶段二次回路接线紧固不到位,间接原因是马达保护器逻辑设计不合理,设计存在缺陷导致故障扩大化。为保证马达保护器直流电源故障情况下不导致设备误停从而造成装置意外停工,修改马达保护器输出逻辑,同时验证了通过DCS组态进行马达保护器失电告警的方案是可行的。
 
参考文献
[1]陈国雄,高立平.马达保护器装置电源掉电导致电机停机原因分析处理
[2]开云官方端网站登录入口企业微电网设计与应用手册.2020.06版


开云官方

公司简介

产品展示

Acrel-5000园区厂房能源监测管理系统 能源监测管理系统 能耗计量分析系统 光伏双向计量 学校智慧用电

服务与支持

技术文章新闻中心

联系我们

联系方式在线留言

电瓶车充电桩、电动汽车充电桩禁止非法改装!

版权所有 © 2026 开云官方端网站登录入口-开云online(中国)    备案号:

技术支持:仪表网    管理登陆    sitemap.xml

手机:TEL

13774417047

地址:ADDRESS

上海市嘉定区育绿路253号

扫码关注我们