
产品分类
更新时间:2023-09-15
浏览次数:738胡冠楠
开云网页版登录入口电气股份有限公司 上海嘉定 201801
摘要:太阳能光伏发电组件的实时检测备受关注,本文设计了基于霍尔传感器的太阳能光伏系统的检测装置。该装置主要由信号采集电路单元、数据处理单元和局域网控制器(ControllerAreaNetwork简称CAN)总线数据传输电路单元三部分结合进行检测。实验结果表明霍尔传感器的测量精度高、范围大、响应速度快、测量方法线性度好、不受外界环境因素影响,且实现实时监测发电系统运行状态并上传数据。充分证明本文设计的检测系统是高效可行的。
关键词:霍尔传感器;光伏发电;CAN总线传输;实时检测
0引言
由于太阳能具有清洁、无污染、可再生的特点,我国又出台的新能源政策促使光伏产品质量与数量齐升。面临的首要问题是对光伏发电组件进行检测与维护。而光伏系统主要采用直流电源,可以依据输出端电压、电流来判断光伏组件运行状态。因此,监测光伏组件的输出端电压、电流具有重要意义。
监测系统主要是采集光伏组件输出电压、电流信号。但是,阵列中的电压、电流值较高且电池板间具有电位联系,导致目前实现直接测量比较困难。研究前期,提出一些测量方法:共模、差模、V/F转换无触点采样等方法来测量电压,但都存在精度低,线性度差,电压测量范围小,响应速度慢,不能适用于任何波形等缺点;采用直放式LEM传感器、罗氏线圈、电磁式电流互感器、TMR电流传感器、分流器或直接检测等方法来测量电流,但是存在零点漂移、破坏原有系统完整性、影响被测电流波形、绝缘难度大等问题。
因此,针对光伏发电系统的特殊性并结合目前的测量方法,采用依据霍尔效应制作的一种磁场传感器—霍尔传感器[5]来测量光伏阵列的电压、电流;采用CAN总线[6-7],实时上传数据至上位机。设计了一种方便操作且结构简单的可以实现实时监测光伏发电组件工作状态的装置。相比于其他单一的光伏发电监测系统,它可以克服目前测量方法存在的不足。而且具有两大优势:一是可以实现同时监测发电组件的电压、电流;二是可以实现数据的实时上传。
1设计要求
太阳能光伏阵列的检测关键是对太阳能光伏阵列输出电压、电流信号的采集。但是,电池板串联数量多使得串联整组的电压、电流高,而且每个发电组件之间的电位都有一定的联系。因此,为实现实时监测光伏发电组件的工作状态并上传数据;第一时间定位故障点的具体位置并给出报警信号。对本检测系统的设计提出以下要求:
1)传感器装置价格低廉,绝缘度高,体积小且重量轻。
2)检测系统对工作温度检测精度应高于1%,任何波形都适用,进而提高测量效率。
3)系统电压测量范围应扩大到6400V。
4)系统采样动作的延迟时间要短且不受外界影响维持长期稳定。
5)检测系统响应速度快,线性度要达0.1%
2总体结构设计
总体监测系统如图1所示,主要由信号采集电路单元、数据处理电路单元、CAN总线数据传输电路单元、稳压电路单元、拨码开关单元和数据处理计算机7部分组成。
图1总体结构
信号采集电路单元由电压信号采集电路和电流信号采集电路组成,电压、电流信号采集电路输入电压和电流信号;CAN总线数据传输电路单元对三个电路单元传输过来的数据作处理;稳压电路单元主要是提供稳定电源。
2.1信号采集电路单元结构
如图2所示,信号采集电路由8个霍尔传感器组成(H1~H7为电压霍尔传感器,H8为电流霍尔传感器)。其中电压霍尔传感器H1~H6检测单块太阳能电池板电压,H7检测串联支路两端总电压,电流霍尔传感器采集太阳能光伏阵列每条支路上的电流信号。
图2信号采集电路单元结构
其中H1~H7使用+15V直流电源供电,H8使用+5V直流电源供电。电压霍尔传感器H1~H7通过接线端子J5~J11与电池板相连(图2)产生霍尔效应,得到0~5V的电压信号。将太阳能电池板输出电流导线穿过带有电流感应孔的电流霍尔传感器H8输出额定值为0~2.5伏直流电压信号。上述电压信号连接单片机U1的A/D引脚(图3),将分压电阻R101~R108(图2)放在单片机U1与霍尔传感器之间,防止感应电压过高而损坏单片机。
图3数据处理电路单元结构
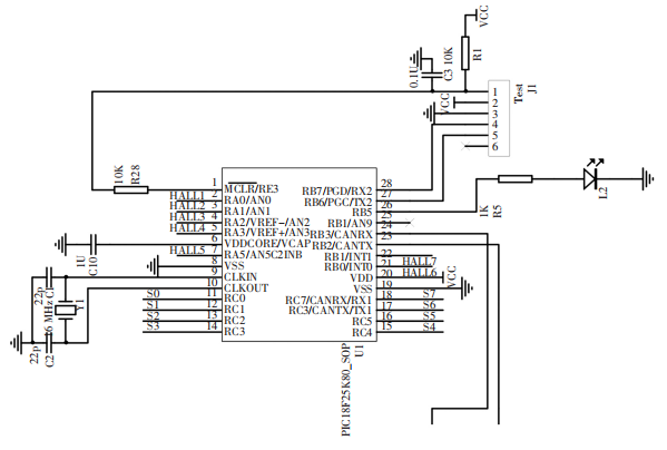
2.2数据处理电路单元结构
数据处理电路由单片机U1(PIC18F25K80)、电阻R28、电阻R1、电阻R5、电容C1~C3、电容C10、晶振Y1、LED灯L2、接线端子J1等构成。将外部+24V直流电源通过稳压电路单元接入接线端子J2的一端,接线端子J2另一端与电源芯片MC7805和MC7815相连,MC7805将24V电源转化为+5V,MC7815将24V电源转化为+15V;+5V直流电源用于为单片机和电流霍尔传感器供电,+15V直流电源用于为电压霍尔传感器供电,而电源部分为通用电路。
单片机U1内部A/D模块对接收到的霍尔传感器输出的电压信号进行数模转换。其内部模块按照如下公式进行数据计算和相应分析处理。
被测电压=((ad结果采样)*基准)/AD位数,8位AD位数=256
被测电流=((ad结果采样)*基准)/AD位数,8位AD位数=256
该算法得到的电压数据和电流数据存储至单片机U1的内部寄存器,再由其内部的ECAN模块将检测结果输出给CAN总线数据传输电路单元;数据处理电路单元中的LED指示灯L2会闪烁时单片机处于工作状态;接线端子J1是编程线,通过连接计算机USB接口可以使用计算机下载、编写和运行调试单片机U1的相关程序。
2.3CAN总线数据传输电路单元结构
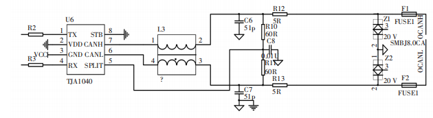
CAN总线数据传输电路(图4)由通讯收发芯片U6(TJA1040)、分压电阻R2和R3、共模滤波电感L3、CAN总线滤波放大电路(图5)、瞬态抑制二极管Z1和Z2、保险F1和F2组成。U6可以实现CAN总线协议的转换,U6的1号引脚(TX)和4号管脚(RX)用来实现与U1之间的数据交互。分压电阻R2、R3连接在U6和U1之间是为了保护电路。通讯收发芯片U6的6号和7号管脚为CAN总线数据连接引脚,在它们外部连接抗感扰的共模滤波电感L3。如图5所示,该电路将输入信号进行滤波、放大,然后采用CAN总线传输电路传送信号。
图4CAN总线传输电路结构
限压型的过电压保护器件瞬态抑制二极管Z1和Z2,可以保护后续电路结构的正常使用,因为该二极管把电路中过高的电压可以控制在一个安全范围内。保险F1和F2主要是保护电路中的其他所有电子元件,以防外部电路中过高的电压输入该电路。CAN总线的OCANH、OCANL端子与接线端子J2相连接,用来执行和上位机之间的通讯操作。
通过拨码开关设置每个基于霍尔传感器的太阳能光伏发电检测系统的站号,拨码开关的每一位与单片机U1的21号~28号I/O引脚相连。每一位有开、关两种状态,手动向上拨即为开向单片机写1,手动向下拨即为关向单片机写0,拨码开关的输出相当于一个8位2进制数,即00000000-11111111,手动调节拨码开关的8个开关触点,生成一个8位2进制数,即一个检测系统的站号,每个单独的电压、电流检测系统在CAN总线中相当于一个节点,每个节点都具有自己D特的站号,可以用来准确识别总线系统里的每一个节点。
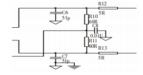
2.4CAN总线滤波放大电路
CAN总线滤波放大电路(图5)由电容C6~C8、电阻R10~R13构成。
图5滤波放大电路结构
上述数据传输电路单元得到的电压数据和电流数据经过分压电阻R2和分压电阻R3流向通讯收发芯片U6,通讯收发芯片U6自带CAN总线通讯协议,在接收到单片机U1传输的电压数据和电流数据后对其进行通讯协议转化,转化后的电压数据和电流数据信号流向共模滤波电感L3,滤除掉信号中的干扰成分,并经过电阻R12和电阻R13的分压保护,经过瞬态抑制二极管Z1和瞬态抑制二极管Z2后流向保险F1和保险F2,最终通过接线端子J2和外部CAN总线相连,并通过CAN总线将测量得到的电压数据和电流数据上传至实时监测光伏组件运行状态的数据处理计算机,完成整个检测流程。
3实验结果分析
为了验证设计的该系统的正确性,以一个实际由6*4维光伏阵列构成太阳能光伏系统为例。系统中共用到28个电压采集电路和5个电流采集电路。该系统共有4条支路并列运行,而且每6个太阳能电池板串联成一组构成一条支路。其中每一个太阳能电池板采用一个电压采集电路对其两端采集电压信号,每条支路也采用一个电压采集电路用来采集该条支路两端的总电压信号;每条支路需要采用一个电流采集电路来采集该条支路的电流信号,此外再安装一个电流采集电路来采集4条支路的总电流。运行结果如图6、图7所示。
图6电压、电流实时状态
图7电压、电流实时状态
实例中每块太阳能电池板额定输出电压为50V,串联后每组额定输出电压为300V。如图6(a)(b)为采用该霍尔传感器结果,(c)(d)为未使用结果图。二者比对分析充分体现该检测系统采用霍尔传感器对电压、电流的测量精度高、波动范围小。同时经由CAN总线将数据结果几乎无延时地上传至上位机,可以实时观测电压、电流数据。而(c)(d)地延时就很长。进一步采用单片机对数据进行分析处理得知每一个光伏组件的运行状态,并对每块太阳能板进行编号,可以清楚地了解光伏发电系统每个电池板的工作状态。
4开云网页版登录入口霍尔传感器产品选型
4.1产品介绍
霍尔电流传感器主要适用于交流、直流、脉冲等复杂信号的隔离转换,通过霍尔效应原理使变换后的信号能够直接被AD、DSP、PLC、二次仪表等各种采集装置直接采集和接受,响应时间快,电流测量范围宽精度高,过载能力强,线性好,抗干扰能力强。适用于电流监控及电池应用、逆变电源及太阳能电源管理系统、直流屏及直流马达驱动、电镀、焊接应用、变频器,UPS伺服控制等系统电流信号采集和反馈控制。
4.2产品选型
4.2.1开口式开环霍尔电流传感器


型号 | 额定电流 | 供电电源 | 额定输出 | 测量孔径(mm) | 准确度 |
AHBC-LTA | 0~(100~300)A | ±15V | 50mA/100mA | φ20 | 0.5级 |
AHBC-LT1005 | 0~1000A | ±15V | 200mA | / | 0.5级 |
AHBC-LF | 0~2000A | ±15V | 400mA | / | 0.5级 |
表3
4.2.4直流漏电流传感器
型号 | 额定电流 | 供电电源 | 额定输出 | 测量孔径(mm) | 准确度 |
AHLC-LTA | DC0~(10mA~2A) | ±15V | 5V | φ20 | 1级 |
AHLC-EA | DC0~(10mA~2A) | ±15V | 5V | φ40 | 1级 |
AHLC-EB | DC0~(10mA~2A) | ±15V | 5V | φ60 | 1级 |
表4
5结论
该系统体积小,重量轻,成本低廉可应用于未来的光伏发电系统,只需依据光伏组件的实际数量做出具体调整即可。并且证明该系统使用的传感器测量的电流、电压信号的精度高、可靠性好。因为该传感器延时短可以即时发现光伏发电系统的故障节点,更加方便工作人员及时对光伏阵列进行维护与检修,进而在保证生产成本的基础上提高了光伏发电效率。
【参考文献】
[1] 李莲,张晓,贾栋.基于霍尔传感器的太阳能光伏发电检测系统
[2] 赵书安.太阳能光伏发电及应用技术[M].南京:东南大学出版社,2011.
[3] 开云网页版登录入口企业微电网设计与应用手册2020.06版