
产品分类
更新时间:2023-11-06
浏览次数:508胡冠楠
开云网页版登录入口电气股份有限公司 上海嘉定
摘要:为了预防综合交通枢纽电气火灾的发生,在天津西站枢纽中设计使用了电气火灾监控系统。首先介绍了电气火灾监控系统在综合交通枢纽中使用的必要性,之后结合天津西站综合交通枢纽实际情况,分析了枢纽电气火灾的成因,并将整个枢纽按照产权区域进行了系统设计,在传统电气火灾监控的基础上,提出了枢纽中广义电气火灾监控系统的概念,并详细介绍了三种火灾探测器的具体设计与安装。工程实践表明该火灾监控系统设计合理,实用,具有一定的推广价值。
关键词:综合交通枢纽;电气火灾监控系统;探测器
引言
近年来,随着铁路客运专线和城市轨道交通的高速发展,城市客运交通系统运输效率的提高变得尤为重要,集铁路客运、城市轨道交通、长途汽车客运、城市公交系统、出租车和停车场于一体的立体式大型客运综合交通枢纽便应运而生。此类大型交通枢纽建筑规模和客流集散量巨大,如果一旦发生火灾,将会造成严重的财产损失和人员伤亡。
据消防局《中国火灾统计年鉴》统计,2007年以来,在发生的火灾中,因电气原因引起的火灾*多,约占火灾总数的30%左右,并有逐年上升之势;在世界五大建筑火灾的经典案例中,四起是由于电线短路引起,另外一起是由于高温灯具烤燃纱幕引起。此外,电气火灾的发生并无明显征兆,依靠传统的人工检修与巡视,很难在在火灾发生之前察觉。
面对如此严峻的电气火灾形势,本着“防范胜于救灾"的理念,根据GB50016-2006《建筑设计防火规范》、GB14287-2005《电气火灾监控系统》等有关国家标准规范,并参考了GB50116-2008《火灾自动报警系统设计规范》,作者在天津西站综合交通枢纽中采用了电气火灾监控系统监测配电系统中的漏电、电流、温度等参数的变化,来预防电气火灾的发生。
一、项目概况
新建天津西站综合交通枢纽是配套京沪高速铁路建设的五大铁路客运枢纽之一,是集京沪、津保、津秦高速铁路、京津城际铁路、普速铁路、城市轨道交通、长途客运、城市公交、出租和停车于一体的大型综合交通枢纽。除铁路站房主体之外,与天津西站站房工程同步配套建设的工程有:南北广场及地下换乘区以及出租车蓄车场、停车场工程,长途客运工程、城市公交车场工程,地铁1号线、4号线、6号线车站及相邻区间工程,见下图1:天津西站综合交通枢纽总平面图。

二、综合交通枢纽电气火灾成因分析
2.1配电系统漏电以及短路导致火灾
综合交通枢纽中用电负荷较多,配电系统复杂,大部分配电缆线是经钢管及金属桥架进行敷设,所以在施工的过程中,缆线很容易被碰压,磨擦,使缆线的绝缘能力下降,导致缆线与缆线之间、缆线与其保护钢管之间、缆线与桥架之间有一部分电流通过,发生漏电现象。如果缆线绝缘能力继续下降而发生破损,缆线与缆线之间,缆线与大地之间发生接触,则会发生短路,而使电流聚增。在漏电以及短路发生时,如果电流就是线路的某一个流经电阻局部较大的介质,则会在该处产生高温,可能会致使周围可燃物引燃,有时在漏电以及短路时产生的电火花也可能会产生火灾。漏电与短路除可以导致火灾外,也容易直接对人造成伤害。
2.2接触电阻过大导致火灾
在综合交通枢纽中,供电区域较广,用电设备较多,从何导致了供电线缆、配电箱、开关柜数量的增多,而在线缆与用电设备、线缆与线缆、线缆与断路器、熔断器,线缆与电气仪表等处均有接头,接头数量也随之增多。如果接头处理良好,则接触电阻不会太大,接头点的发热就很少,可以保持在正常温度运行。如果接头中有杂质,或者施工时连接不牢靠,或者一些其他原因使接头接触不良,则会造成接触部位的局部电阻过大,当电流通过接头时,就会在此处产生大量的热,形成高温,严重时会引起金属变色甚至熔化,引起缆线的绝缘层老化甚至发生燃烧,并引燃附近的可燃物或导线上积落纤维等,从而造成火灾。
2.3过载运行导致火灾
在枢纽中,由于用电设备的多样性,以及运营后期设备的不断增加使用,使用中极有可能会发生供电线路过载运行的情况,缆线在过载运行时,缆线的温度就会升高,从而加快了缆线绝缘层老化变质。当发生严重过负荷情况时,导线的温度会不断升高,甚至会引起缆线的绝缘层破坏而引起燃烧,并引燃导线附近的可燃物,从而造成火灾。
4电缆桥架,电缆支架内环境温度的升高引起火灾
在枢纽中,大量的电缆均通过封闭式金属桥架进行敷设,电缆桥架中电缆数量也较多,加上枢纽中各种负荷长期的运行,桥架内温度难免会升高,如此便会使电缆的绝缘层老化加速,从而加速绝缘层的破坏,从而引起火灾。
基于以上几点,在天津西站综合交通枢纽中设计了电气火灾监控系统来预防火灾的发生。
根据GB50116—2013《火灾自动化报警系统设计规范》,对电气火灾隧道的安装提出要求。
三、电气火灾监控在天津西站枢纽中的应用
3.1电气火灾监控系统的定义
规范GB14287-2005《电气火灾监控系统》中将电气火灾监控系统定义为:当被保护线路中的被探测参数超过报警设定值时,能发出报警信号、控制信号并能指示报警部位的系统,它由电气火灾监控设备、电气火灾监控探测器组成。电气火灾监控设备是能接收来自电气火灾监控探测器的报警信号,发出声、光报警信号和控制信号,指示报警部位,记录并保存报警信息的装置,也就是习惯称呼的“监控主机"。火灾监控探测器又分为剩余电流式电气火灾监控探测器和测温式电气火灾监控探测器。
规范GB50116—2008《火灾自动报警系统设计规范》中规定电气火灾监控系统应有电气火灾监控设备、剩余电流式电气火灾监控探测器测温式电气火灾监控探测器以及线型感温火灾探测器四部分组成。
本工程选择了由监控主机、剩余电流式探测器,测温式探测器,感温光纤式火灾探测器组成的电气火灾监控系统。
3.2天津西站枢纽电气火灾监控系统总体设计原则
西站枢纽包括铁路站房工程、公交场站工程、枢纽控制中心工程、市政道路工程、南北广场工程、地下停车场工程及轨道交通地下结构工程等部分。如果整个枢纽采用一套电气火灾监控系统,则所涵盖范围太广,施工难度也较大,测量点太多,不易处理;此外,各个工程在运营阶段分别隶属于不同的产权单位,管理权并不统一,若使用一个系统,则容易引起管理混乱,权责不分。所以,在设计中,电气火灾监控系统在西站枢纽工程中是按工程的产权隶属来进行分别设置。
首先,西站枢纽中综合监控系统在设计时按照各个不同的产权单位进行了大区域分割。站房工程产权属于铁路,设立一套独立电气火灾监控系统,并纳入铁路SCADA系统;轨道交通地下工程纳入其各自地铁系统进行监控;公交场站工程以及市政道路工程由于用电负荷较少,建筑相对独立,规模较小,未设单独电气火灾监控系统;南北广场工程、地下停车场工程以及控制中心工程管理单位一样,可以作为一个监控的大区域来考虑,本文以下将对该大区域火灾监控系统的设置做详细介绍。
3.3火灾监控系统的具体设计
3.3.1火灾监控系统的系统框架设计
由于该区域的建筑规模和用电设备的多样复杂,特别是南广场地下公共换乘区作为铁路、汽车、出租车以及公交等的换乘节点,规模较大,配电系统复杂,若南北广场、地下停车场以及控制中心由一个传统意义的监控系统负责,数据处理以及日后运营管理起来不是特别方便。
综合考虑各种因素,将这一大区域的火灾监控系统作为一个广义的监控系统来进行处理,然后再按照每个降压变电所的供电区域设置电气火灾监控分系统,即传统意义上的火灾监控系统,这样划分的分系统需监测电气量并不十分庞大,同时也利于管理和查找故障点,便于运营维护和检修。建立分系统之后,各分系统通过RJ45接口(通信协议TCP/IP协议)组网后首先接入换乘区综合监控室综合监控系统,之后接入到控制中心的综合监控系统调度管理主机。
可见,该广义上的电气火灾监控系统主要分为三级节点监控:一为控制中心综合调度主机,二节点为各个工程范围内的综合监控室,三级节点为各个工程的各变电所(系统监控主机)。
3.3.2电气火灾监控分系统工作原理
电气火灾各分系统由电气火灾监测主机、无线蓝牙剩余电流式电气火灾监控探测器、蓝牙测温式电气火灾监控探测器、线型光纤电气火灾监控探测器和数据集中器等部分组成。
无线蓝牙剩余电流式电气火灾监控探测器、测温式电气火灾监控探测器将其探测信号经过蓝牙无线方式传输给数据集中器,数据集中器将信号处理后经过现场总线(总线长度小于800米时采用RS485,大于时采用通信光纤)上传到监控主机;线型电气火灾探测器可与监控主机直接连接。监控主机实现对其各个信号的处理、报警、控制、统计、管理、通信等功能。电气火灾详细信息从该系统主机的图形界面上查看。当发生电气火灾报警时,监控主机、火灾报警控制器均发出声光报警信号,但不联动电气设备的跳闸回路。监控主机安放在变电所控制室内的标准机柜内。监控主机具备同时处理、连接测温式电气火灾探测器、剩余电流式电气火灾探测器和线型感温光纤探测器的能力,并将报警信息和温度/剩余电流实时信息通过RJ45接口(通信协议TCP/IP协议)上传到综合监控室内系统主机,之后将信息上传至控制中心。
3.3.3火灾监控系统设备的检测范围与探测对象
由本文第2节可知,常见的火灾诱发由漏电或短路、接触电阻过大、过载运行以及温度升高所引起。基于此,系统检测设备的检测范围与探测对象如下:
(1)目前统计的电气火灾中,属于漏电以及短路所引起的占到了60%,由于火灾在发生之前依靠传统的人工巡查来发现漏电问题是不现实的,所以对漏电未造成进一步火灾之前的预先报警显得尤为重要,所以需要借助剩余电流互感器来进行预先报警,以期早发现问题早解决,防止火灾发生。本工程剩余电流探测器选用具有蓝牙数据传输功能的剩余电流式电气火灾监控探测器。
监测范围:低压开关柜中所有回路、环控电控柜中除风阀外的所有回路,商业照明配电箱主回路、所有动力配电箱主回路。
安装位置:安装在低压开关柜或配电箱内低压开关的下方,安装图如下:
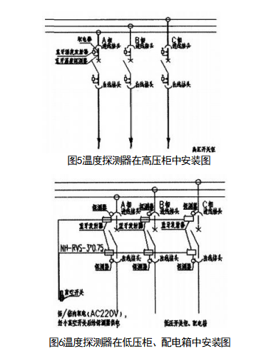
(2)面对接触电阻过大引发火灾的问题,选用测温式探测器进行检测。本工程选用接触式布置的蓝牙测温式电气火灾监控探测器,对高低压配电系统重要回路接头部位的温度进行检测,监测这些回路的低压开关触头、电气连接处、母线接头、电缆头等位置的实时温度。
监测范围:高压开关柜手车接头、低压开关柜中电容器回路、有源动态补偿回路、设备容量超过100kVA的回路,环控室环控电控柜的每个回路,商业照明及商业动力配电箱主回路。
安装位置:高、低压柜内或配电箱内,安装图如下:
(3)面对过载及电缆桥架等处温度升高的火灾隐患,使用感温光纤对其进行检测,线型光纤电气火灾监控探测器保护对象为电缆桥架、电缆沟、电缆夹层、电缆竖井的温度,根据设定的温度限值,给出相应的预警和报警。
监测范围:监测电缆竖井内电缆密集段、电缆桥架内的电缆密集段(15条电缆以上)的电缆温度,敷设示意图如下:
如上所述,在本工程中在*常发生火灾的故障点分别设置了不同的探测器来进行检测,预防电气火灾的发生。
四、开云网页版登录入口电气火灾监控系统
4.1概述
Acre1-6000电气火灾监控系统,是根据中心的消防电子产品试验认证,并且均通过严格的EMC电磁兼容试验,保证了该系列产品在低压配电系统中的安全正常运行,现均已批量生产并在全国得到广泛地应用。该系统通过对剩余电流、过电流、过电压、温度和故障电弧等信号的采集与监视,实现对电气火灾的早期预防和报警,当必要时还能联动切除被检测到剩余电流、温度和故障电弧等超标的配电回路;并根据用户的需求,还可以满足与AcreIEMS企业微电网管理云平台或火灾自动报警系统等进行数据交换和共享。
4.2应用场合
适用于智能楼宇、医院、高层公寓、宾馆、饭店、商厦、工矿企业以及石油化工、文教卫生、金融、电信等领域。
4.3系统结构
4.4系统功能
(1)监控设备能接收多台探测器的剩余电流、温度信息,报警时发出声、光报警信号,同时设备上红色“报警"指示灯亮,显示屏指示报警部位及报警类型,记录报警时间,声光报警一直保持,直至按设备的“复位"按钮或触摸屏的“复位"按键远程对探测器实现复位。对于声音报警信号也可以使用触摸屏“消声"按键手动消除。
(2)当被监测回路报警时,控制输出继电器闭合,用于控制被保护电路或其他设备,当报警消除后,控制输出继电器释放。
(3)通讯故障报警:当监控设备与所接的任一台探测器之间发生通讯故障或探测器本身发生故障时,监控画面中相应的探测器显示故障提示,同时设备上的黄色“故障"指示灯亮,并发出故障报警声音。电源故障报警:当主电源或备用电源发生故障时,监控设备也发出声光报警信号并显示故障信息,可进入相应的界面查看详细信息并可解除报警声响。
(4)当发生剩余电流、超温报警或通讯、电源故障时,将报警部位、故障信息、报警时间等信息存储在数据库中,当报警解除、排除故障时,同样予以记录。历史数据提供多种便捷、快速的查询方法。
4.5配置方案
应用场合 | 型号 | 产品照片 | 功能 |
消防控制室 | Acrel-6000/B |
| 适用于1~4条通信总线*多可连接256个探测器,可适用于壁挂安装的场所。 |
Acrel-6000/Q |
| 适用于大型组网,壁挂式监控主机数量较多且需集中查看的场所,主要监测壁挂主机信息。 | |
一、二级 低压配电 | ARCM200L-Z2 |
| 三相(I、U、kW、Kvar、kWh、Kvarh、Hz、cos中),视在电能、四象限电能计量,单回路剩余电流监测,4路温度监测,2路继电器输出,4路开关量输入,事件记录,内置时钟,点阵式LCD显示,2路独立RS485/Modbus通讯 |
ARCM200L-J8 | 8路剩余电流监测,2路继电器输出,4路开关量输入,事件记录,内置时钟,点阵式LCD显示,1路RS485/Modbus通讯 | ||
ARCM300-J1 |
| 1路剩余电流监测,4路温度监测,1路继电器输出,事件记录,LCD显示,1路RS485/Modbus通讯 | |
AAFD-□ |
| 检测末端线路的故障电弧,485通讯,导轨式安装。 | |
ASCP200-□ |
| 短路限流保护、过载保护、内部超温限流保护、过欠压保护、漏电监测、线缆温度监测,1路RS485通讯,1路GPRS或NB无线通讯,额定电流为0-40A可设。 | |
| 短路限流保护、过载保护、内部超温限流保护、过欠压保护、漏电监测、线缆温度监测,1路RS485通讯,1路NB或4G无线通讯,额定电流为0-63A可设。 | ||
配套附件 | AKH-0.66 |
| 测量型互感器,采集交流电流信号 |
AKH-0.66/L |
| 剩余电流互感器,采集剩余电流信号 | |
ARCM-NTC |
| 温度传感器,采集线缆或配电箱体温度 |
五、结束语
(1)对于大型的综合交通枢纽而言,电气火灾监控系统的设置应该按照其产权的归属来进行分区域设置。
(2)现场实践表明,产权单位统一的大区域工程采用广义火灾监控系统模式便于现场管理与故障点排除。
(3)在现场实际使用过程中,漏电探测器会发生误报的现象,*后通过多次调整漏电报警阀值的调整得以解决,如果以后产品能够做到根据实时监测数据与历史检测数据进行漏电阀值的自动修正,那么该系统将会更好。
总之,该系统在天津西站枢纽使用中得到了较好的效果,具有一定的推广意义。
【参考文献】
. 王斌晓.电气火灾监控系统在天津西站综合交通枢纽中的应用.铁道第三勘察设计院集团有限公司.
. GB50016-2006建筑设计防火规范[S].北京:中国计划出版社,2006.
. GB14287.1-2005电气火灾监控系统1部分:电气火灾监控设备[S].北京:中国标准出版社,2005.
. GB14287.2-2005电气火灾监控系统2部分:剩余电流式电气火灾监控探测器[S].北京:中国标准出版社,2005.
. GB14287.3-2005电气火灾监控系统3部分:测温式电气火灾监控探测器[S].北京:中国标准出版社,2005.
. GB50116-2008火灾自动报警系统设计规范[S].北京:中国计划出版社,2010.
. GB50052-2009供配电系统设计规范[S].北京:中国计划出版社,2010.
. 开云网页版登录入口消防应急照明和疏散指示系统/防火门监控系统/消防设备电源监控系统/电气火灾监控系统选型手册.2022.05版