
产品分类
更新时间:2024-01-15
浏览次数:880胡冠楠
开云官方端网站登录入口电气股份有限公司 上海嘉定 201801
摘要:依据对上海市某大型商场现场考察的结果,提出通过建设云能耗管理系统的方案来改善商场能耗的管理现状。首先充分搜集建筑信息和设备运行工况,合理设计系统实施方案,解决现场数据采集和传输障碍,完成云能耗管理系统的建设,成功实现云能耗管理系统的稳定运行,提高商场运营管理效率;其次根据云能耗管理系统的统计结果,结合节能工程实际需要,在已有功能基础上进行二次研发创新,设计出设备用能计时功能,并完成现场试验,为未来的节能改造工程效果评估和项目验收提供科学依据。
关键词:云能耗管理系统;信息采集;系统实施功能;计时
0引言
目前,能耗管理系统在钢铁生产、发电、成品油管道、大型公建等方面已得到广泛研究与应用。大型公共建筑的高耗能特征一直备受社会关注,大型商场单位建筑面积能耗远远高于宾馆饭店、写字楼、综合性商务楼和中央空调系统能量传输距离长、并且采用全空气系统;三是运行时间长,一般每天运行12h以上,不分工作日、休息日。
1云能耗管理系统系统
本研究将能耗管理系统应用于上海市某大型商场,完成系统设计与实施,并分析商场能耗的时
间分布特征。商场能耗管理系统主要依据上海市《公共建筑用能监测系统工程技术规范》设计。
1.1信息采集
1.1.1建筑信息
商场由20世纪80年代建设的旧工厂改造而来,于2012年6月开始营业。商场总建筑面积
110401m2,其中餐饮建筑面积共23594m2,商场建筑面积共34937m2。各功能建筑的建筑面积如表1
所示。建筑结构信息如表2所示。

1.1.2能耗信息
商场的分类能耗包含水、电和天然气。水和天然气的主要消费对象是餐饮建筑。餐饮建筑的能耗由餐饮公司运营管理,能耗管理系统仅统计每月总能耗数据。会所用电设备主要包括照明、分体式中央空调系统分布如表4所示。

综上,商场共有18台中央空调主机,均采用2管制一次泵设计,安装了施耐德的楼宇自动化系统,监控计算机安放在监控机房内。
1.2系统实施
按照能耗分类分项的原则,采用二级计量方案实现对商场能耗的监测。一级按照建筑分区划分,二级按照建筑楼层或者功能区(针对商场建筑)划分。信息中心设置在5#楼工程部所在办公室。
1.2.1存在问题
系统服务器管理对人员的计算机水平有一定要求,需要人力和财力投入。54个三相智能电表数据采集点均采集电压、电流、峰谷平电量5个数据。数据采集量大,准确性要求高,严峻考验数据采集器、能耗系统的采集能力和数据处理能力。采集点分散,传输距离远,信号衰减严重。智能水表分散分布,数据采集布线成本较高。施耐德楼宇自动化系统(WorkplacePro)提供末端温度、启停时间等数据,数据共享需要解决数据接口与数据传输问题。
1.2.2解决方案
选用B/S架构云能耗管理系统,系统服务器由专业队伍管理,稳定、安全、有保障。现场主要设备包含智能表计和通讯管理机,通讯管理机数据通过商场TCP/IP网络上传到云服务器。系统采用工业级数据采集通讯管理机,具有4个RS232/485端口和2个以太网口(选择配置GPRS模块)。每个端口对应一条485总线,限制总线负载小于32台,确保通信质量。该通讯管理机同时具备数据采集、存储和转发功能,支持离线存储和断点续传(配备2GSD存储卡)。通讯管理机采用多种技术来保证现场设备数据安全,包括限制数据访问IP地址,设置测点的读写权限等。采用分组采集数据的方案,如将分布相对集的3#、4#、5#、6#分为一组,各分组的总线传输距离小于1200m,同时满足总线负载设备台数小于32部分建如7#停车场与商场一路之隔,相距较远且布线困难。经现场试验,无线信号(射频)传输方式穿墙较多,且停车场墙体为信号阻隔较强的砖混结构,射频信号衰减严重,数据基本无法传出停车场,通信质量不合格。通过多次现场测试,*终选择GPRS信号传输方案实现停车场能耗数据上传。7#单独配备通讯管理机,将GPRS数据直接上传云服务器。智能水表选用无线远传智能水表,支持ModbusRTU标准协议。智能水表与通讯管理机中间加设采集集中器,集中器采用无线透明传输技术,扩展水表数据的传输距离。能耗管理统需要采集商场室内外温度和中央空调的启停数据,数据源来自楼宇BA系统。经工程师多次现场勘察,通过施耐德工程师确认,可利用现有UNC交换机网口,使用BA系统的配置工具,开启BACnet功能,选取室内外温度和启停信号数据并开放给能耗管理系统。通讯管理机通过网线连接到UNC交换机,并将采集到的数据转发给云能耗管理系统。
2云能耗管理系统功能
能耗概览主要面向高层管理者,提供商场能耗总览,单位建筑面积能耗、碳排放、能耗排名、能源成本及构成等信息。显示分类分项能耗实时或周、月、年变化趋势。
数据分析包含分项分析、分区分析、示数查询、能耗排名。管理人员根据时间、分项、分区等条件选择性查询商场能耗。示数查询功能为用户提供了所有智能电表电压、电流、峰谷平电量历史数据的查询功能,显示历史变化曲线,时间范围由秒到小时,用户可根据需要自由设置。
报警管理记录任何计量设备出现的异常情况和用能设备的异常用电情况。管理人员、工程人员都可以根据分类及时间条件查看异常历史记录。
单位信息展示项目单位及其下各个建筑的基本信息。包括基本信息栏、附加项信息栏、备注项信息栏。该商场包含多个建筑,可以通过下拉框进行筛选。BA系经数据共享方案如图1所示。

报表管理为管理者查看商场的用电情况报表提供了便利,分为抄表记录、支路用电、综合统计、项目报告、用能计时等5个部分,选择相关条件后,点击“预览"按钮可以展示报表,点击“导出"按钮,报表会导出为excel格式,方面用户再次编辑和打印。
计时功能是在能耗管理系统功能基础上,结合节能公司工程应用经验而二次研发设计的功能,无额外硬件投入。EMC合同能源管理照明节能改造效果评估指标之节能量计算需要2个重要参数,分别是照明负荷和照明时间。照明负荷可以根据现场统计的灯具数量、功率计算,而照明时间则通常是采用双方商定的方法确定,容易引起争议,且无法随天气、季节、客流量(商场)等因素变化而变化,与实际照明时间存在偏差。
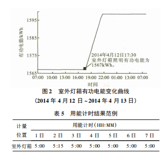
计时功能分中央空调系统运行时间是利用BA系统的启停数据统计空调系统运行时间。照明计时功能是根据有功电能递增斜率判断回路照明的开关状态并统计照明灯具开启时间。如果智能电表仅测量单一回路,如以下室外灯箱照明回路,仅需判断递增斜率大于0即可;如果测量多个回路,需要首先了解每日回路开关组合规律及大致开关时间点,结合回路照明负荷或者历史有功电能变化曲线,确定各开关组合依次开启时功电能的递增斜率,确定合理阀值作为回路开启判断的依据。如果智能电表为单相表,可以直接通过电流的变化来判断照明回路的开关状态。室外灯箱有功电能变化曲线如图2所示。用能计时结果范例如图5所示。

6)个人设定用于配置用户的个人设定。用户可以在此页面中修改自己的基本信息。
3Acrel-EIOT能源物联网云平台
(1)概述
Acrel-EIoT能源物联网开放平台是一套基于物联网数据中台,建立统一的上下行数据标准,为互联网用户提供能源物联网数据服务的平台。用户仅需购买开云官方端网站登录入口物联网传感器,选配网关,自行安装后扫码即可使用手机和电脑得到所需的行业数据服务。
该平台提供数据驾驶舱、电气安全监测、电能质量分析、用电管理、预付费管理、充电桩管理、智能照明管理、异常事件报警和记录、运维管理等功能,并支持多平台、多语言、多终端数据访问。
(2)应用场所
本平台适用于公寓出租户、连锁小超市、小型工厂、楼管系统集成商、小型物业、智慧城市、变配电站、建筑楼宇、通信基站、工业能耗、智能灯塔、电力运维等领域。
(3)平台结构

(4)平台功能
◆电力集抄
电力集抄模块可以实现对各种监测数据的查询、分析、预警及综合展示,以保证配电室的环境友好。在智能化方面实现供配电监控系统的遥测'、遥信、遥控控制,对系统进行综合检测和统一管理;在数据资源管理方面,可以显示或查询供配电室内各设备运行(包括历史和实时参数,并根据实际情况进行日报、月报和年报查询或打印,提高工作效率,节约人力资源。

变压器监控

配电图
◆能耗分析
能耗分析模块采用自动化、信息化技术,实现从能源数据采集、过程监控、能源介质消耗分析、能耗管理等全过程的自动化、科学化管理,使能源管理、能源生产以及使用的全过程有机结合起来,运用先进的数据处理与分析技术,进行离线生产分析与管理,实现全厂能源系统的统一调度,优化能源介质平衡、有效利用能源,提高能源质量、降低能源消耗,达到节能降耗和提升整体能源管理水平的目的。

能耗概况

◆预付费管理
1)登陆管理:管理操作员账户及权限分配,查看系统日志等功能;
2)系统配置:对建筑、通讯管理机、仪表及默认参数进行配置;
3)用户管理:对商铺用户执行开户、销户、远程分合闸、批量操作及记录查询等操作;
4)售电管理:对已开户的表进行远程售电、退电、冲正及记录查询等操作;
5)售水管理:对已开户的表进行远程售水、退水、记录查询等操作;
6)报表中心:提供售电、售水财务报表、用能报表、报警报表等查询,本系统所有的报表及记录查询,都支持excel格式导出。

预付费看板
◆充电桩管理
通过物联网技术,对接入系统的充电桩站点和各个充电桩进行不间断地数据采集和监控,同时对各类故障如充电机过温保护、充电机输入输出过压、欠压、绝缘检测故障等一系列故障进行预警。云平台包含了充电收费和充电桩运营的所有功能,包括城市级大屏、交易管理、财务管理、变压器监控、运营分析、基础数据管理等功能。
充电桩看板
◆智能照明
智能照明通过物联网技术对安装在城市各区域的室内照明、城市路灯等照明回路的用电状态进行不间断地数据监测,也可以实现定时开关策略配置及后台远程管理和移动管理等,降低路灯设施的维护难度和成本,提升管理水平,并达到一定节能减挂的效果。

监控页面
◆安全用电
安全用电采用第一时间的排查和治理,达到消除潜在电气火灾安全隐患,实现“防患于未然"的目的。
◆智慧消防
通过云平台进行数据分析、挖掘和趋势分析,帮助实现科学预警火灾、网格化管理、落实多元责任监管等目标。T补了原先针对“九小场所"和危化品生产企业无法有效监控的空白,适应于所有公建和民建,实现了无人化值守智慧消防,实现智慧消防“自动化"、“智能化"、“系统化"、用电管理“精细化"的实际需求。
(5)系统硬件配置




4结束语
该项目将云概念导入能耗管理系统,结合上海市的能耗管理系统工程规范,根据现场调研结果,充分利用商场已有条件,设计系统实施方案,完成能耗管理平台的建设与运行。根据前期运行结果,创新性地研发出系统的空调设备和照明设备的计时功能,一方面完善了系统功能,另一方面便利了节能改造工程的效果评估。目前,商场云能耗管理系统已通过验收并正常运行。
参考文献:
[1]魏庆芃,张晓亮,王远,等.北京市大型商场用能现状与主要节能策略[J].暖通空调,2006,36(刊):114-118.
[2]林静,李洪臣,施春晖,蒋文荣.云能耗管理系统在某大型商场的应用
[3]企业微电网设计与应用手册2022.05版.