
产品分类
更新时间:2024-06-20
浏览次数:531[摘要]简要介绍了热继电器、电子式电动机保护器和智能电动机保护器的优缺点,并阐述了智能电动机保护器如何正确的选型,重点比较了智能电动机保护器保护模式、端子控制模式、全通信模式、半通信模式等几种常见 工作模式,介绍这4种模式适用的实际情况,最后通过分析智能电动机保护器在工程实际应用中的常见问题,给出 了相应解决方法和建议。
[关键词]智能电动机保护器;过载保护;选型;工作模式;保护模式;端子控制模式;全通信模式;半通信模式
前言
低压电动机作为有色冶炼企业底层大量使用的设备,其异常运行不仅影响冶炼厂的正常生产,还会 威胁到人的生命安全,因此为电动机设置合适而又全面的保护至关重要。智能电动机保护器集保护、 遥测、通信、遥控、显示等功能于一体,是目前功能全面的电动机保护设备,能最大限度保证设备运行 的安全可靠性,从而实现智能化和高精度保护,同时还能对电动机的状态进行全面监控。
一、电动机过载保护设备的发展
1.1 热继电器
热继电器是一种传统的电动机保护装置,使用不同热膨胀系数的双金属片来实现反时限保护。其 特点是结构简单、价格低廉,但也存在稳定性、重复性差和保护功能单一等缺点。
1.2 电子式电动机保护器
随着电子技术的不断发展,电子式电动机保护 器应运而生,从最初的模拟电路的固态继电器发展到后来的数字电路的智能型继电器,特别是微处理器的发展,让电动机保护器实现了测量、保护和控制 功能于一体。通过采集电流、电压、频率和热电阻信 号,可以实现短路、过载、堵转、超时起动、接地、缺相 或不平衡保护等多种保护功能,并能满足各种起动控制方式。
1.3 智能电动机保护器
随着微机通信技术和网络技术的发展,智能电 动机保护器又增加了通信模块,通过双向通信和组 网技术,不仅可以采集数据,在线监视运行状态,还 能实现远程控制。特别是现场总线型网络通信的应 用,简化了网络结构,大大减少了控制线缆的使用。国内外许多电器公司推出了多款微机型智能保护装置。
二、智能电动机保护器构成和功能
2.1 智能电动机保护器的构成智能电动机保护器由主体模块、显示模块两部 分构成。主体模块包含电源模块、数字信号处理器、 开关量输入输出模块、模拟量采集模块、通信模块 等;显示模块负责显示运行参数以及保护整定值的 设置。若主体模块和显示模块合为一体,则称为一体 式智能电动机保护器;若分开,则称为分体式智能电 动机保护器。部分智能电动机保护器的测量模块也 独立于本体之外。
2.2 智能电动机保护器的功能
智能电动机保护器通过微处理器采集并处理电机回路的电流和电压信号,并根据遥控指令或者就 地控制指令确定电机起动或停止。虽然不同品牌 的产品名称、型号各异,但其核心功能基本都一 样,具体如下:
保护功能。包括过载、断相、堵转、启动超 时、单相接地、短路、外部故障、欠电流、欠电压、过电压保护和温度保护等
2)测量功能。可测量相电流、相电压、线电压、 零序电流、有功功率、无功功率、功率因数、频率和相 位角等。
3)计量功能。可计量有功电度和无功电度。
4)控制功能。具有多路数字量输出口,可实现 电动机的直接起动、双向动、双速启动和星三角降压 启动等。
5)管理功能。包括电动机累计运行时间记录, 电动机累计起动次数和起动时间记录、故障动作记 录和电动机起动报告。
6)信息采集功能。具备多路数字量输入接口 和模拟量输入接口,可采集电动机相关的各种电气状态数字信号(断路器状态、接触器状态以及控制 命令)和电动机绕组测温模拟信号。
7)通信功能。可配备多种通信接口,如MODBUS、PROFIBUS-DP、 DeviecNet和Ethnet-IP等,可实现 远程的起、停控制和状态量的反馈。
三、智能电动机保护器的合理选型
智能电动机保护器的选用应该根据安装地的自然环境、电磁环境以及测控保护和控制需求来 确定。
1)安装位置的环境条件。主要指温度、腐蚀 度、震动度、风沙、海拔、电磁污染等。和热继电器不同的是,智能电动机保护器是一种电子元器件,对环境的要求相对严苛,这一点需要特别注意。
2)控制电压。根据系统的控制电压选择适配的智能电动机保护器,部分厂家的电动机保护器仅提供24DV的电源输入接口。
3)测控保护需求。根据电动机的类型、特点、功率大小和重要程度,选择采用哪些测量功能和保护功能。
4)控制需求。根据工艺的操作需求确定控制需求,选择手动、自动、就地控制或远程控制等控制 模式以及需要的控制功能和控制点数,继而确定输入、输出端子的数量和功能是否满足要求。
5)通信需求。根据需求确定是否采用通信的方式进行遥控和遥信,进一步确定采用何种通信 方式。
6)配合柜体的需求。根据不同的柜体,选择一 体式还是分体式的智能电动机保护器。一般情况下,固定柜选择一体式的保护器,抽屉柜选择分体式 的保护器。
7)特殊需求。是否要求输入输出端子可自由 定义功能。
四、智能电动机保护器的应用实例
在有色冶炼中,根据工艺需求和客户需求,智能电动机保护器的主要应用模式有保护模式、端子控 制模式、全通信模式和半通信模式。
4.1 保护模式
在保护模式下,智能电动机保护器只利用其自身的保护功能和测量功能,不参与外部控制,相当于 原来热继电器的作用。具体接线如图1所示。这种模式适用于原有系统的改造升级,外部的 控制接线修改很小。优点在于最大限度减少了因智能电动机保护器装置本身出问题或通信出问题带来的风险;缺点是没能充分发挥智能电动机保护器的功能,远程DCS控制线路仍然采用的是硬线。部分比较保守的客户由于对通信稳定性和可靠性的不信任,普遍采用这种模式。

4.2 端子控制模式
在端子控制模式下,智能电动机保护器通过自 身的开关量输入端子采集外部控制命令,继而控制 其开关量输出电动机的起、停或正反转等,具体接线 如图2所示。
在该模式下,智能电动机保护器具备保护和控 制两个功能,相比上面的保护模式,优势在于可以充 分使用智能电动机保护器的控制功能,但和保护模 式一样,其远程DCS控制线路仍为硬线。
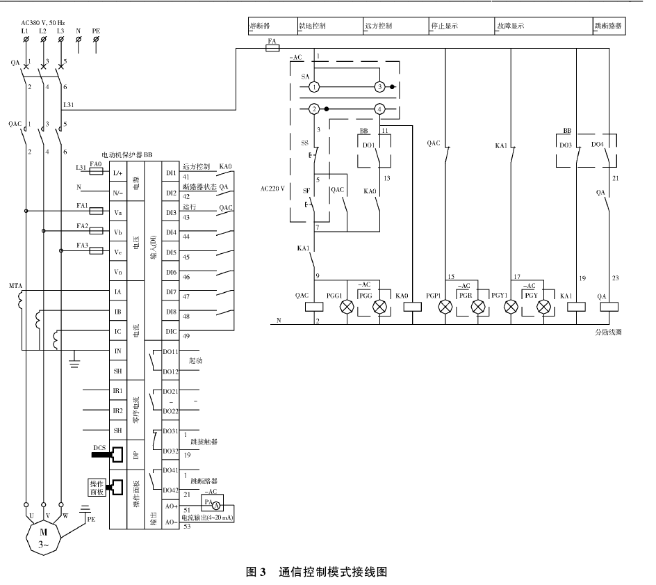
4.3 全通信模式
在全通信模式下,就地控制时智能电动机保护 器只起保护作用,不参与控制,相当于保护模式;远程DCS通过通信线路控制智能保护器输出电机起、停或正反转等命令,如图3所示。这种模式的优势主要体现在两个方面:一是保 证了就地控制的独立性,尽可能规避通信控制带来的风险,提高了安全系数;二是大大减少了电缆的使 用和接线的工作量。

影响这种模式推广的关键因素是客户对通信的稳定性和可靠性的担忧。实际应用中,个别工程出现过 通信不畅、经常掉线、易受干扰等问题,但基本都是由 于通信网络方案不合理、施工质量不佳以及通信线路 和产品质量有问题等因素导致的,全通信模式本身已 经很成熟,并不存在大的问题,国内外早已大量应用。
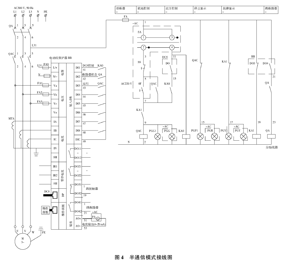
4.4 半通信模式
半通信模式的特点是电机的远程DCS起、停控 制仍然采用硬线,只有状态信号的上传走的是通信网络,所以称为半通信模式,接线如图4所示。半通信模式介于保护模式和通信模式之间,是 一种折中的应用。其应用背景为:客户对智能电动机保护器信心不足,担忧由于通信不可靠导致电机 的起、停不受控制,继而影响生产或带来安全事故, 故远程的控制信号仍然采用硬线方式传输。不过这 种模式也为将来改为全通信模式留出了接口,方便日后升级改造。以上仅以普通电机单相运行为例,列出智能电 动机保护器4种常用的工作模式,每种模式都有其 应用的背景和现实需求,设计人员需要根据工程实 际和需求来选用合适的工作模式。
五、问题和建议
5.1 智能电动机保护器短路保护的问题
智能电动机保护器具有很多种保护功能,短路保护是其中之一。其主要保护逻辑是根据采集的电流进线分析和计算,当电流超过5倍电机额定电流时,其短路保护出口发出断路器跳闸命令。该跳闸 命令是通过断路器的分励线圈来实现的,具体可以参见图1。这个逻辑本身没有问题,问题出在智能 电动机保护器和分励线圈的工作电源上。一般情况下,该工作电源从电动机主回路的某一相上取电,当时,该相电压 也会下降。当电压下降到小于
智能电动机保护器和分励脱扣器的正常工作电压时,智能电动机保护器 和分励线圈均无法正常工作,短路保护也无法实现。其实电动机主回路的断路器本身就具备很好的短路保护功能,所以智能电动机保护器设置短路保护必 要性不大。
5.2 智能电动机保护器测量准确度低的问题
智能电动机保护器基本只配备一组三相CT,而 保护器的保护功能肯定是D一位的,测量和计量功能只是附带的,因而配置的CT首先要满足保护功能的需求。保护功能所用CT要求较大的故障电流 通过时铁心不能饱和,以便较好地反映一次电流值, 所以在正常电流通过时,智能电动保护器测量的准 确度较低。因此,智能电动机保护器的计量数据不适合作为企业的生产成本数据,如果想采集能耗数 据,应单设测量CT和计量表。
5.3 智能电动机保护器和变频器配合应用易受电
磁干扰的问题
当智能电动机保护器与变频器安装在同一个柜
内配合使用时,智能电动机保护器会因为变频器的电磁干扰出现误动作的情况。某工程中,智能电动机保护器作为变频器的旁路保护电器,正常情况下变频器工作时,旁路没有电流通过,但现场却发现智 能电动机保护器不断发出漏电故障报警。理论上来说,智能电动机保护器的抗电磁干扰能力满足国家 标准要求,不应该出现这种情况,但实际上这种情况 不少。因此建议智能电动机保护器和变频器分柜安 装,尽可能远离,避免干扰。
5.4 端子输入控制模式下的控制信号干扰问题在端子输入控制模式下,除了图2接线方式,还有一种接线方式也经常用到,就是现场控制箱的按钮和远程的起、停信号直接接到智能电动机保护器的输入端子。
这种方式的优点在于没有转接,接线 比较简单,但这种接线方式在工程中经常出现控制 信号的干扰问题。而出现这种问题的原因在于控制 信号电压的不一致:端子输入的电压为24vDC,而 输出口至控制箱信号灯的电压为220vAC。如果设 计者没有注意这一点,将至控制箱的所有信号合用 一根控制线的话,高压干扰低压的现象就会出现,导 致控制出现异常。避免这种问题的方法也很简单,只要将这两种不同电压的信号用不同的控制电缆分开即可。
5.5 智能电动机保护器安装在抽屉柜中的通信问题
目前市面上的智能电动机保护器采用的通信协议或接口有很多种,但无论采用何种协议或接口,当智能电动机保护器安装在抽屉单元内时就会遇到通信电缆的连接问题。Z所周知,抽屉单元是可移动的,甚至是可移走替换的,它通过一次插头和二次插 针与外部固定的动力电缆和控制电缆连接。由于智 能电动机保护器安装在抽屉单元内,它与外部通信总线之间的连接就成了一个难题。如果和其他控制信号一样采用二次插针的方式,虽然可以解决连接 的问题,但由于二次插针裸露,没有屏蔽层,无法保 证通信不被干扰。通信的可靠性是D一位的,所以大都采用了通信电缆从柜后直接穿孔进入抽屉单元后与智能电动机保护器相连的方式。通信电缆在柜后留有余量,当抽屉单元小范围抽出时没有问题,但 当抽屉单元W全抽出柜体时,就需要先拔掉连接头,这种做法牺牲了抽屉单元的一部分便利性。国外家也有一些其他的解决方案。例如,abb品牌在低 压智能柜imms里采用一种特制的Profibus-DF通信插头,但效果有待验证;AB品牌智能电动机保护 器主要采用以太网通信,在低压智能柜里采用以太 网插头直接插接外部以太网网口。
六、保护器选择分类
现代智能电机保护器还有很多在实际生产中需要的功能,如回看功能、远程通讯、远程控制、多种启动方式选择等。保护器在类型上分为:一般普通型、数码显示监控型、智能监控中文显示型。
6.1一般普通型
结构比较简单,主要功能以突出过载、缺相(三相不平衡)堵转等故障保护。故障类型采用指示灯显示。
6.2数码显示监控型
数码显示监控型保护器,内部电路运用单片机,采用数码管作为显示窗口,智能化综合保护,集保护、测量、通讯、显示为一体。整定电流采用数字设定,用户可以自行对各种参数修正。
6.3智能监中文显示控型
智能汉字显示更适合国内,与其他类型相比,功能更加完善。此类产品对各种参数、状态、信息直接在操作面板单元上中文汉显液晶显示,使界面更加直观醒目,并且支持远程计算机通讯功能。启动方式有多种选择,并有存储回看功能,给后期的维护维修提供了数据依据。
七、保护器在选择上应注意事项
在选择保护器的同时,还要考虑到以下几种因素:
7.1电动机主要参数:主要是功率、电压、电流、频率方面,为选型提供依据。
7.2使用环境因素的影响:主要指温度、湿度、污染等。
7.3电动机使用方向:指拖动机械设备要求。
7.4控制系统:控制模式有手动、自动化程序等工作运行。启动方式有直接、降压、星三角、频敏变阻器、变频器、软起动等启动方式。
7.5安装要求:在选型上要考虑安装空间大小,留有足够的余量,便于散热及接线、维护、查看方便。
7.6灵敏度要求:是带载启动还是空载启动,是满载还是逐渐加载,主要是在电流设定方面要考虑到启动瞬间的电流值与额定电流值之间的时间差。
7.7其他方面:如生产现场对电动机位置的随意性、启动停止的频繁程度等。
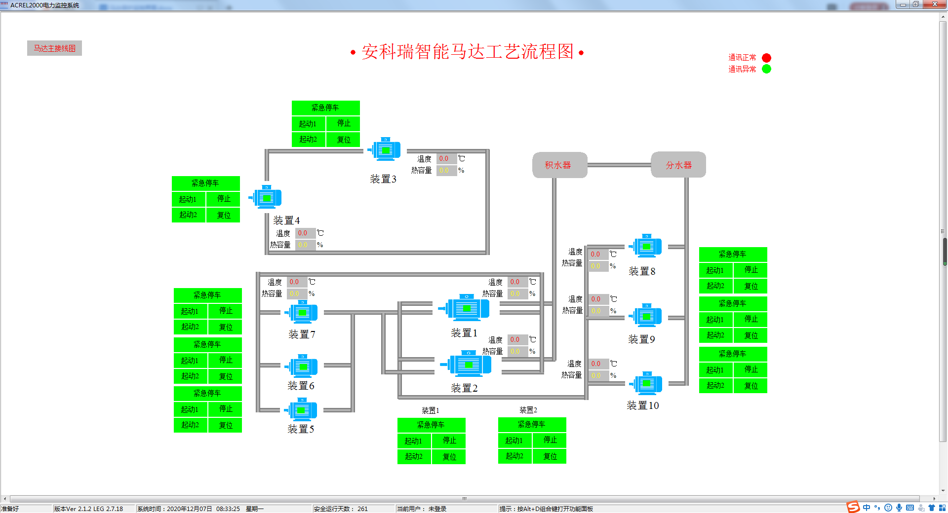
八、开云官方端网站登录入口马达监控系统解决方案
马达监控系统实时监测工业现场的低压电动机回路及馈线回路的各类电参量数据,能够帮助用户对电机设备以及重要配电回路的电力参数、能源消耗、电能质量和运行状态实行动态监控和数据化管理,实现公司重要生产设备的可视化管理、智能监控和实时监管。
8.1、应用场所
适用于电力、冶金、化工等各类工业现场的电机回路及馈线回路的实时监控和自动化管理。
8.2系统功能
配电监测
以配电一次图的形式直观显示电机的运行状态,实时监测各电机、电压、电流、功率、功率因数等电参数信息,动态监视各电参量,有关故障、告警等信号。

工艺流程监测
可根据用户需求绘制详尽的工艺生产流程图,直观显示生产工序工艺流程及各机组运行状况。帮助用户实时掌握生产信息。

参数查询
详细展示单个电机设备或馈线回路的参数信息,包括电压、电流、功率、电能等电参量信息,以及DI/DO状态、故障信息等各类非电参量信息。

曲线查询
可直接查看各个数据历史曲线,包括三相电流、三相电压、有功功率、无功功率、功率因数、电阻值等曲线,便于用户分析回路的历史运行状况。

运行报表
系统具备定时抄表汇总统计功能,用户可以自由查询自系统正常运行以来任意时间段内各电机的用电情况,即该电机用电量与各分支回路消耗电量的统计分析报表。

实时事件告警
具有实时告警功能,系统能够对电机状态、电机脱扣状态、报警状态、合动作等遥信变位等事件发出告警,故障发生实时弹窗告警。

历史事件查询
系统能够对遥信变位、电机状态,以及电压、电流、功率、功率因数越限等事件记录进行存储和管理,方便用户对系统事件和进行历史追溯、查询统计、事故分析。

权限管理
通过用户权限管理能够防止未经授权的操作(如遥控的操作,数据库修改等)。可以定义不同级别用户的登录名、密码及操作权限,为系统运行、维护、管理提供可靠的安全保障。

通信管理
马达监控系统可以对整个监控系统范围内的设备通信情况进行管理、控制、数据的实时监测。可以查看某个设备的通信和数据报文。

通讯拓扑
实时监视接入系统的各设备的通信状态,能够完整的显示整个系统网络结构;可在线诊断设备通信状态,发生网络异常时能自动在界面上显示故障设备或元件及其故障部位。

8.3、产品选型

九、结束语
智能电动机保护器替代传统热继电器是大势所趋,通过智能电动机保护器以总线的通信方式组网 实现工厂低压电机的遥测、遥控是智能配电和智能 工厂的基本需求。智能电动机保护器要想得到更好 的应用和推广,还需要工程设计人员和设备厂家密 切配合,根据出现的问题提出更好的解决方案。
【参考文献】
【1】曾萍,胡景泰.电动机保护器的发展与应用.中国电工技术学会低压电器专业委员会.中国电工技术学会低压电器专业委员会第十二届学术年会论文集.中国电工技术学会低压电器专业委员会:中国电工技术学会
【2】黄凯,刘向军.电动机保护器的发展与展望
【3】朱瑛珺,王丽.浅谈智能马达保护器的选用及安装使用.电气传动自动化
【4】高文东,李锦昕,宋运伟.浅谈电动机智能保护器的工程应用.氯碱工业
【5】林光荣.浅谈低压智能电动机保护器的应用.城市建设理论研究:电子版
【6】开云官方端网站登录入口企业微电网设计与应用手册.2022.05版。