
产品分类
更新时间:2024-09-19
浏览次数:426摘要:简要介绍了热继电器、电子式电动机保护器和智能电动机保护器的优缺点,并阐述了智能电动机保护器如何正确的选型,重点比较了智能电动机保护器保护模式、端子控制模式、全通信模式、半通信模式等几种常见工作模式,介绍这4种模式适用的实际情况,最后通过分析智能电动机保护器在工程实际应用中的常见问题,给出了相应解决方法和建议。
关键词:智能电动机保护器;过载保护;选型;工作模式;保护模式;端子控制模式;全通信模式;半通信模式。
前言
低压电动机作为有色冶炼企业底层大量使用的设备,其异常运行不仅影响冶炼厂的正常生产,还会威胁到人的生命安全,因此为电动机设置合适而又全面的保护至关重要。智能电动机保护器集保护、遥测、通信、遥控、显示等功能于一体,是目前功能的电动机保护设备,能最大限度保证设备运行的安全可靠性,从而实现智能化和高精度保护,同时还能对电动机的状态进行全面监控。
电动机过载保护设备的发展
1.1热继电器
热继电器是一种传统的电动机保护装置,使用不同热膨胀系数的双金属片来实现反时限保护。其特点是结构简单、价格低廉,但也存在稳定性、重性差和保护功能单一等缺点。
1.2电子式电动机保护器
随着电子技术的不断发展,电子式电动机保护器应运而生,从最初的模拟电路的固态继电器发展到后来的数字电路的智能型继电器,特别是微处理器的发展,让电动机保护器实现了测量、保护和控制功能于一体。通过采集电流、电压、频率和热电阻信号,可以实现短路、过载、堵转、超时起动、接地、缺相或不平衡保护等多种保护功能,并能满足各种起动控制方式。
1.3智能电动机保护器
随着微机通信技术和网络技术的发展,智能电动机保护器又增加了通信模块,通过双向通信和组网技术,不仅可以采集数据,在线监视运行状态,还能实现远程控制。特别是现场总线型网络通信的应用,简化了网络结构,大大减少了控制线缆的使用。
智能电动机保护器构成和功能
2.1智能电动机保护器的构成
智能电动机保护器由主体模块、显示模块两部分构成。主体模块包含电源模块、数字信号处理器、开关量输入输出模块、模拟量采集模块、通信模块等;显示模块负责显示运行参数以及保护整定值的设置。
若主体模块和显示模块合为一体,则称为一体式智能电动机保护器;若分开,则称为分体式智能电动机保护器。部分智能电动机保护器的测量模块也独立于本体之外。
2.2智能电动机保护器的功能
智能电动机保护器通过微处理器采集并处理电机回路的电流和电压信号,并根据遥控指令或者就地控制指令确定电机起动或停止。虽然不同品牌的产品名称、型号各异,但其核心功能基本都一样,具体如下:
1)保护功能。包括过载、断相、堵转、启动超时、单相接地、短路、外部故障、欠电流、欠电压、过电压保护和温度保护等。
2)测量功能。可测量相电流、相电压、线电压、零序电流、有功功率、无功功率、功率因数、频率和相位角等。
3)计量功能。可计量有功电度和无功电度。
4)控制功能。具有多路数字量输出口,可实现电动机的直接起动、双向动、双速启动和星三角降压启动等。
5)管理功能。包括电动机累计运行时间记录,电动机累计起动次数和起动时间记录、故障动作记录和电动机起动报告。
6)信息采集功能。具备多路数字量输入接口和模拟量输入接口,可采集电动机相关的各种电气状态数字信号(断路器状态、接触器状态以及控制命令)和电动机绕组测温模拟信号。
7)通信功能。可配备多种通信接口,如Modbus、Profibus-DP、DeviceNet和Ethnet-IP等,可实现远程的起、停控制和状态量的反馈。
智能电动机保护器的合理选型
智能电动机保护器的选用应该根据安装地的自然环境、电磁环境以及测控保护和控制需求来确定。
1)安装位置的环境条件。主要指温度、腐蚀度、震动度、风沙、海拔、电磁污染等。和热继电器不同的是,智能电动机保护器是一种电子元器件,对环境的要求相对严苛,这一点需要特别注意。
2)控制电压。根据系统的控制电压选择适配的智能电动机保护器,部分厂家的电动机保护器仅提供24VDC的电源输入接口。
3)测控保护需求。根据电动机的类型、特点、功率大小和重要程度,选择采用哪些测量功能和保护功能。
4)控制需求。根据工艺的操作需求确定控制需求,选择手动、自动、就地控制或远程控制等控制模式以及需要的控制功能和控制点数,继而确定输入、输出端子的数量和功能是否满足要求。
5)通信需求。根据需求确定是否采用通信的方式进行遥控和遥信,进一步确定采用何种通信方式。
6)配合柜体的需求。根据不同的柜体,选择一体式还是分体式的智能电动机保护器。一般情况下,固定柜选择一体式的保护器,抽屉柜选择分体式的保护器[4]。7)特殊需求。是否要求输入输出端子可自由定义功能。
智能电动机保护器的应用实例
在有色冶炼中,根据工艺需求和客户需求,智能电动机保护器的主要应用模式有保护模式、端子控制模式、全通信模式和半通信模式。
4.1保护模式
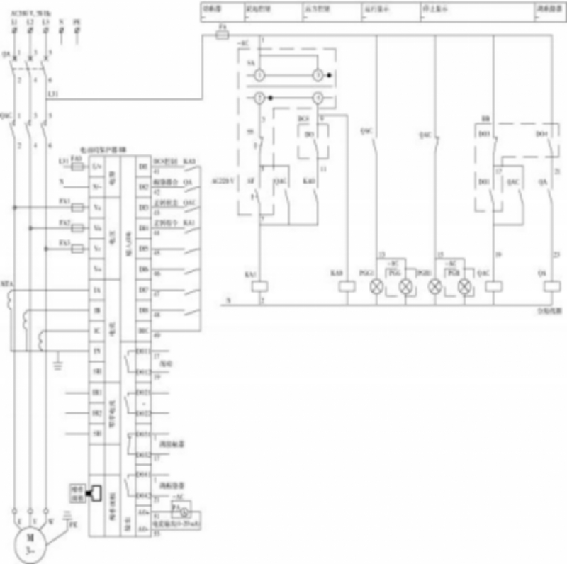
在保护模式下,智能电动机保护器只利用其自身的保护功能和测量功能,不参与外部控制,相当于原来热继电器的作用。具体接线如图1所示。

图1保护模式接线图
这种模式适用于原有系统的改造升级,外部的控制接线修改很小。优点在于最大限度减少了因智能电动机保护器装置本身出问题或通信出问题带来的风险;缺点是没能充分发挥智能电动机保护器的功能,远程DCS控制线路仍然采用的是硬线。部分比较保守的客户由于对通信稳定性和可靠性的不信任,普遍采用这种模式。
4.2端子控制模式
在端子控制模式下,智能电动机保护器通过自身的开关量输入端子采集外部控制命令,继而控制其开关量输出电动机的起、停或正反转等,具体接线如图2所示。

图2端子控制模式接线图
在该模式下,智能电动机保护器具备保护和控制两个功能,相比上面的保护模式,优势在于可以充分使用智能电动机保护器的控制功能,但和保护模式一样,其远程DCS控制线路仍为硬线。
4.3全通信模式
在全通信模式下,就地控制时智能电动机保护器只起保护作用,不参与控制,相当于保护模式;远程DCS通过通信线路控制智能保护器输出电机起、停或正反转等命令。
这种模式的优势主要体现在两个方面:一是保证了就地控制的独立性,尽可能规避通信控制带来的风险,提高了安全系数;二是大大减少了电缆的使用和接线的工作量。
影响这种模式推广的关键因素是客户对通信的稳定性和可靠性的担忧。实际应用中,个别工程出现过通信不畅、经常掉线、易受干扰等问题,但基本都是由于通信网络方案不合理、施工质量不佳以及通信线路和产品质量有问题等因素导致的,全通信模式本身已经很成熟,并不存在大的问题,国内外早已大量应用。
4.4半通信模式
半通信模式的特点是电机的远程DCS起、停控制仍然采用硬线,只有状态信号的上传走的是通信网络,所以称为半通信模式。
半通信模式介于保护模式和通信模式之间,是一种折中的应用。其应用背景为:客户对智能电动机保护器信心不足,担忧由于通信不可靠导致电机的起、停不受控制,继而影响生产或带来安全事故,故远程的控制信号仍然采用硬线方式传输。不过这种模式也为将来改为全通信模式留出了接口,方便日后升级改造。
以上仅以普通电机单相运行为例,列出智能电动机保护器4种常用的工作模式,每种模式都有其应用的背景和现实需求,设计人员需要根据工程实际和需求来选用合适的工作模式。
问题和建议
5.1智能电动机保护器短路保护的问题
智能电动机保护器具有很多种保护功能,短路保护是其中之一。其主要保护逻辑是根据采集的电流进线分析和计算,当电流超过5倍电机额定电流时,其短路保护出口发出断路器跳闸命令。该跳闸命令是通过断路器的分励线圈来实现的。这个逻辑本身没有问题,问题出在智能电动机保护器和分励线圈的工作电源上。一般情况下,该工作电源从电动机主回路的某一相上取电,当通信控制模式接线图外部发生三相短路时,母线的各相电压会下降,或工作电源所在那一相发生单相接地短路时,该相电压也会下降。当电压下降到小于智能电动机保护器和分励脱扣器的正常工作电压时,智能电动机保护器和分励线圈均无法正常工作,短路保护也无法实现。其实电动机主回路的断路器本身就具备很好的短路保护功能,所以智能电动机保护器设置短路保护必要性不大。
5.2智能电动机保护器测量准确度低的问题
智能电动机保护器基本只配备一组三相CT,而保护器的保护功能肯定是的,测量和计量功能只是附带的,因而配置的CT首先要满足保护功能的需求。保护功能所用CT要求较大的故障电流通过时铁心不能饱和,以便较好地反映一次电流值,所以在正常电流通过时,智能电动保护器测量的准确度较低。因此,智能电动机保护器的计量数据不适合作为企业的生产成本数据,如果想采集能耗数据,应单设测量CT和计量表。
5.3智能电动机保护器和变频器配合应用易受电磁干扰的问题
当智能电动机保护器与变频器安装在同一个柜内配合使用时,智能电动机保护器会因为变频器的电磁干扰出现误动作的情况。某工程中,智能电动机保护器作为变频器的旁路保护电器,正常情况下变频器工作时,旁路没有电流通过,但现场却发现智能电动机保护器不断发出漏电故障报警。理论上来说,智能电动机保护器的抗电磁干扰能力满足国家标准要求,不应该出现这种情况,但实际上这种情况不少。因此建议智能电动机保护器和变频器分柜安装,尽可能远离,避免干扰。还有一种接线方式也经常用到,就是现场控制箱的按钮和远程的起、停信号直接接到智能电动机保护器的输入端子。这种方式的优点在于没有转接,接线比较简单,但这种接线方式在工程中经常出现控制信号的干扰问题。而出现这种问题的原因在于控制信号电压的不一致:端子输入的电压为24VDC,而输出口至控制箱信号灯的电压为220VAC。如果设计者没有注意这一点,将至控制箱的所有信号合用一根控制线的话,高压干扰低压的现象就会出现,导致控制出现异常。避免这种问题的方法也很简单,只要将这两种不同电压的信号用不同的控制电缆分开即可。
5.4智能电动机保护器安装在抽屉柜中的通信问题
目前市面上的智能电动机保护器采用的通信协议或接口有很多种,但无论采用何种协议或接口,当智能电动机保护器安装在抽屉单元内时就会遇到通信电缆的连接问题。Z所周知,抽屉单元是可移动的,甚至是可移走替换的,它通过一次插头和二次插针与外部固定的动力电缆和控制电缆连接。由于智能电动机保护器安装在抽屉单元内,它与外部通信总线之间的连接就成了一个难题。如果和其他控制信号一样采用二次插针的方式,虽然可以解决连接的问题,但由于二次插针裸露,没有屏蔽层,无法保证通信不被干扰。通信的可靠性是的,所以大都采用了通信电缆从柜后直接穿孔进入抽屉单元后与智能电动机保护器相连的方式。通信电缆在柜后留有余量,当抽屉单元小范围抽出时没有问题,但当抽屉单元W全抽出柜体时,就需要先拔掉连接头,这种做法牺牲了抽屉单元的一部分便利性。
ARD系列电动机保护器产品选型介绍
ARD智能电动机保护器适用于额定电压至660V的低压电动机回路,集保护、测量、控制、通讯、运维于一体。其完善的保护功能确保电动机安全运行,带有逻辑可编程功能,可以满足多种控制方式。该产品采用分体式结构,由主体、显示单元、互感器组成,可适应各种柜体的安装。可选配不同通讯模块适应现场通讯需求。
6.1功能特点
■支持基波和全波电力参数测量(U、I、P、Q、S、PF、F、EP、EQ),电流及电流不平衡度、电流正序、负序、零序分量、电压、三相电压相角、剩余电流。
■保护功能包括过载反时限、过载定时限、接地、起动超时、漏电、欠载、断相、堵转、阻塞、短路、溢出、不平衡(电流、电压)、过功率、欠功率、过压、欠压、相序、温度、tE时间、外部故障、起动次数限制、运行时间报警、故障次数报警。
■9路可编程DI输入,默认采用内置DC24V电源,也可选择外部有源湿接点。
■5路可编程DO输出,满足直接起动,星—三角起动,自耦变压器起动,等多种起动方式,可通过通讯总线实现主站对电动机的遥控“起/停"。
■可选抗晃电功能:支持晃电立即再启动、失压重起动。
■可选配MODBUS_RTU通讯、PROFIBUSDP通讯,支持最多2路通讯接口。
■可选配1路DC4-20mA模拟量输出接口,与DCS系统相接,可实现对现场设备的监控。
■具有故障记录、起动记录、停车记录、DI变位记录和再起动记录等各类事件记录。
■显示界面液晶显示,支持中/英文切换。
6.2产品选型



结束语
智能电动机保护器替代传统热继电器是大势所趋,通过智能电动机保护器以总线的通信方式组网实现工厂低压电机的遥测、遥控是智能配电和智能工厂的基本需求。智能电动机保护器要想得到更好的应用和推广,还需要工程设计人员和设备厂家密切配合,根据出现的问题提出更好的解决方案