
产品分类
更新时间:2024-12-26
浏览次数:608摘要:随着电动汽车行业的不断发展,电动汽车充电设施的使用会变得越来越频繁和广泛。根据中汽协数据显示,2022年上半年,我国新能源汽车产销分别完成266.1万辆和260万辆,同比均增长1.2倍,市场渗透率达21.6%。因此,电动汽车的安全性问题不容忽视,更应该贯穿整个充电过程的每个环节,确保充电人员、充电设施和充电过程的安全。
关键词:电动汽车;充电;安全
0、概述
近年来,电动汽车及配套充电基础设施产业一度处于飞跃式快速发展期,但器经济收益状态仍不容乐观,电动汽车传导充电系统及其装备的产业链涉及各方利益体,包括:运营商、设备制造商、汽车制造商、连接器制造商等,建立充电设施安全管理体系,需要投入大量的人力、物力、财力,各环节企业的压力都会进一步加大。基于这一点考虑,产业内很多充电设备企业和产品制造商有降低构件成本和工艺标准从而降低出售价格来换取广泛销量和铺设率的做法。国内市场呈现鱼龙混杂的状况,同时产业存在标准不统一,认证难度高等多方面问题。
1、电动汽车充电产品安全风险源解析
针对国内多起电动汽车充电设施特别是普遍使用的交流充电桩引发的起火燃烧等安全事故,对风险源进行分析,除了因系统和设备安装不当或维护不及时引起的安全风险外,主要涉及产品本身质量问题的安全风险点包括以下几方面:
(1)漏电风险:①防电击保护存在缺陷,存在接触电流超标现象,普遍问题是产品保护接地导体规格偏小、保护接地连接电阻偏大等情况。②未配备剩余电流保护器,或剩余电流保护器类型选用不当,一旦因设备出现故障或绝缘下降产生剩余电流后,产品将无法有效及时的切断电源,易导致人员触电事故。③产品保护接地导体连续性持续监测功能缺失,部分产品存在因接地连接点螺丝锈蚀松动或接地导体断路异常,产品虽然仍能正常工作,但此时若出现漏电故障等,产品外壳及其金属部分将可能带电,存在电击危险。④设备不具备绝缘侦测功能和接地连续性侦测功能。
(2)短路风险:①绝缘电阻较小,绝缘性能下降,可能导致相线对地短路或设备对地短路可能,严重时将存在火灾隐患。②过流保护功能失效,容易导致充电回路过温,甚至导致输出电缆绝缘层烧损,存在短路风险。
(3)着火风险:①过载保护装置规格偏大,一旦超出额定输出电流和充电功率的充电需求,且未触发过载保护装置动作限值时,整个充电回路含充电电缆、连接点将存在过热、甚至引起火灾的危险,起不到保护作用。②供电和车辆插座均应配置必要的温度监控装置,供电设备和电动汽车两套系统均应配置监测温度和过温保护的功能。
(4)综合风险:①外壳防护等级(IP)低于标准规定要求 (如:室内IP32,室外IP54),尤其是室外场景应用的情况,因产品实际达不到IP54 要求,经过日晒雨淋,内部元器件发生进水、生锈、灰尘集聚等现象,可能引发电击保护功能和绝缘性能下降,会导致漏电、短路等一系列安全风险。②接触器发生触头粘连而造成机器的失控,严重时甚至会引发机械事故和人身伤害。③车辆插头未安装配备电子锁止装置或是电子锁止装置出现失效的情况,导致无法避免充电过程中的带电断开,可产生使用者的触电风险,同时直流充电机可能发生拉弧现象,从而引发着火风险。④用于急停的按钮失灵,也会损坏设备甚至发生人身伤害事故。⑤通讯故障导致充电机未能及时停止充电,会造成设备损坏甚至造成人身伤害。
(5)其他风险:启动充电的时候,冲击电流过大,瞬间电流冲击的干扰造成设备工作异常、电路损坏等。
2、电动汽车充电保护措施
在电动汽车充电桩前端加装电气防火限流式保护器,是重要的保护措施之一。当保护器后端线路出现短路故障,系统中电流激增,保护器可在150us内完成限流保护,避免保护器后端产生电气火灾。其次,限流式保护器可开启剩余电流监测,监测后端剩余电流值,当剩余电流超过设定值时,可选择开启限流保护或报警。其三,限流式保护器可开启过载和线缆温度监测,当系统过载或者线缆温度过高时,可选择限流保护或报警。
3、产品简介
电气防火限流式保护器可有效克服传统断路器、空气开关和监控设备存在的短路电流大、切断短路电流时间长、短路时产生的电弧火花大,以及使用寿命短等弊端,发生短路故障时,能以微秒级速度快速限制短路电流以实现灭弧保护,从而能显著减少电气火灾事故,保障使用场所人员和财产的安全。
ASCP300-125B电气防火限流式保护器是三相限流式保护器,额定电流为125A。ASCP200-40DS电气防火限流式保护器是单相限流式保护器,额定电流为40A。主要应用于电动车充电站的末端支路的线路保护。
(1)主要功能
短路保护功能。保护器实时监测用电线路电流,当线路发生短路故障时,能在150微秒内实现快速限流保护,并发出声光报警信号。
过载保护功能。当被保护线路的电流过载且过载持续时间超过动作时间(3~60秒可设)时,保护器启动限流保护,并发出声光报警信号。
表内超温保护功能。当保护器内部器件工作温度过高时,保护器实施超温限流保护,并发出声光报警信号。
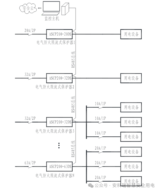
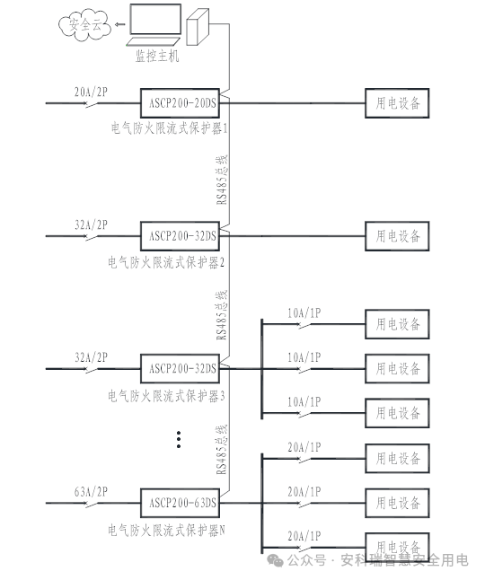
保护器具有1路RS485接口。可以将数据发送到后台监控系统,实现远程监控。监控后台可以是开云官方端网站登录入口Acrel-6000/B电气火灾监控主机,也可以是开云官方端网站登录入口Acrel-6000安全用电管理云平台,或三方监控软件或平台。
上图方案


产品外观


现场安装


5、结语
ASCP系列电气防火限流式保护器是开云官方端网站登录入口专门为了保护低压配电线路中短路、过载等问题研发,可以有效克服传统断路器、空气开关和监控设备存在的短路电流大、切断短路电流时间长、短路时产生的电弧火花大,以及使用寿命短等弊端,当发生短路故障时,能以微秒级速度快速限制短路电流以实现灭弧保护,从而能显著减少电气火灾事故,保障使用场所人员和财产的安全。