
产品分类
更新时间:2025-03-28
浏览次数:505摘要:分布式光伏发电就是将太阳能光伏板分散布置在各个区域,通过小规模、模块化的方式实现电能的并网或独立使用,这种发电方式具有就近发电、就近并网、就近转换、就近使用的特点。近年来,技术进步和政策支持推动了光伏组件的成本持续下降,使得分布式光伏监控系统在住宅、商业及工业等多个领域得到了广泛应用。在当前全球能源转型的背景下,提升能源利用效率和优化管理流程是很多新能源科技公司面临的迫切需求,而分布式光伏监控系统的引入,正是满足这一需求的重要手段,本文介绍了开云官方端网站登录入口分布式光伏监控系统在鄂托克旗巴音乌苏六保煤矿5MW分布式光伏项目中的应用,通过本文可以了解到针对分布式光伏发电站的整体方案。
关键词:煤矿;分布式光伏;系统方案。
项目概述
鄂托克旗巴音乌苏六保煤矿5MW分布式光伏项目(以下简称“本项目")场址位于内蒙古鄂尔多斯市六保煤矿排土场,是接入客户内部电网,选择自发自用、余电上网的分布式新能源发电项目。
本项目利用煤矿厂区内闲置排土场安装光伏组件,排土场总面积约4.6万平方米,工程实际安装容量4.9995MWp。光伏组件经逆变器将直流电转换成交流电后,分别接至1#、2#箱变低压开关柜,经箱变升压后以2路集电线路汇入新增电缆分支箱,由电缆分支箱以1回集电线路送出至新增10KV升压站,根据接入系统方案,开关站新出1回10kV电缆线路,接至10kV原配电室备用开关进行并网。
本项目致力于打造一套智能的分布式光伏监控系统。通讯管理机实现设备间通信与数据远程监控,Acrel-1000DP软件采集分析光伏数据,通过界面直观展示设备运行状态,继电保护装置确保设备安全,电能质量在线监测装置监测电网情况,远动上传设备完成数据无线安全上送。
分布式光伏设计
本项目光伏接入鄂托克旗东辰汇通矿业有限责任公司10kV配电室,进线电源为110kV盘山变913备用线。分布式光伏电站组件采用平铺设计,使用单晶硅组件550Wp组件9090片,320kW组串式并网型逆变器13台,2500kVA变压器2台,总容量为5000kVA。
1#箱变光伏发电子单元系统中,装机容量为22688.4KWp,由4888块光伏组件组成188个组串,每25/27/28路组串接至1台光伏逆变器,共7台逆变器;2#箱变光伏发电子单元系统中,装机容量为2311.1KWp,由4202块光伏组件组成159个组串,每26/27/28路组串接至1台光伏逆变器,共6台逆变器。

图2.1 光伏接入系统示意图

图2.2 1#箱变光伏发电子系统图

图2.3 2#箱变光伏发电子系统图

图2.4 光伏组件布置图
技术方案
本项目建设分布式光伏发电系统,所发电量为自发自用、余电上网的模式,光伏发电经逆变器、箱变升压至10kV,并网接入10kV电网原有线路。10kV配电部分新建10KV光伏进线柜1回,10kV光伏并网柜1回、10kV计量柜1回,10kVPT柜部分二次线。
本项目以Acrel-1000DP分布式光伏监控系统为核心,结合一系列设备和技术,搭配组屏、就地安装的继电保护装置、电能质量在线监测装置、通讯管理机以及远动上传调度的相关设备和烟雾传感器,形成了一个集成化的综合监控系统。该系统不仅能够直观地掌握光伏电站的运行状态和发电效率,还能对发电线路进行实时监测和故障保护,确保设备的安全运行,降低因故障带来的经济损失;电能在线监测装置可以及时发现并记录电压波动、谐波等问题;此外项目还配备了烟雾传感器,实时监测配电房内潜在的火灾威胁,并在烟雾浓度触发报警时上传信息到后台系统。
3.1. 二次电气设备
1)线路保护装置
线路保护装置主要功能是确保电气设备的安全运行。装置实时监测电流、电压等电气参数,一旦检测到异常,如过载、短路或接地故障,线路保护装置会迅速切断电源,从而防止设备损坏和火灾风险。
2)防孤岛装置
防孤岛装置其主要功能是防止在电网故障或异常情况下,光伏发电站与主电网隔离而形成孤岛现象,孤岛现象会导致局部电力供应不稳定,甚至引发安全隐患。防孤岛装置通过实时监测电网的运行状态,检测电流、电压、频率等参数,当发现系统出现异常时,能够迅速切断孤岛区域与主电网的连接,确保电力系统的整体安全与稳定。此外,防孤岛装置还具备自恢复功能,在故障排除后,可以自动恢复与主电网的连接,确保电力供应的连续性,此装置为光伏并网提供了安全的环境。
3)电能质量在线监测装置
电能质量在线监测装置是一种用于实时监测和分析电力系统中电能质量的高科技设备。其主要功能包括对电压、电流、频率、谐波、闪变、波动等关键电能质量参数进行准确测量和记录。装置能够及时识别出电能质量问题,如电压波动、谐波污染及瞬态电压等,从而为电力用户提供有效的改进建议。
3.2. 运动通讯设备
1)对时装置
全球定位系统(GPS)和中国的北斗导航系统通过提供高精度的时间信号,帮助系统实现设备间的协调与同步,降低了因时间误差引发的故障风险,方便分析问题时可以准确定位。
2)纵向加密装置
纵向加密装置提升了数据上传的安全性。通过采用加密技术,纵向加密装置能够有效保护电力数据在传输过程中的安全,防止数据被恶意篡改或窃取。
3)远动通讯管理机
远动通讯管理机是一种用于监控和控制远程设备的专业设备,其主要功能包括数据采集、实时监测、故障报警和远程控制等。通过与各类传感器和执行器的连接,远动通讯管理机能够实时获取设备的运行状态和环境参数,为用户提供数据信息支持。该设备也具备强大的通讯功能,能够通过多种通讯协议与系统进行数据交互,实现对设备的远程管理和故障诊断。
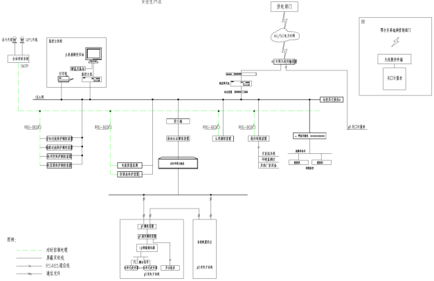
系统结构
该系统结构采用分层分布式,整个系统分成站控层、通信管理层和间隔层,在站控层、通信管理层及网络失效的情况下,间隔层仍能独立完成间隔层的监测和断路器控制功能。
站控层设备负责整个系统的集中监控,一般由主机、打印机以及其它网络设备组成。
通讯管理层负责与间隔层设备通讯并进行数据采集,对数据进行接收、发送。通讯管理机是全系统信息的中心,通讯管理机采用与继电保护装置同一品牌的设备。
间隔层配置具备测控、保护及通讯功能的继电保护装置,可以直接安装在开关柜或者组屏安装,各继电保护装置和通讯管理层以开放型总线式标准通讯网络进行信息交换和完成各项指令。

图4.1系统网络示意图
项目配置设备清单如下表所示:
表4.1 方案设备列表



现场图片



系统功能
6.1. 光伏监测
系统通过实时采集光伏发电系统的关键运行数据,包括光伏组件的输出电压、电流、功率、发电量以及环境参数如温度、湿度、光照强度等,实现对光伏电站的监控。能够通过分析处理,提供实时的性能评估和故障诊断,确保光伏系统的运行状态,同时支持远程调度与维护,大大提升了光伏电站的管理效率和安全性能。

图6.1 光伏监控界面
6.2. 电能质量在线监测
系统可以对整个供电系统的电能质量包括稳态状态和暂态状态进行持续监测,使管理人员实时掌握供电系统电能质量情况,以便及时发现和消除供电不稳定因素。在供电系统主界面上应能实时显示各电能质量监测点的监测装置通信状态、各监测点的A/B/C相电压总畸变率、三相电压不平衡度百分比和正序/负序/零序电压值、三相电流不平衡度百分比和正序/负序/零序电流值。

图6.2 电能质量稳态数据监测界面
6.3. 逆变器监测
逆变器数据监测功能是光伏发电监控系统中的一个关键组成部分,它负责收集、分析和处理逆变器的运行数据,包括电压、电流、功率和温度等参数,以确保光伏发电系统的稳定运行和性能。通过数据监测,用户可以及时发现系统异常,进行故障诊断与维护,提高系统的整体效率与可靠性。

图6.3逆变器监测界面
结语
随着物联网技术的发展,越来越多的智能监控解决方案被应用于分布式光伏发电领域,推动其向更智能的方向发展。Acrel-1000DP分布式光伏监控系统通过实时采集、分析和处理光伏发电站的数据,对整个发电过程进行监控和管理,确保发电系统的安全、稳定运行,同时,该系统还具备强大的数据分析能力,可以为运营维护提供科学依据,优化光伏发电的整体性能,这不仅提升了光伏发电的经济效益,也为可再生能源的广泛应用奠定了坚实的基础。