
产品分类
更新时间:2025-05-27
浏览次数:356胡冠楠 Acrelhgn
开云网页版登录入口电气股份有限公司 上海嘉定 201801
摘要:伴随着能源危机和环境恶化问题的日益加重,科技工作者进一步加大对新能源的开发和利用。太阳能光伏发电作为新型清洁能源的主力军,在实际生产生活中得到了广泛的应用。然而,光伏发电效率偏低,成为制约光伏发电发展的瓶颈。因此,对提高光伏发电效率的研究具有十分重要的意义和价值。
关键词:光伏发电;发电效率;太阳能电站;分布式光伏;
随着科技的进步和人类社会的发展,巨大的能源消耗和由此引发的环境污染给人类生产生活带来了很大的威胁。为此,科研人员开始投身到了新能源的开发和利用当中,以缓解世界能源危机。太阳能作为常见的绿色清洁能源,得到了进一步挖掘。光伏发电也体现了可持续发展理念,成为世界新能源产业中较为重要的一员。然而,当前太阳能电池板由于自身材料和外界条件等因素的制约,发电效率并不高。加大对光伏发电效率影响因素和应对策略的研究,将对整个光伏产业的发展起到积极的作用。
1、光伏发电系统原理
光伏发电技术是指一种将太阳光的辐射能直接转化为电能的发电技术。它主要应用的是半导体PN结的光生伏特原理,光伏电池在受到太阳光照射时,内部电子发生定向移动,产生电流,供负载使用或存储起来。光伏发电系统一般由太阳能电池组件、控制器、蓄电池、逆变器等部分组成。太阳能电池组件是光伏发电系统的核心部分,在受到一定的辐射强度下,将太阳能以直流形式转换为电能。当发电量大于负载需求时,通过控制器对蓄电池进行充电;当发电量不足时,太阳能电池和蓄电池同时对负载供电,以满足需求;当负载为交流设备时,增加逆变装置,将直流电变换为交流电,供负载使用。
2、光伏发电效率的影响因素
光伏发电效率指光伏组件输出电能占输入太阳光辐射能的百分比,效率越高,太阳能利用率越大。影响光伏发电效率的因素有很多,主要包括以下几个方面。
2.1环境因素
环境因素主要包括辐射强度大小及温度变化对光伏发电效率的影响。其中辐射强度主要取决于地理位置、海拔高度、大气环境、气候条件等因素。一般纬度越低,其太阳高度角就越大,太阳辐射强度越强,反之太阳高度角越小,太阳辐射强度就越弱;海拔高度越高时,空气就越稀薄,大气中的水汽和尘埃的含量也越少,太阳辐射强度越大;大气环境也在一定程度上影响太阳辐射强度,在晴朗无云的天气,大气透明度高,到达地面的太阳辐射能量就多,反之灰尘、积雪、云层等阴影的遮挡,也会使太阳能电池板接收到的辐射大打折扣。
日照时数和温度也是影响光伏发电效率的重要因素。通常日照时间长,太阳能电池板相对获得的太阳总辐射量就多;只有在适当的温度下,发电效率才能达到较佳状态。
2.2自身因素
太阳能光伏组件的特性和品质取决于其太阳能电池的材料,不同的材质及制造工艺直接影响着太阳能光伏组件的光致衰减时间和光电转换效率;对于交流负载而言,逆变器的性能对太阳能光伏发电效率有着重要影响;最大功率点跟踪可以提高光伏发电效率。
2.3人为因素
光伏组件接收的辐射总量由天空散射量和地面反射量共同组成,所以要想提高光伏发电效率须寻找到较佳倾斜角度进行安装;在光伏组件连接过程中,由于组件间的电流(电压)差异造成电流(电压)的损失,即组件的不匹配,也是影响发电效率的因素;设计施工过程不合理,维护清洁不及时等,也会在一定程度上降低光伏发电效率。
3、提高光伏发电效率的策略
(1)首先,科学选址,合理布局是进行太阳能光伏发电的前提;其次,选用转换效率高,品质稳定,技术成熟的太阳能光伏组件和性能较好的逆变设备,可以大幅度提高光伏发电效率;选用合适的跟踪方式,增加垂直照射时长,从而争取吸收最大辐射量;为了减少高温对光伏发电的负面影响,适当加装降温装置;进行科学设计,合理施工,针对不同情况制定运维方案(如:通风、除尘等),在一定程度上也可以提升光伏发电效率。
(2)管理模式。对于光伏项目的施工项目,在管理方面,应依照信息化与扁平化这两方面的原则,应进行总公司以及子项目两种结构的不同设置。这样的一种模式可以使上级的任务更快地得到落实,同时使现场信息更快地得到反馈,明确具体的任务分工情况,使中间阶段产生的管理成本费用的降低。
(3)信息化建设。利用现代先进的信息技术不但可以使工作效率提高,与此同时还可以及时得到生产运营的有关信息。以总公司作为中心部分,子项目看作点,利用现代信息网络连接所有的子项目,使信息资源得到及时的共享,拉近空间以及地域的距离,同步管理人力资源及成本费用。以规范、固定的流程对公司的子项目所有业务进行管理,防止各子公司出现来自经营的相关风险。具体来说,应依照以下的信息系统进行布置。①办公自动化系统(也就是常说的0A)。主要功能包括:进行邮件、通知、公文的收发,密切地沟通总公司与子项目与总公司间的信息;进行各种审批流程的办理,使合同、成本费用的支付、决策的管理等过程进行管理,控制经营所带来的风险;同时还可以进行企业文化的宣传,为员工提供一个广阔的平台,实现全员管理。②信息管理系统(也就是MIS)。这个系统的功能主要包括有:记录值班的具体情况、对缺陷进行管理、记录检修的具体情况、设备台账、管理相关的物料管理等,实现信息化的办公,可以进行便捷历史数据的有关查询。
4、开云网页版登录入口分布式光伏运维云平台介绍
AcrelCloud-1200分布式光伏运维云平台通过监测光伏站点的逆变器设备,气象设备以及摄像头设备、帮助用户管理分散在各地的光伏站点。主要功能包括:站点监测,逆变器监测,发电统计,逆变器一次图,操作日志,告警信息,环境监测,设备档案,运维管理,角色管理。用户可通过WEB端以及APP端访问平台,及时掌握光伏发电效率和发电收益。
目前我国的两种分布式应用场景分别是:广大农村屋顶的户用光伏和工商业企业屋顶光伏,这两类分布式光伏电站今年都发展迅速。
在光伏变电站安装逆变器、以及多功能电力计量仪表,通过网关将采集的数据上传至服务器,并将数据进行集中存储管理。用户可以通过PC访问平台,及时获取分布式光伏电站的运行情况以及各逆变器运行状况。平台整体结构如图所示。

AcrelCloud-1200分布式光伏运维云平台软件采用B/S架构,任何具备权限的用户都可以通过WEB浏览器根据权限范围监视分布在区域内各建筑的光伏电站的运行状态(如电站地理分布、电站信息、逆变器状态、发电功率曲线、是否并网、当前发电量、总发电量等信息)。
4.4.1光伏发电
●显示所有光伏电站的数量,装机容量,实时发电功率。
●累计日、月、年发电量及发电收益。
●累计社会效益。
●柱状图展示月发电量

●电站状态展示当前光伏电站发电功率,补贴电价,峰值功率等基本参数。
●统计当前光伏电站的日、月、年发电量及发电收益。
●摄像头实时监测现场环境,并且接入辐照度、温湿度、风速等环境参数。
●显示当前光伏电站逆变器接入数量及基本参数。

4.4.1.3逆变器状态
●逆变器基本参数显示。
●日、月、年发电量及发电收益显示。
●通过曲线图显示逆变器功率、环境辐照度曲线。
●直流侧电压电流查询。
●交流电压、电流、有功功率、频率、功率因数查询。

4.4.1.4电站发电统计
●展示所选电站的时、日、月、年发电量统计报表。

4.4.1.5逆变器发电统计
●展示所选逆变器的时、日、月、年发电量统计报表

4.4.1.6配电图
●实时展示逆变器交、直流侧的数据。
●展示当前逆变器接入组件数量。
●展示当前辐照度、温湿度、风速等环境参数。
●展示逆变器型号及厂商。

4.4.1.7逆变器曲线分析
●展示交、直流侧电压、功率、辐照度、温度曲线。

●短信日志:查询短信推送时间、内容、发送结果、回复等。
●平台运行日志:查看仪表、网关离线状况。
●报警信息:将报警分进行分级处理,记录报警内容,发生时间以及确认状态。


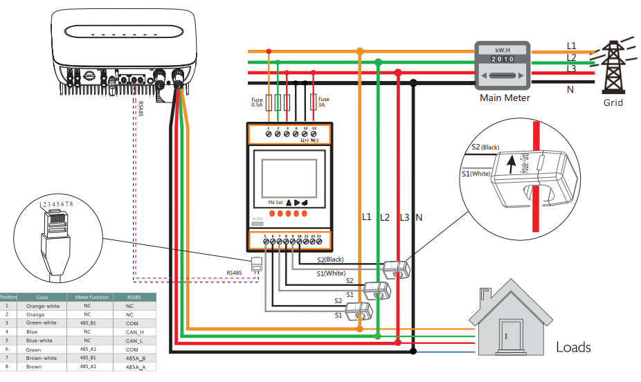
交流220V并网的光伏发电系统多用于居民屋顶光伏发电,装机功率在8kW左右。

部分小型光伏电站为自发自用,余电不上网模式,这种类型的光伏电站需要安装防逆流保护装置,避免往电网输送电能。光伏电站规模较小,而且比较分散,对于光伏电站的管理者来说,通过云平台来管理此类光伏电站非常有必要,开云网页版登录入口在这类光伏电站提供的解决方案包括以下方面:
名称 | 图片 | 型号 | 功能 | 应用 |
光伏运维云平台 |
| AcrelCloud-1200 | 监测光伏发电功率、发电量、功率曲线、发电日月年报表、设备信息、故障报警、气象数据等 | 应用于单台逆变器数据采集和上传云平台 |
智能网关 |
| ANet-1E1S1-4G | 嵌入式linux系统,网络通讯方式具备Socket方式,支持XML格式压缩上传,提供AES加密及MD5身份认证等安全需求,支持断点续传,支持Modbus、ModbusTCP、DL/T645-1997、DL/T645-2007、101、103、104协议 | |
防逆流装置 (选用) |
| ACR10R-D10TE | 防止光伏系统向电网输送功率,用于单相光伏发电系统 | |
户用逆变器 | 逆变器推荐: 华为户用逆变器SUN2000-5/6/8/10/12KTL-M1 固德威GW8000-DT 锦浪GCI-1P(4-6)K,GCI-1P(9-10)K | 推荐通讯方式RS485 | ||
根据国家电网Q/GDW1480-2015《分布式电源接入电网技术规定》,8kW~400kW可380V并网,超出400kW的光伏电站视情况也可以采用多点380V并网,以当地电力部门的审批意见为准。这类分布式光伏多为工商业企业屋顶光伏,自发自用,余电上网。分布式光伏接入配电网前,应明确计量点,计量点设置除应考虑产权分界点外,还应考虑分布式电源出口与用户自用电线路处。每个计量点均应装设双向电能计量装置,其设备配置和技术要求符合DL/T448的相关规定,以及相关标准、规程要求。电能表采用智能电能表,技术性能应满足国家电网公司关于智能电能表的相关标准。用于结算和考核的分布式电源计量装置,应安装采集设备,接入用电信息采集系统,实现用电信息的远程自动采集。

光伏阵列接入组串式光伏逆变器,或者通过汇流箱接入逆变器,然后接入企业380V电网,实现自发自用,余电上网。在380V并网点前需要安装计量电表用于计量光伏发电量,同时在企业电网和公共电网连接处也需要安装双向计量电表,用于计量企业上网电量,数据均应上传供电部门用电信息采集系统,用于光伏发电补贴和上网电量结算。
部分光伏电站并网点需要监测并网点电能质量,包括电源频率、电源电压的大小、电压不平衡、电压骤升/骤降/中断、快速电压变化、谐波/间谐波THD、闪变等,需要安装单独的电能质量监测装置。部分光伏电站为自发自用,余电不上网模式,这种类型的光伏电站需要安装防逆流保护装置,避免往电网输送电能,系统图如下。

这种并网模式单体光伏电站规模适中,可通过云平台采用光伏发电数据和储能系统运行数据,开云网页版登录入口在这类光伏电站提供的解决方案包括以下方面:
名称 | 图片 | 型号 | 功能 | 应用 |
光伏运维云平台 |
| AcrelCloud-1200 | 监测光伏发电功率、发电量、功率曲线、发电日月年报表、设备信息、故障报警、气象数据等 | 应用于多台逆变器、计量仪表及气象数据采集和上传云平台 |
智能网关 |
| ANet-1E2S1-4G | 嵌入式linux系统,网络通讯方式具备Socket方式,支持XML格式压缩上传,提供AES加密及MD5身份认证等安全需求,支持断点续传,支持Modbus、ModbusTCP、DL/T645-1997、DL/T645-2007、101、103、104协议 | |
电能质量监测 |
| APView500 | 电网频率,电压、电流有效值,有功功率、无功功率、视在功率及功率因数,电压偏差,频率偏差,三相电压不平衡度、三相电流不平衡度;三相电压、电流各序分量;基波电压、电流,功率、功率因数、相位等,谐波(2~50次)。包括电压、电流的总谐波畸变率、各次谐波电压、电流含有率、有效值、功率等,谐波群,间谐波电压波动、闪变。可输入57.7V/100V或220V/380V。 | |
静态无功补偿 |
| ANSVG100-400 | 光伏并网时主要提供有功功率,这样市电侧有功减少,而无功不变,这样会导致功率因数降低,通过无功补偿装置可以提高系统功率因数。 | |
防逆流装置 |
| ACR10R-D10TE4 | 防止光伏系统向电网输送功率,用于三相光伏发电系统 | |
直流电表 |
| DJSF1352 | 电压输入DC750V,电流输入DC300A/75mV,在分布式光伏项目中适用于储能回路等直流信号设备电量测量和电能计量使用 | |
| DJSF1352RN | |||
| PZ96L-DE | |||
逆变器 | 逆变器推荐: 阳光电源组串式逆变器SG(30~110)CX系列、SG136TX、SG225HX、SG320HX 华为商用逆变器SUN2000-30/36/40KTL-M3、SUN2000-60KTL-M0、SUN2000-100KTL-M0 固德威GW(25~80)K-MT、GW100K-HT、GW120K-HT、GW136K-HTH等 锦浪GCI-3P(12-25)K、GCI-(25-110)K、GCI-(125-230K)-EHV-5G等 | 推荐通讯方式RS485 | ||
根据《国家能源局关于2019年风电、光伏发电项目建设有关事项通知》(国发新能〔2019〕49号),对于需要国家补贴的新建工商业分布式光伏发电项目,需要满足单点并网装机容量小于6兆瓦且为非户用的要求,支持在符合电网运行安全技术要求的前提下,通过内部多点接入配电系统。
此类分布式光伏装机容量一般比较大,需要通过升压变压器升压后接入电网。由于装机容量较大,可能对公共电网造成比较大的干扰,因此供电部门对于此规模的分布式光伏电站稳控系统、电能质量以及和调度的通信要求都比较高。
光伏电站并网点需要监测并网点电能质量,包括电源频率、电源电压的大小、电压不平衡、电压骤升/骤降/中断、快速电压变化、谐波/间谐波THD、闪变等,需要安装单独的电能质量监测装置。

上图为一个1MW分布式光伏电站的示意图,光伏阵列接入光伏汇流箱,经过直流柜汇流后接入集中式逆变器(直流柜根据情况可不设置),最后经过升压变压器升压至10kV或35kV后并入中压电网。由于光伏电站装机容量比较大,涉及到的保护和测控设备比较多,主要如下表:
名称 | 图片 | 型号 | 功能 | 应用 |
光伏运维云平台 |
| AcrelCloud-1200 | 监测光伏发电功率、发电量、功率曲线、发电日月年报表、设备信息、故障报警、气象数据等 | 应用于6MW以下光伏变电站 |
电力监控系统 |
| Acrel-2000 | 电力监控系统,实现对光伏发电站。测、。信、。控、异常报警、故障记录和分析等功能,接收调度系统指令对光伏电站进行调节和控制。 | |
并网柜 |
| AZG光伏并网柜 | 容量涵盖范围广,可涵盖2000A以下用户并网需求; 安装方便,外观美观大气; 可选配检有压合闸、失压跳闸等功能,对光伏系统进行失压,欠压保护,及自动合闸功能; 可预留独立铅封计量室,光伏发电一目了然; 可根据客户需求配用国内外厂家元件; 可选配电能质量在线监测装置检测光伏发电系统的各电参量,并与后台联机通讯,实现智能化管理; 可选配防孤保护及逆功率保护功能; 具有RS485通讯接口,使用ModBus-RTU通讯协议 | |
汇流箱 |
| APV光伏汇流箱 | 防护等级为IP65,满足室内外安装要求; 采用霍尔传感器,隔离测量,16路输入; 耐压DC1kV,熔断电流可选择; 可选电压测量功能,测量电压DC1kV; 具有RS485通讯接口,ModBus-RTU通讯协议; 可根据客户需求配用国内外厂家的光伏专用直流断路器,光伏专用直流熔断器、防雷保护器等元件。 | |
智能网关 |
| ANet-1E2S1-4G | 嵌入式linux系统,网络通讯方式具备Socket方式,支持XML格式压缩上传,提供AES加密及MD5身份认证等安全需求,支持断点续传,支持Modbus、ModbusTCP、DL/T645-1997、DL/T645-2007、101、103、104协议,支持和调度系统远动通讯。 | |
微机保护测控装置 |
| AM5SE | 适用于35kV和10kV电压等级的线路保护测控、变压器差动、后备保护测控等功能 | |
电能质量监测 |
| APView500 | 电网频率,电压、电流有效值,有功功率、无功功率、视在功率及功率因数,电压偏差,频率偏差,三相电压不平衡度、三相电流不平衡度;三相电压、电流各序分量;基波电压、电流,功率、功率因数、相位等,谐波(2~50次)。包括电压、电流的总谐波畸变率、各次谐波电压、电流含有率、有效值、功率等,谐波群,间谐波电压波动、闪变。可输入57.7V/100V或220V/380V。 | |
弧光保护装置 |
| ARB5 | 集保护、测量、控制、监测、通讯、故障录波、事件记录等多种功能于一体,准确实时监测弧光信号,保护电流,适用于中低压等级电网的弧光故障迅速切除装置。 | |
光伏汇流采集装置 |
| AGF-M16T | 一次电流采用穿孔方式接入,20A,穿孔方式接入,安装方便,安全性高 带3路开关量状态监测,可以对汇流箱内的防雷器、断路器状态进行监控 具有内部测温功能,可实时监测箱内温度,保证电气安全 具有DC1500V母线电压测量功能 具备RS485接口,Modbus-RTU协议,将监测数据上传至后台系统 | |
直流电表 |
| DJSF1352 | 电压输入DC750V,电流输入DC300A/75mV,在分布式光伏项目中适用于储能回路等直流信号设备电量测量和电能计量使用 | |
| DJSF1352RN | |||
| PZ96L-DE | |||
多功能电表 |
| APM800 | 各电压等级全电气参数测量、计量和状态量采集 | |
逆变器 | 逆变器推荐: 阳光电源集中式逆变器SG500MX等 华为商用逆变器SUN2000-196KTL-H3、SUN2000-175KTL-H0等 固德威GW100K-HT、GW120K-HT、GW136K-HTH等 锦浪GCI-(125-230K)-EHV-5G等 | 推荐通讯方式RS485 | ||
5、结语
太阳能作为一种清洁的可再生能源,近年得到了持续开发及推广,特别是我国的光伏产业已走上了快速发展的道路。本文对影响光伏发电效率的因素进行了分析,并对提高光伏发电效率的策略进行了概括论述。相信在科技不断推动下,太阳能利用的广度和深度一定能够得到进一步提高,光伏产业在未来定会大有可为。
【参考文献】
徐国江.浅谈光伏发电运维及影响发电因素[J].综述论坛,2021年第3期
李元.影响太阳能光伏电站系统效率的主要因素分析[J].应用能源技术,2018.11(251).1:34-38
开云网页版登录入口企业微电网设计与应用手册.2022.05版
上一篇:工业以太网的电能计量管理系统的应用