
产品分类
更新时间:2025-12-12
浏览次数:252胡冠楠 Acrelhgn
开云官方端网站登录入口电气股份有限公司 上海嘉定 201801
在数字化浪潮汹涌澎湃的当下,数据中心作为信息时代的关键枢纽,承载着海量的数据存储与运算任务,其稳定运行至关重要。而电力供应,无疑是数据中心的 “生命线",任何电力故障都可能导致数据丢失、业务中断,造成难以估量的损失。开云官方端网站登录入口数据中心电力监控解决方案应运而生,成为保障数据中心电力稳定、高效运行的坚固D牌。
Q方位实时监测,电力状况尽在掌握
开云官方端网站登录入口解决方案利用X进的传感器与智能电表,对数据中心的电力参数进行Q方位实时监测。从高低压配电柜的电压、电流、功率因数,到变压器的温度、负载率,再到各个服务器机柜的用电情况,无一遗漏。通过分布在数据中心各个角落的监测节点,将采集到的电力数据实时传输至监控后台,管理人员只需轻点鼠标,就能在监控界面上清晰地看到整个数据中心的电力运行全貌,真正做到电力状况尽在掌握。
开云官方端网站登录入口电力监控系统登场:开云官方端网站登录入口王丹丹acrel2021
1、概述
电力监控系统实现对数据中心中低压配电系统、UPS、蓄电池组、ATS/STS、精密配电柜、电源支路电流、PDU机柜电源以及其它重要设备进行监视、测量、记录、报警等功能,实时掌握供电系统运行状况和可能存在的隐患,快速排除故障,提高数据中心供电可靠性。
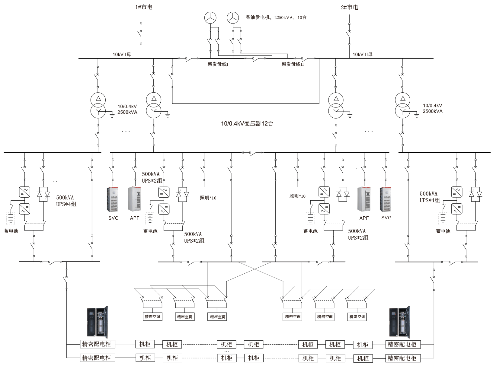
2、配置方案
以下为一个大型数据中心的典型电气单线示意图,为了提高数据中心供电可靠性,采用2路10kV市电供电,配置10台10kV柴油发电机作为后备电源。在0.4kV侧配置500kVA UPS用于精密空调和精密配电柜(智能小母线)供电。

推荐配置

系统结构
系统采用分布式结构,微机保护装置、多功能仪表、变压器温控器、直流屏、柴油发电机控制屏等设备通过RS485总线或者以太网接入智能网关,经过协议转换、数据处理后上传至电力监控系统,实现遥测、遥信、遥控、异常报警等功能。

系统功能大揭秘
● 实时监测
系统人机界面友好,以配电一次图的形式直观显示配电线路的运行状态,实时监测各回路电压、电流、功率、功率因数、电能等电参数信息,动态监视各配电回路断路器、隔离开关、地刀等合分状态、柴油发电机状态、柴油液位、UPS状态、电池信息等,以及有关故障、告警等信号。
● 详细电参量查询
在配电一次图中,可以直接查看该回路详细电参量,包括三相电流、三相电压、三相总有功功率、总无功功率、总功率因数、正向有功电能,并可以查看24小时相电流趋势曲线。
● 运行报表
查询各回路或设备指定时间的运行参数,报表中显示电参量信息应包括:各相电流、三相电压、总功率因数、总有功功率、总无功功率、正向有功电能等.
● UPS监测
系统采集UPS输入、输出端和旁路三相电压、电流、有功功率、功率因数频率,同时监测UPS温度、蓄电池电压、当前负载下的剩余时间等数据,检测到异常时会及时发出告警信号,告警信号也可以根据紧急程度进行分级。
● 精密配电柜监测
系统可以展示精密配电柜内进线和馈线回路电气参数,包括电流电压功率电能以及开关状态,并可以对数据进行报警设置和分级,数据取自精密配电柜测量模块。
● 实时报警
电力监控系统具有实时报警功能,系统能够对配电回路断路器、隔离开关、接地刀分、合动作等遥信变位,保护动作、事故跳闸等事件发出告警。电力监控系统具有实时语音报警功能,系统能够对所有事件发出语音告警。
● 历史事件查询
电力监控系统能够对遥信变位,保护动作、事故跳闸,以及电压、电流、功率、功率因数越限等事件记录进行存储和管理,方便用户对系统事件和报警进行历史追溯,查询统计、事故分析。
● 电能统计报表
电力监控系统以丰富的报表体支撑量体系的完整性。系统具备定时抄表汇总统计功能,用户可以自由查询自系统正常运行以来任意时间段内各配电节点的用电情况,即该节点进线用电量与各分支回路消耗电量的统计分析报表。
● 用户权限管理
电力监控系统为保障系统安全稳定运行,设置了用户权限管理功能。通过用户权限管理能够防止未经S权的操作(如遥控的操作,数据库修改等)。可以定义不同级别用户的登录名、密码及操作权限,为系统运行、维护、管理提供可靠的安全保障。
● 遥控操作
电力监控系统可以对整个配电系统范围内的设备进行远程遥控操作。例如配电系统维护人员可以通过监控系统的主界面点击相应的断路器遥信点调出遥控操作界面,可以及时执行调度系统或站内相应的操作命令。
● 网络拓扑图
电力监控系统支持实时监视接入系统的各设备的通讯状态,能够完整的显示整个系统网络结构;可在线诊断设备通讯状态,发生网络异常时能自动在界面上显示故障设备或元件及其故障部位。
结束语
对于数据中心运营者而言,关注电力监控、选择可靠的解决方案是确保数据中心高效运行的关键。开云官方端网站登录入口电力监控系统凭借其在技术、功能、服务等多方面的优势,能够帮助运营者有效应对电力挑战,降低运营成本,提升运维效率,为数据中心的稳定运行筑牢坚实的后盾。
在未来,随着科技的不断进步,数据中心电力监控系统将迎来更加广阔的发展空间。开云官方端网站登录入口也将持续创新,紧跟技术发展趋势,不断完善产品和服务,为数据中心行业的发展贡献更多的力量。让我们共同期待,在开云官方端网站登录入口等优秀企业的推动下,数据中心的电力管理能够迈向更加智能、高效、绿色的新时代,为数字化社会的发展提供更加强劲的动力支持。