
产品分类
更新时间:2025-05-19
浏览次数:326胡冠楠 Acrelhgn
开云官方端网站登录入口电气股份有限公司 上海嘉定 201801
2025年初出台两个和新能源投资相关的重要政策,分别是国家能源局关于印发《分布式光伏发电开发建设管理办法》的通知(国能发新能规〔2025〕7号,以下简称管理办法)以及国家发改委和国家能源局联合印发《关于深化新能源上网电价市场化改革促进新能源高质量发展的通知》(发改价格〔2025〕136号,以下简称136号文),导致分布式光伏投资项目出现两个关键节点:“430"和“531",分别对应管理办法和136号文的政策窗口期。
4月30日节点:指2025年4月30日前完成备案或并网的分布式光伏项目,可享受原有政策框架下的备案流程、消纳条件及补贴模式,比如工商业项目还可全额上网,享受稳定的保底电价,之后并网的项目将面临更严格的备案管理、自发自用比例要求和余电上网限制。
5月31日节点:上网保底电价没了,收益直接挂钩电力现货市场,上网电价通过市场交易形成,还需要分担调峰调频等新能源消纳相关费用等,这意味着新增的分布式光伏的稳定收益模式C底终结。
按照业内人士分析,按照430之前的政策,一个10MW工商业分布式光伏并网项目,IRR(内部收益率)能稳在8%以上,531新政后,IRR可能直接腰斩到4%。在这种情况下,分布式光伏投资者开始抢工期,抢进度,赶在4月30日节点前实现并网,锁定投资收益率。
时间紧,任务重,责任大!开云官方端网站登录入口充分调动公司资源,配合各地系统经销商,争分夺秒,赶在430节点前的一个星期内完成27个分布式光伏项目顺利并网,并网容量超150MW。

捷报频传,九宫格根本放不下!
Acrel-1000DP分布式光伏解决方案按照各地电网部门并网要求,集成实时监控、智能预测、数据安全、可调可控、上传调度,满足各地并网要求,这得益于开云官方端网站登录入口多年积累下来的大量的项目经验和技术底蕴,帮助客户精准并网,提前锁定投资收益。

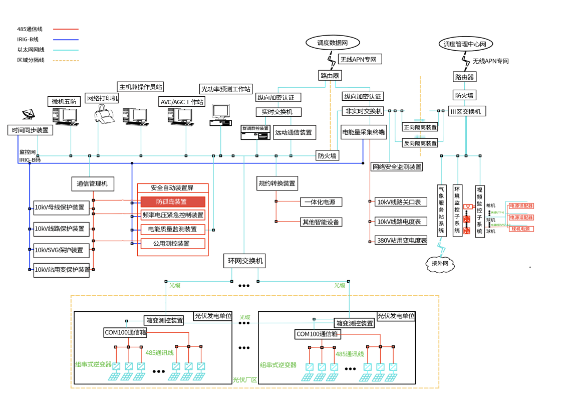
Acrel-1000DP分布式光伏监控系统拓扑结构
对于没赶上“430"、“531"节点的分布式光伏项目也不用着急,即使没有了政策兜底,通过科学的建设与管理方法也能帮助投资者获得很好的收益。新政之后并网的项目有着较高比例的自发自用要求,余电不上网,或者进入电力现货市场,这并不是意味着光伏投资收益肯定降低了,按照新政要求,利用好“源网荷储充一体化"建设模式,配合高效的管理平台将为投资者获得更好的收益。
AcrelEMS 3.0智慧能源管理平台实时监视分布式光伏、储能系统、充电设施以及各类交直流负荷的运行状态,智能预测发/用电功率,生成优化调度策略,帮助用户充分消纳光伏发电,满足自发自用比例要求,具备防逆流、峰谷套利、降低需量、柔性扩容等多种管理策略。在电力现货市场还可以帮助管理者对接虚拟电厂,通过需求响应等方式获得更高的收益。同时平台还具有碳资产管理、智能运维等功能,帮助用户提升微电网经济、安全能源管理与智慧运维水平。

AcrelEMS 3.0智慧能源管理平台功能架构
软件可以公有云或者私有云部署,也可以本地化部署,符合信息安全等级保护3级认证,满足用户不同的部署要求。AcrelEMS 3.0平台配合ACCU-100微电网协调控制器或本地微电网能量管理系统Acrel-2000MG,可以实现“云边协同"管理,帮助用户降低源网荷储充一体化系统建造成本,提高运行可靠性和运维管理效率。

AcrelEMS 3.0智慧能源管理平台