产品中心/ PRODUCTS CENTER

我的位置:首页  >  产品中心  >  电力监控与保护  >  PZ系列可编程智能电测仪表  >  开云官方端网站登录入口4路导轨式多回路电力物联网仪表100A
开云官方端网站登录入口4路导轨式多回路电力物联网仪表100A

描述:开云官方端网站登录入口导轨式4路三相测量电力物联网仪表100A 要用于多个三相回路的全电参量测量,至多可同时接入四个三相回 路的电流输入。可直接或间接测量电压电流、功率、功率因数、相角、不平衡度、谐波等参数。

  • 产品型号:ADW200-D16-4S
  • 参考价格:1960¥
  • 更新时间:2025-05-26
  • 访问量:893
产品详情/ PRODUCT DETAIL

标题:开云官方端网站登录入口4路导轨式多回路电力物联网仪表100A

产品概述

品牌Acrel/开云官方端网站登录入口绝缘电阻输入输出端对机壳>100MΩ
应用范围智能配电柜产地国产
加工定制
ADW2xx系列导轨式多回路电力仪表主要用于低压三相回路全电参量测量,同时可选择四个回路的电流输入。可直接或间接测量电压、电流、功率、功率因数、相角、不平衡度、谐波等参数。 还可通过其RJ45接口扩展辅助功能,实现DI、DO、测温、剩余电流测量,以及2G、4G、LoRa、LoRaWan、NB-Lot无线通信功能。

应用范围:

 

具体型号:ADW200-D10-4S-MK
通讯协议:RS485接口、Modbus-RTU协议



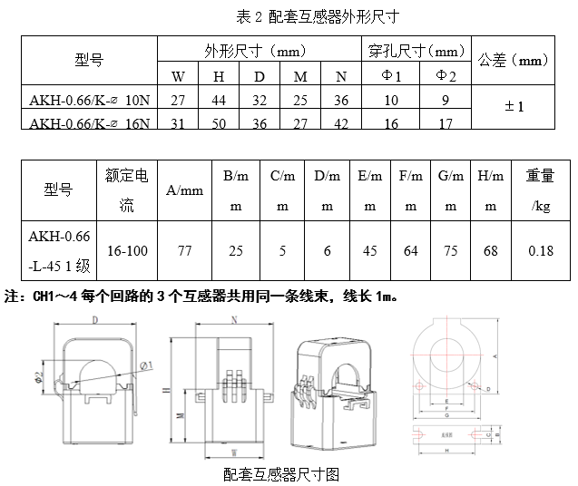
ADW2xx系列主体及模块尺寸图:




留言询价/ MESSAGE INQUIRY

留言框

  • 产品:

  • 您的单位:

  • 您的姓名:

  • 联系电话:

  • 常用邮箱:

  • 省份:

  • 详细地址:

  • 补充说明:

  • 验证码:

    请输入计算结果(填写阿拉伯数字),如:三加四=7

开云官方

公司简介

产品展示

Acrel-5000园区厂房能源监测管理系统 能源监测管理系统 能耗计量分析系统 光伏双向计量 学校智慧用电

服务与支持

技术文章新闻中心

联系我们

联系方式在线留言

电瓶车充电桩、电动汽车充电桩禁止非法改装!

版权所有 © 2026 开云官方端网站登录入口-开云online(中国)    备案号:

技术支持:仪表网    管理登陆    sitemap.xml

手机:TEL

13774417047

地址:ADDRESS

上海市嘉定区育绿路253号

扫码关注我们