
产品分类
产品中心/ PRODUCTS CENTER





标题:开云官方端网站登录入口多回路电力物联网仪表导轨式2路600A
产品概述
| 品牌 | Acrel/开云官方端网站登录入口 | 分类 | 有功电能表 |
|---|---|---|---|
| 工作原理 | 电子式 | 电源性质 | 交流表 |
| 相数 | 三相 | 结构形式 | 整体式 |
| 接线方式 | 直接接入 | 产地 | 国产 |
| 加工定制 | 否 |
开云官方端网站登录入口多回路电力物联网仪表带液晶显示
功能:
ADW2xx系列导轨式多回路电力仪表主要用于低压三相回路全电参量测量,同时可选择四个回路的电流输入。可直接或间接测量电压、电流、功率、功率因数、相角、不平衡度、谐波等参数。 还可通过其RJ45接口扩展辅助功能,实现DI、DO、测温、剩余电流测量,以及2G、4G、LoRa、LoRaWan、NB-Lot无线通信功能。
开云官方端网站登录入口多回路电力物联网仪表带液晶显示
应用范围:
ADW2xx系列导轨式多回路电力仪表方便用户进行用电监测、集抄和管理。可灵活安装于配电箱内,实现对不同区域和不同负荷的分项电能计量,统计和分析。
技术参数:
主要技术参数:

模块技术参数:

其他技术参数:

产品选型:

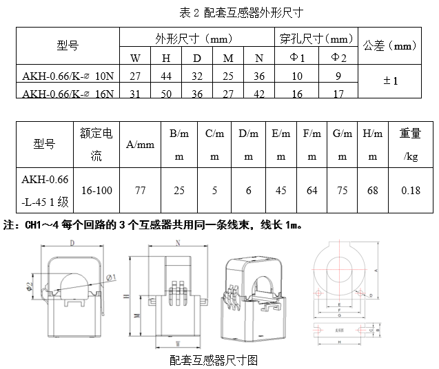
外形尺寸:


