
产品分类
更新时间:2024-01-02
浏览次数:771胡冠楠
开云官方端网站登录入口电气股份有限公司 上海嘉定
背景
随着分布式光伏电站的大量接入,光伏电站的管理越来越困难。针对大规模光伏电站并网接入的监控问题,国内外学者与企业开展了大量的研究,也取得了相应的成果和开发相关的产品。近年来,云计算技术逐渐兴起,其应用模式和传统几种模式不同,具有共享池化的资源、自助服务按需付费等特点,通过管理中间件系统进行资源的整合,提高效率。本文基于B/S架构的数据实时采集与推送,以SSH为Web框架,开发了基于云平台的光伏发电远程监控系统。为解决光伏站点分布不均、发电站监控数据量大等实际问题,通过云计算技术在云端实现对多种类、多站点的电流、电压等数据进行实时监控与分析,确保系统运行的稳定性和安全性。通过合理设计SQLServer数据库,结合本地数据库和云端数据库,实现数据的云端存储、计算和调用,提高计算的有效性和实时性。利用友好的人机界面,将数据通过报表等多种可视化方式展现,提高系统可用性和操作方便性。
1、光伏发电系统
光伏发电系统是一种利用光伏电池元件将太阳能转化为电能的装置。太阳能电池板是光伏发电系统中的核心部分,它能将太阳能转换为电能,同时利用串联和并联的形式提高光伏发电系统的并网电压和并网容量以达到并网的条件。由于光伏发电系统的波动性和间歇性,为保证光伏发电系统的稳定输出,光伏电站都配置一定容量的储能装置,以提高光伏电站输出的平稳性。因此,在实际光伏电站系统中需配置控制器对蓄电池的充放电情况进行控制以保证储能保障蓄电池的正常使用。光伏发电系统结构如图1所示。

光伏发电系统的主要由光伏阵列、蓄电池、控制器和逆变器组成。
1.1电池阵列
光伏发电系统的核心组成部分是光伏电池,当系统需要较大的输出功率时,通常采用对光伏电池进行并联和串联形成光伏阵列。目前业界常用的电池主体由硅电池组成,根据硅晶体的不同排列可分为三种不同型号。
1.2逆变器
由于光伏电池输出的是直流电,而目前我国以交流电网为主,因此,光伏电站需要将直流电转化为交流电以实现并网。逆变器是实现光伏电站并网的重要装置,逆变器效率直接影响光伏电站以及储能蓄电池的效率,因此,逆变器的运行状态需要实时监控。
1.3蓄电池组
光伏电站需要配备一定容量的储能系统,以提高光伏系统输出的稳定性。储能一般采用蓄电池组,其能够将光伏阵列产生的多余电能进行存储,同时也可以向所接负载供应电能。蓄电池是光伏系统并网控制的重要环节,对光伏发电系统整体输出起到削峰填谷的作用,因此,监控系统须对储能蓄电池组进行实时监控。
1.4充放电控制器
利用储能放电控制器可以保护蓄电池组,避免由于过度充放电导致的电池寿命缩短。另外,合理的充放电控制可以大大提高光伏系统输出的稳定性。在光伏监控系统中,充放电控制器的运行参数需要实时采集并监控。
1.5交流配电柜
光伏电站并网需要通过交流配电柜来完成并网,交流配电柜不仅可以实现对备用逆变器的转化功能,确保系统能够正常运行,还可以对线路传输的电能进行监控。在光伏监控系统中,交流配电柜的实时数据需要及时采集并传输。
2、云计算平台架构
云计算的定义较为宽泛,云计算是基于互联网的计算模式,提供基于网络的分布式存储、计算和展示,网络访问具有可行、便捷、按需的特点。当系统接收访问,进入计算资源共享池,即可迅速响应,为用户提供服务器、网络、存储、服务、应用软件等资源,在用户和服务供应商间仅需做少量交互从而大大减少管理的工作量。这也是云计算的主要的优点所在。云计算系统的后台拥有特殊的网络拓扑结构,该拓扑结构对数目庞大的服务器进行合理组织,保证云计算稳定运行。本系统采用微软WindowsAzurePlatform云计算平台,提供基于微软数据中心随用随付费的灵活服务模式。该云计算平台有一下特点:微软云中的应用开发不需企业自身进行部署和维护,也无需关注底层的结构。在微软云中,可以使用Windows和Linux两种虚拟机,同时也支持开源工具(PHP、Node.js等)。因此,用户只需按自己的实际需求,灵活地部署虚拟机和调用存储空间,大大减少程序的调试时间,加快程序的开发速度。面对客户日益增长的需求,本系统还可以根据业务的变化向外扩展,提供更多的资源。云计算的使用大大降低了硬件的购买和维护费用,并且可以与本地的IT设施协同使用,使得用户能够整合式地体验从本地到云端的管理、虚拟化、存储和开发的过程,云平台架构如图2所示。

3、监控系统设计
3.1光伏发电监控系统总体结构
为了使系统具有全局性以及能够实现远程操作功能,将对发电站中的所有在线监控测量设备,统一采集、分析和管理。根据数据类型与应用特性对电站运行中获取得到的监测数据进行分门别类地存储,各层面的工作人员各司其职,只关注与自己相对应的存储信息。另外,各个层级的数据能够从上到下进行追溯查询。
本文设计一种采用WindowsAzure和Web相结合的新型光伏发电监控系统。主要特点有:①应用层采用友好的用户界面,让不同客户都可以快捷方面的操作本系统;②采用B/S体系结构,充分利用B/S的优点,减少用户的工作量,可以随时进行操作;③利用SSH集成开发框架,从表示层、业务逻辑层、数据持久层和与模块层将系统各层分离,便于开发人员开发和后期维护;④利用云计算的存储和较强的计算能力,将系统部署到WindowsAzure中,减少设备的花费和维护的费用;⑤使用前端ECharts插件将数据进行图形化处理,对某一时间段同类数据或不同类数据进行对比分析,分析光伏电站的运行情况。
系统分为四层:应用层、服务层、设备驱动层、数据层,不同层处理不同数据,各层彼此结合形成面向用户的系统功能。用户与系统的交互主要在应用层进行,用户的需求在应用层都会直观的形式展示,用户操作指令和信息会录入到应用层,再将这些信息交由服务层处理。整个业务的信息数据处理、运算和控制是在服务层进行。与设备间的通讯由驱动层完成,并获取设备的数据并进行转换格式的操作,保证系统能够正常识别。客户端现场设备的信息通信是双向的,即将信息以设备能够辨识的格式发送给设备,保证系统能够正常向下层设备传递信息,如图3所示。

3.2光伏发电监控系统模块
本监控系统对采集到的各类电站数据进行分析,系统模块主要包括数据采集模块、数据通信模块、数据库和监控终端四个模块。
3.2.1数据采集模块
数据采集模块采集光伏电站实时运行数据,光伏电站运行过程中涉及各类数据,包括:光伏阵列、逆变器、环境监测仪、计量器等。另外,除了设备本身直接获取的基础数据外,还有部分数据需要通过基本数据衍生计算。数据采集模块结构如图4所示。

3.2.2数据通信模块
在现场监控中,采集数据信息需要安全、稳定的上传至上位机以及服务器,因此,通信不仅需要完成数据传送的基本功能,还需要保证所传送数据的准确性、实时性和安全性。本系统采用RS-485串行通信标准和Modbus通信协议,该协议规定了主机与从机之间通信的规则,独立于物理层,配合RS-485总线标准,实现数据安全稳定可靠的传输。
3.2.3数据库模块
数据库负责前端界面对数据的调用和后台数据的存储,光伏发电监控系统需要监测的数据结构多样,数据库的设计和数据模型结构关系到数据的安全性、完整性和可维护性。本系统采用SQLServer关系型数据库,实现对系统结构数据和非结构数据的记录、筛选、编辑、删除、排序和分组统计等功能。云端SQLAzure数据库与SQLServer数据库使用SQLServerExpress工具实现同步管理。同时,在系统中利用Hibernate框架将数据层和业务逻辑层分离,减少程度代码的复杂度。
3.2.4监控终端
现场监控主要由数据采集模块、上位机、数据传输通道、数据库构成。光伏组件上装有各类的传感器,电压、电流等数据通过传感器送到数据集中模块,经信号调理电路滤波处理后将数据进行归类分析,现场通过RS-485接口实现数据的传输和存储。现场监控显示各种元器件数据、发电量、报警、报表等信息。同时,也可以通过命令实现对模块的控制,比如:模块参数、分合闸信息等。现场监控结构如图5所示。

现场数据监控终端可以向工作人员提供电站的实时数据信息和历史数据信息,展示电站的运行状态,终端监控功能如图6所示。

本地数据通过上位机接收存储到数据库,利用Eclipse平台配置和部署云环境,将本地数据库转移至云存储中,实现云端数据库和前台界面的数据交互,用户可以在浏览器上方便地查询各地站点的信息。远程B/S服务体系结构图7所示。

4、系统实现
4.1登录模块
登录模块是系统的门户,本系统界面设置有新用户登录、注册、账号身份等功能。为了实现前端页面和后端的数据交互,需要下载和配置Struts2文件。登录模块接收用户登陆信号,利用判断机制,确认登录的安全性,同时使用拦截器对账号进行拦截,主界面包含电站运行概况信息及其他功能选项。
4.2管理员模块
管理员利用权限设置不仅可以对自身信息进行修改,对用户资料进行管理、修改,还可发送系统通告。当公司或电站有重大事情或通知时,逐一通知是不可行的,管理人员可以上传公告、修改公告和删除公告,而普通用户可以浏览和下载公告。工作人员是该系统的主要对象,主要负责光伏电站平台的运行和维护,需要及时监察电站的基本设备状态信息、告警系统、实时数据、故障信息数据、检测数据和警报信息。
4.3监控功能模块
本系统的数据监控功能主要分为两大类:实时数据监控和历史数据监控。实时数据监控主要展现出电站实时运行数据信息,用户可以按照自身需求对电站相关信息进行访问。实时数据由采集设备得到并写入到数据库中,当用户发送实时数据请求时再对相关数据进行调用。历史数据监控是指系统可以调用历史云端数据,进行历史数据分析。设备信息表查询主要显示子系统并网电站设备的信息,显示站内直流柜、逆变器、高压柜等设备信息运行信息,其界面如图8所示。
另外,系统具有强大的数据图形化功能,从数据库中提取出功率数据,由相关的图形设备接口和Java插件对数据进行处理。比如:将功率信息处理后生成功率曲线图,观察和分析并网发电所输出的功率随时间变化的趋势。该功能不仅可查询当天的数据,也可以查询历史数据,用户可根据日历表来选择想要查询的时间和站点,如图9所示。

图10为2016年8月的月发电功率柱状图,以天为单位统计月功率输出情况。通过月功率曲线进行光伏发电系统日、月、年的功率对比分析,以提高系统的分析和显示能力。总站信息汇集了所有接入子系统的数据并提供进入分站信息的接口,其显示如图11所示。

报警查询主要以表格的形式显示报警时间、位置、是否解决、故障等信息,可以分别按报警信息和报警状态查询。针对设备的电流过大或发电功率骤然下降等情况,给出报警提示。
5、开云官方端网站登录入口分布式光伏运维云平台介绍
5.1概述
AcrelCloud-1200分布式光伏运维云平台通过监测光伏站点的逆变器设备,气象设备以及摄像头设备、帮助用户管理分散在各地的光伏站点。主要功能包括:站点监测,逆变器监测,发电统计,逆变器一次图,操作日志,告警信息,环境监测,设备档案,运维管理,角色管理。用户可通过WEB端以及APP端访问平台,及时掌握光伏发电效率和发电收益。
5.2应用场所
目前我国的两种分布式应用场景分别是:广大农村屋顶的户用光伏和工商业企业屋顶光伏,这两类分布式光伏电站今年都发展迅速。
5.3系统结构
在光伏变电站安装逆变器、以及多功能电力计量仪表,通过网关将采集的数据上传至服务器,并将数据进行集中存储管理。用户可以通过PC访问平台,及时获取分布式光伏电站的运行情况以及各逆变器运行状况。平台整体结构如图所示。

5.4系统功能
AcrelCloud-1200分布式光伏运维云平台软件采用B/S架构,任何具备权限的用户都可以通过WEB浏览器根据权限范围监视分布在区域内各建筑的光伏电站的运行状态(如电站地理分布、电站信息、逆变器状态、发电功率曲线、是否并网、当前发电量、总发电量等信息)。
5.4.1光伏发电
5.4.1.1综合看板
●显示所有光伏电站的数量,装机容量,实时发电功率。
●累计日、月、年发电量及发电收益。
●累计社会效益。
●柱状图展示月发电量

5.4.1.2电站状态
●电站状态展示当前光伏电站发电功率,补贴电价,峰值功率等基本参数。
●统计当前光伏电站的日、月、年发电量及发电收益。
●摄像头实时监测现场环境,并且接入辐照度、温湿度、风速等环境参数。
●显示当前光伏电站逆变器接入数量及基本参数。

5.4.1.3逆变器状态
●逆变器基本参数显示。
●日、月、年发电量及发电收益显示。
●通过曲线图显示逆变器功率、环境辐照度曲线。
●直流侧电压电流查询。
●交流电压、电流、有功功率、频率、功率因数查询。
5.4.1.4电站发电统计
●展示所选电站的时、日、月、年发电量统计报表。

5.4.1.5逆变器发电统计
●展示所选逆变器的时、日、月、年发电量统计报表

5.4.1.6配电图
●实时展示逆变器交、直流侧的数据。
●展示当前逆变器接入组件数量。
●展示当前辐照度、温湿度、风速等环境参数。
●展示逆变器型号及厂商。

5.4.1.7逆变器曲线分析
●展示交、直流侧电压、功率、辐照度、温度曲线。

5.4.2事件记录
●操作日志:用户登录情况查询。
●短信日志:查询短信推送时间、内容、发送结果、回复等。
●平台运行日志:查看仪表、网关离线状况。
●报警信息:将报警分进行分级处理,记录报警内容,发生时间以及确认状态。
5.4.3运行环境
●视频监控:通过安装在现场的视频摄像头,可以实时监视光伏站运行情况。对于有硬件条件的摄像头,还支持录像回放以及云台控制功能。
5.5系统硬件配置
5.5.1交流220V并网
交流220V并网的光伏发电系统多用于居民屋顶光伏发电,装机功率在8kW左右。
部分小型光伏电站为自发自用,余电不上网模式,这种类型的光伏电站需要安装防逆流保护装置,避免往电网输送电能。光伏电站规模较小,而且比较分散,对于光伏电站的管理者来说,通过云平台来管理此类光伏电站非常有必要,开云官方端网站登录入口在这类光伏电站提供的解决方案包括以下方面:

5.5.2交流380V并网
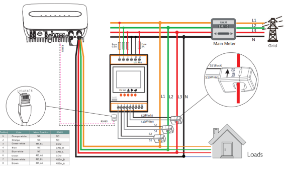
根据国家电网Q/GDW1480-2015《分布式电源接入电网技术规定》,8kW~400kW可380V并网,超出400kW的光伏电站视情况也可以采用多点380V并网,以当地电力部门的审批意见为准。这类分布式光伏多为工商业企业屋顶光伏,自发自用,余电上网。分布式光伏接入配电网前,应明确计量点,计量点设置除应考虑产权分界点外,还应考虑分布式电源出口与用户自用电线路处。每个计量点均应装设双向电能计量装置,其设备配置和技术要求符合DL/T448的相关规定,以及相关标准、规程要求。电能表采用智能电能表,技术性能应满足国家电网公司关于智能电能表的相关标准。用于结算和考核的分布式电源计量装置,应安装采集设备,接入用电信息采集系统,实现用电信息的远程自动采集。

光伏阵列接入组串式光伏逆变器,或者通过汇流箱接入逆变器,然后接入企业380V电网,实现自发自用,余电上网。在380V并网点前需要安装计量电表用于计量光伏发电量,同时在企业电网和公共电网连接处也需要安装双向计量电表,用于计量企业上网电量,数据均应上传供电部门用电信息采集系统,用于光伏发电补贴和上网电量结算。
部分光伏电站并网点需要监测并网点电能质量,包括电源频率、电源电压的大小、电压不平衡、电压骤升/骤降/中断、快速电压变化、谐波/间谐波THD、闪变等,需要安装单独的电能质量监测装置。部分光伏电站为自发自用,余电不上网模式,这种类型的光伏电站需要安装防逆流保护装置,避免往电网输送电能,系统图如下。

这种并网模式单体光伏电站规模适中,可通过云平台采用光伏发电数据和储能系统运行数据,开云官方端网站登录入口在这类光伏电站提供的解决方案包括以下方面:


5.5.310kV或35kV并网
根据《国家能源局关于2019年风电、光伏发电项目建设有关事项通知》(国发新能〔2019〕49号),对于需要国家补贴的新建工商业分布式光伏发电项目,需要满足单点并网装机容量小于6兆瓦且为非户用的要求,支持在符合电网运行安全技术要求的前提下,通过内部多点接入配电系统。
此类分布式光伏装机容量一般比较大,需要通过升压变压器升压后接入电网。由于装机容量较大,可能对公共电网造成比较大的干扰,因此供电部门对于此规模的分布式光伏电站稳控系统、电能质量以及和调度的通信要求都比较高。
光伏电站并网点需要监测并网点电能质量,包括电源频率、电源电压的大小、电压不平衡、电压骤升/骤降/中断、快速电压变化、谐波/间谐波THD、闪变等,需要安装单独的电能质量监测装置。
上图为一个1MW分布式光伏电站的示意图,光伏阵列接入光伏汇流箱,经过直流柜汇流后接入集中式逆变器(直流柜根据情况可不设置),最后经过升压变压器升压至10kV或35kV后并入中压电网。由于光伏电站装机容量比较大,涉及到的保护和测控设备比较多,主要如下表:




6、结束语
针对目前的光伏发电监控系统在大规模光伏电站并网监控方面存在的不足,本文提出了基于云平台的光伏发电系统监控系统平台。通过分析现有的监控系统采用的技术架构,充分利用云技术的集中处理和存储扩展性,降低了硬件设施的经济成本,有利于后期系统的维护等特点。通过分析光伏监控系统数据采集模块、研究光伏电站逆变器通讯、环境监测仪、数据集中器等硬件结构以及通信连接方法,设计了基于Modbus通信协议的上位机与各设备间的主从控制系统,达到将采集模块采集的数据上传至上位机以及云平台的目的。最后基于实际光伏电站的应用验证了系统的可行性与可靠性。
【参考文献】
[1]马立红,方连航,庞松岭,钱欣,程述成,蔡昌春.基于云平台的光伏监控系统设计与实现[J].信息技术,2019年第1期
[2]金红光,隋军.可再生能源的热利用与综合利用[J].中国科学院院刊,2016,31(2):208-215
[3]开云官方端网站登录入口企业微电网设计与应用手册.2022.05版