
产品分类
更新时间:2024-01-02
浏览次数:650胡冠楠
开云网页版登录入口电气股份有限公司 上海嘉定
福建某电力建设集团有限公司成立于2008年4月22日,占地面积42486平方米,总建筑面积61548平方米。现集团下属有电力勘察设计院、电气设备制造厂、电力建设公司(变电公司、配电公司)为一体的国家高新技术企业。是国网公司供配电设施入围单位,也是大型央企、大型房企、大型工业企业、大型商业企业、大型市政项目核心的变配电系统供应商。公司产品包括安全型充气柜、中置柜、低压柜、预装式变电站、动力配电箱等。现集团公司在职人员500多人,年业绩近10亿,在全国承接的大型电力工程累计已有1600多项,均在安全运行,目前已是国内较有竞争力的电力工程EPC总承包的大型企业。
2 产品需求
本次针对福建某电力集团泽胜翔安火炬园10/0.4KV光伏项目装设AM5SE-IS防孤岛保护装置,主要是利用装置中的频率突变跳闸和有压自动合闸功能实现对整个系统的保护作用。
正常运行时,线路的频率处于平衡稳定的值,当频率波动较大,其频率变化率超过了规定的定值时,可能会导致用电设备遭到破坏影响供电质量且对电力维修人员的生命安全有很大的威胁。因此,需要频率突变保护功能跳开并网点开关,对电站起到保护作用。
频率突变跳闸保护功能主要是监测线路中的频率变化率,当线路有流,或线路有压且断路器合闸时,若频率变化率df/dt大于频率突变定值,装置经可设延时发出频率突变跳闸命令。保护逻辑如下图。
图1 频率突变保护逻辑
有压自动合闸保护功能主要是为了能够保护电网与光伏电站之间安全工作同时,保证用户的方便,需要做到光伏电站系统欠压/失压自动跳闸,检有压后自动合闸。这样既可保证设备的安全,电网的稳定,又可降低人力维护成本。
当检测到市电侧电压恢复正常,频率正常,且待并侧电压和市电侧电压的电压幅值、电压频率和电压相角满足同期条件时,若断路器处于分位,装置经可设延时发出有压自动合闸命令。其中,同期动作的判断条件可以选择投入或退出,若退出,则不加入同期动作条件,仅判断市电侧电压、频率。保护逻辑如下图。

图2 有压自动合闸保护逻辑
3 产品方案
本工程线路主要包括市电侧和光伏并网侧两大部分,由于孤岛效应在光伏并网系统中经常发生,因此需要在并网柜处安装AM5SE-IS防孤岛保护装置,利用其频率突变跳闸和有压自动合闸保护功能保证人员和电网的安全可靠运行,整个配电室上图方案如下:

图3 配电室上图方案
针对本项目的一次方案及二次图纸设计如下:

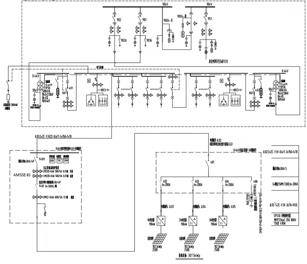
图4 一次方案设计图

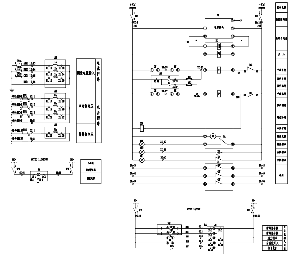
图5 并网柜二次原理图
4 测试
在与客户沟通后,客户于2022年1月5日对防孤岛保护装置的频率突变跳闸和有压自动合闸保护功能进行调试。
4.1测试仪器和保护装置

图6 现场AE型继电保护测试仪电压电流接线


图7 AM5SE-IS防孤岛保护装置一次模拟图 图8 现场调试环境
4.2频率突变保护测试
4.2.1测试项目
根据现场施工图纸及客户需求,本次频率突变保护装置测试值设置见表1:

表1 AM5SE-IS频率突变保护测试值设置
4.2.2测试流程
根据表1所示进行现场接线与测试值设置。
先让断路器处于合闸状态,如图9所示。然后在端子X1.17-X1.18、X1.19-X1.20、X1.21-X1.22上施加57.74V电压,按照图10设置频率变化率参数,装置经延时保护跳闸,对应的指示灯亮,如图11所示。

图9 断路器合闸状态

图10 频率突变参数设置

图11 频率突变保护动作事件记录
4.3有压自动合闸保护测试
4.3.1测试项目
根据现场施工图纸及客户需求,本次有压自动合闸保护要求在市电侧和并网侧检同期的情况下,触发有压自动合闸保护功能,所以需要有压自动合闸和同期功能都投入,有压自动合闸保护测试值设置见表2,检同期测试值设置见表3:

表2 AM5SE-IS有压自动合闸测试值设置

表3 AM5SE-IS检同期测试值设置
4.3.2测试流程
根据表2、表3所示进行现场接线与测试值设置。
先让断路器处于分闸的状态,如图12所示,并给合后位开入对应的开入量施加信号(AC/DC 220V或AC/DC110V),然后在端子X1.17-X1.18、X1.25-X1.26上分别施加电压UA=UB=57.74V∠0°,频率f=49.99Hz,具体设置如图13所示。经延时,装置发出同期合闸及保护合闸事件记录,如图14、图15、图16所示。

图12 断路器分闸状态

图 13 电压施加窗口

图14 同期合闸动作事件记录 图15 有压自动合闸动作事件记录

图16 电压、频率遥测显示
4.4测试结论
本次测试对AM5SE-IS防孤岛保护装置进行了频率突变跳闸和有压自动合闸保护功能验证,测试结果均符合用户技术要求。AM5SE-IS防孤岛保护装置的频率突变跳闸能防止线路频率变化率突变,有压自动合闸保护能够在系统失压后检测到有压,断路器自动合闸,可以确保系统恢复正常供电。
5 结语
防孤岛保护装置是光伏并网系统中的重要组成部分,许多重要场所0.4kV的低压变电站都会引入燃油发电机或者小型光伏变电站,这些基本为用户侧自备式电源系统,自发自用,不向中压电网或高压电网馈电。本文介绍的AM5SE-IS防孤岛保护装置频率突变功能可对线路中的频率变化率进行实时监测,当检测到频率变化率超过了规定的定值时,装置发出频率突变跳闸命令跳开断路器。有压自动合闸功能可做到光伏电站系统欠压/失压自动跳闸,检有压后自动合闸。这样既可保证设备的安全,电网的稳定,又可降低人力维护成本。