
产品分类
更新时间:2024-12-10
浏览次数:553胡冠楠
开云官方端网站登录入口电气股份有限公司 上海嘉定
摘 要:分布式光伏发电特指在用户场地附近建设,运行方式以用户侧自发自用、余电上网,且在配电系统平衡调节为特征的光伏发电设施,是一种新型的、具有广阔发展前景的发电和能源综合利用方式,它倡导就近发电,就近并网,就近转换,就近使用的原则,不仅能够有效提高同等规模光伏电站的发电量,同时还有效解决了电力在升压及长途运输中的损耗问题,发展分布式光伏发电对优化能源结构、实现“双碳目标"、推动节能减排、实现经济可持续发展具有重要意义。
关键词:分布式光伏;自发自用;余电上网;“双碳目标"
光伏发电具有显著的能源、环保和经济效益,是绿色能源之一,在我国平均日照条件下安装1 千瓦光伏发电系统,1 年可发出1200 度电,可减少煤炭(标准煤)使用量约400 千克,减少二氧化碳排放约1 吨。根据世界自然基金会研究结果:从减少二氧化碳效果而言,安装1平米光伏发电系统相当于植树造林100 平米,目前发展光伏发电等可再生能源是根本上解决雾霾、酸雨等环境问题的有效手段之一。
本次建设规模为18000千瓦分布式光伏发电。本项目电量结算原则为: 自发自用、余电上网。项目计划2023年7月底建成投产,本期项目投运后年均 发电量约2400万千瓦时。该重工企业光伏电站至公共连接点(丰山第一开闭所904开关、丰山第三开闭所924开关、10KV顶丰Ⅱ回955线路新城支线非15杆)所有工程由投资建设;在丰山第一开闭所904开关、丰山第三开闭所924开关、10kV顶丰Ⅱ回955线路新城支线非15杆、该重工企业光伏配电室3个并网点处装设 A 级电能质量在线监测装置;丰山第一开闭所904开关、 丰山第三开闭所924开关、10kV顶丰Ⅱ回955线路新城支线非15杆的、重工企业配电室内的计量表、重工企业光伏开关室的3个并网点装设供电公司提供的光伏发电计量表。
图1 项目现场图
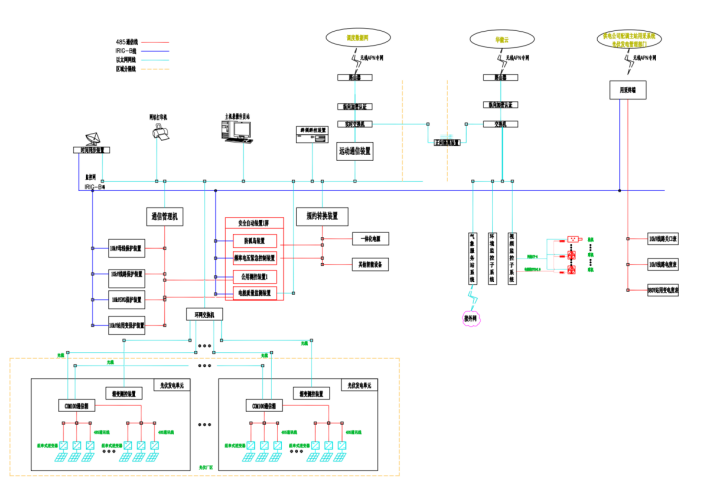
分布式光伏监控系统是指:通过执行规定功能来实现某一给定目标的一些相互关联单元的组合,利用计算机技术、现代电子技术、通信技术和信息处理技术等实现对变电站二次设备的功能进行重新组合、优化设计,对光伏电站全部设备的运行情况执行监视、测量。
系统可分为三层结构:即现场设备层、网络通讯层和平台管理层。
现场设备层:包含微机保护、电能质量在线监测装置、故障解列装置、多功能仪表、计量表等设备,用于采集站内配电柜内电气运行参数、开关状态等数据,同时分别在10kV变电所配置多套直流电源,保障现场设备良好的运行环境。
网络通讯层:包含ANet-2E4SM智能网关。网关主动采集现场设备层设备的数据,并可进行规约转换,数据存储,分散10kV变电站通过数据采集箱(内置智能网关)采集数据通过光纤上传至通信室分布式光伏监控系统统平台;同时网关充当远动通信装置,将现场设备数据采集后通过交换机经纵向加密数据加密后上传调度网。
平台管理层:l分布式光伏监控系统平台、国网漳州供电公司调度控制中心平台。
图2 监控系统网络结构图
本项园区采用10kV供电,电源接入点为4处,变压器总容量为5600+3250+800+3150=12800kVA。
在1#高计配电房东南测新建一座18.8M*4.5M配电房做为1#光伏配电房;在7#高计配电房东测新建一座6.2M*7.2M配电房做为2#光伏配电房;在5#配电房西测新建一座18.8M*5M配电房做为3#光伏配电房。三个高压并网点采用XGF10-Z-1国网典型设计方案。
图3 光伏电站一次系统图
该项目为一般厂房用电,按三级负荷要求供电,10kV采用单母线接线方式。。拟在重工企业内十二个屋面建设17.99985MWp分布式光伏发电项目,项目采用“自发自用,余电上网"模式,共利用原有三个电源点作为光伏高压并网点并入电网端,每个并网点均设置光伏进线柜、光伏并网计量柜、光伏出线柜。新增的光伏系统配置自动化系统,实时采集并网信息,信息上传至当地调控中心DMS系统。光伏发电逆变器电源电压为800V,经室内升压变升压至10kV后,通过高压电缆接入新增的10kV光伏高压柜,并入原10kV市电高压柜。
图4 光伏电站原有一次系统图
图5 光伏电站原有开闭所屏柜布置图
本次工程为17.99985MWp的分布式光伏发电项目,项目采用“自发自用,余电上网"模式,新建1#、2#、3#光伏配电室,分别接入三个区域屋顶光伏发电设备。根据用户配电系统管理需求,需要对10kV开关柜、光伏逆变器、交直流系统等进行全方面监控与保护,及时发现故障故障,保证配电系统可靠运行。
在3#光伏配电室配置一套Acrel-1000DP分布式光伏监控系统,通过通信管理机及网络交换机实时采集各个光伏配电间的继电保护装置、电能质量、安全自动装置、光伏逆变器等二次设备数据,实现整个厂区供配电系统的电力监控与自动化管理。
在各个配电室配置一套直流电源系统(带蓄电池)和UPS电源,为整个光伏电站的断路器执行机构、二次设备及监控主机等重要设备运行提供稳定可靠的电源。
在每间光伏配电室光伏计量柜配置关口计量电能表、并网电能表、自用电计量电能表,并网电能表,用于光伏发电计费补偿;关口计量电能表,用于用户与电网间的上、下网电量 计量及余电上网的计费;自用电计量电能表,用于计量用电客户自用电量。
本项目采用5G无线专用通道方式,通过光伏纵向加密上传到漳州供电公司16楼通信机房,并接入配网主站。一面远动通讯屏,远动通讯屏配置数据1台5G无线路由器、2台交换机、2台纵向加密装置、1台正向隔离装置、1台远动装置、1台群调群控装置。具备与电网调度机构进行双向通信的能 力,能够实现远程监测和控制功能,应能接收、执行调度端远方控制解/并列、启停和发电功率的 指令,具备群调群控及远动功能,有关光伏电站本体信息的采集、处理采用监控系统来完成,具 备符合相关标准通信协议的远传功能。
分布式电源继电保护和安全自动装置配置应符合相关继电保护技术规程、运行规程和反事故 措施的规定,装置定值应与电网继电保护和安全自动装置配合整定,防止发生继电保护和安全自 动装置误动、拒动,确保人身、设备和电网安全。10kV接入的分布式电源,保护和安全自动装置 配置还应满足《分布式电源涉网保护技术规范》(Q/GDW 11198)的要求。
1.线路保护:光伏电站线路发生短路故障时,线路保护能快速动作,瞬时跳开相应并网点断 路器,满足全线故障时快速可靠切除故障的要求。为保障供电可靠性,减少停电范围,在#1高压配电室10kV进线柜901开关、#7高压配电室10kV进线柜901开关、#5高压配电室 10kV进线柜901开关各配置1套带方向过流保护(保护测控一体)及安全解列装置。在#1高压配电室光伏接入柜906开关、#7高压配电室光伏接入柜903开关、5高压配电室光伏 接入柜904开关各配置1套带方向过流保护(保护测控一体)。
2.安全自动装置:在非高压配电室10kV进线柜901开关、#7高压配电室10kV 进线柜901开关、5高压配电室10kV进线柜901开关各装设1套安全自动装置,实现频率电压 异常紧急控制功能,跳开光伏电站侧断路器。
3.防孤岛保护:分布式电源应具备快速监测孤岛且立即断开与电网连接的能力,防孤岛保护 动作时间不大于2S,其防孤岛保护应与配电网侧线路重合闸和安全自动装置动作时间相配合。在 本光伏电站并网点装设防孤岛保护装置,防止产生非计划性孤岛。
4.光伏电站本体应具备故障和异常工作状态报警和保护的功能。
5.光伏电站应支持调度机构开展"四遥"(遥测、遥信、遥控、遥调)应用功能。
6.恢复并网:当光伏发电系统因电网扰动脱网后,在电网电压和频率恢复到正常运行范围之 前,光伏发电系统不允许并网;在电网电压和频率恢复正常后,通过10kV电压等级并网的分布式 电源恢复并网应经过电网调度机构的允许。
7.逆变器应具备高/低压解列及高/低频解列功能,应具备防孤岛保护功能以实现快速监测到孤 岛后立即断开与电网的连接,防孤岛方案应与继电保护、安全自动装置等相配合;逆变器应符合 国家、行业相关技术标准,具备高/低电压闭锁、检有压自动并网功能,检有压定值宜整定为85%UN (实际定值以设计方案为准)。
8.防孤岛保护是针对电网失压后分布式电源可能继续运行、且向电网线路送电的情况提出。 孤岛运行一方面危及电网线路维护人员和用户的生命安全,干扰电网的正常合闸;另一方面孤岛 运行电网中的电压和频率不受控制,将对配电设备和用户设备造成损坏。防孤岛装置应具备线路 故障时,确保电源能及时断开与电网连接,确保重合闸能正确动作。
9.系统继电保护应使用专用的电流互感器和电压互感器的二次绕组,电流互感器准确级宜采 用5P、10P级,电压互感器准确级宜采用0.5、3P级。
10.光伏电站内需配置直流电源屏(带蓄电池)和UPS电源,供新配置的保护装置、测控装置、 电能质量在线监测装置等设备使用。
光伏电站应满足《国网福建电力做好中低压分布式电源接入系统优质服务指导意见》(闽电发展(2022〕381号)有关自动化的规定:10kV接入的分布式电源,信息采集、控制调节等应 满足《分布式电源并网技术要求》(GB/T 33593-2017)及闽电调〔2022〕268号国网福建电力 关于印发《福建省中低压分布式电源采集信号规范(试行)》要求。
光伏电站投运后,由县调调度,并由县级供电公司对运行进行管理。因此,需建立光伏电站至县调的调度通信以及远动等信息和数据传输通道。
10kV光伏电站本体需配置配电自动化终端监控系统,具备与电网调度机构进行双向通信的能 力,能够实现远程监测和控制功能,应能接收、执行调度端远方控制解/并列、启停和发电功率的 指令,具备群调群控及远动功能,有关光伏电站本体信息的采集、处理采用监控系统来完成,具 备符合相关标准通信协议的远传功能。光伏电站配电自动化终端监控系统实时采集并网运行信息, 主要包括主断路器状态、并网点开关状态(具备遥控功能)、并网点电压和电流、光伏发电系统 有功功率和无功功率、光伏发电量、频率等,上传至市供电公司配网自动化系统主站,再由市供电公司调度中心将数据下发至县调,当调度端对分布式电源有功功率和无功电压有控制 要求时,就地监控系统应能够接收和执行上级调度主站系统的控制命令。
站内对时方式:分布式电源10kV接入时,应能够实现对时功能,可采用北斗对时方式、GPS对时方式或网络对时方式。
根据Q/GDW10347-2016《电能计量装置通用设计规范》规定,运营模式为自发自用余电上网 的分布式电源应采用三点计量法,本项目需设置关口计量电能表、并网电能表、自用电计量电能表:并网电能表,用于光伏发电计费补偿;关口计量电能表,用于用户与电网间的上、下网电量计量及余电上网的计费;自用电计量电能表,用于计量用电客户自用电量,具体见项目方案原则电气主接线示意图。
1.安装位置与要求
在丰山第一开闭所904开关、丰山第三开闭所924开关、10kV顶丰Ⅱ回955线路新城支线非15杆各新增某重工企业的下网关口计量表一个,共新增三个关口计量表。
将某重工企业原有下网关口计量表,视为用于计量用电客户自用电量计量表。
在某重工企业1#光伏开关室10kV并网点911开关;2#光伏开关室10kV 并网点911开关;3#光伏开关室10kV并网点911开关,3个并网点分别设置并网电能表,用于 光伏发电计费补偿。
2.技术要求
(1)电能计量装置的配置和技术要求应符合DL/T 448和DU/T 614的要求。电能表采用智能电能表,至少应具备双向有功和四象限无功计量功能、事件记录功能,配有标准通信接口,具备本地通信和通过电能信息采集终端远程通信的功能,电能表通信协议符合DL/T 645。(根据结算精度要求,必要时应具备698通讯协议)。
(2)10kV关口计量电能表精度要求不低于0.5S级,并且要求有关电流互感器、电压互感器的精 度需分别达到0.2S、0.2级。计量用互感器的二次计量绕组应专用,不得接入与电能计量无关的设备。
(3)电能计量装置应配置专用的整体式电能计量柜(箱),电流、电压互感器宜在一个柜内,
(4)并网点计量柜安装专变采集终端,将信息传输到用电信息采集系统,应按照《福建省电力 有限公司专变采集终端安装规范》(营计〔2011〕86号)中的有关规定设计。
(5)光伏并网计量点应加一面计量屏,且都要有独立的负控小室和计量小室;需各增加一组负 控独立的电压电流互感器,计量装置等级应与计量CT、PT一样。
3.计量信息统计与传输
计费表采集信息通过专变采集终端接入计费主站系统(电费计量信息)和光伏发电管理部门 *电能信息采集系统(电价补偿计量信息),作为电费计量和电价补贴依据;各表计信息统一汇集至计量终端服务器。关口点电能计量装置应满足《电能计量装置技 术管理规程》(DL/T448-2016)要求,关口电能计量装置的设计方案、施工图须经漳州供电公司 电能计量专业审查合格后方可实施。
根据Q/GDW10651—2015《电能质量评估技术导则》的相关要求;通过10(6 kV~35kV电压等级并网的变流器类型电源应在公共连接点装设满足GB/T19862要求的*级电能质量在线监测装置,以满足接入福建电网电能质量监测子站通信机的接入规范,对电压、频率、谐 波、功率因数等电能质量参数进行监测,电能质量监测数据应至少保存一年。本项目在丰山第一 开闭所904开关、丰山第三开闭所924开关、10kV顶丰Ⅱ回955线路新城支线#15杆、某重工企业光伏开关站3个并网点处分别装设一套电能质量在线监测装置。本项目应在并网前向县供电公司提供由具备相应资质的机构出具的电能质量在线监测设备检测报告。
光伏电站应满足《国网福建电力做好中低压分布式电源接入系统优质服务指导意见》(闽电发展〔2022〕381号)有关电能质量要求的规定,当接入配电网的分布式电源导致公共连接点 电能质量不满足相关要求时,运营管理方应在规定时间内采取改善电能质量措施,未采取治理措 施或采取改善措施后电能质量仍无法满足要求时,电网运营管理部门采取断开该分布式电源管控措施,直至电能质量满足要求时方可重新并网。
通过10KV电压等级并网的分布式电源,应具备低电压穿越能力和高电压穿越能力,高低 电压穿越的考核曲线应满足现行技术规范要求。
通过10(6)kV~35kV电压等级并网的分布式电源,应在并网运行后6个月内向县供电公司提供运行特性检测报告,检测结果应符合Q/GDW10651—2015《电能质量评估技术导则》的相 关要求。分布式电源接入电网的检测点为电源并网点,应由具有相应资质的单位或部门进行检测,并在检测前将检测方案报县供电公司调控中心备案。
在新(扩)建谐波源用户投运后,县供电公司营销部组织对用户谐波进行测试。如发现评估不超标而实测超标的用户,县供电公司营销部应对该用户下发谐波整改通知,及时落实用户谐波治理措施。
根据能监局36号文及国家电网公司二次安防要求,配电自动化通道需要加装安全防护设备。本工程应配置1.台纵向加密认证装置,且在电力监控系统投运前应通过具有国家认证许可的 安全评估机构进行安全评估工作,并向县调提交安全评估测评报告。
业主单位需内部集控信息进行远程监视时,不得与传送上级调度单位共用传输设备,不得使用相同的传送规约和端口。
表3 我司提供方案设备列表
设备名称 | 型号 | 数量 | 功能 |
本地监控屏(1面) | Acrel-1000DP分布式光伏监控主机 | 1 | 集中采集、监视、管理站内二次设备、逆变器数据与运行状态 |
时钟同步及通信屏 | ATS1200GB装置 | 1 | 获取GPS与BD双时钟数据,为站内设备、系统提供对时功能。 |
ANet-2E4SM | 2 | 光伏电站内数据采集及上传平台 | |
S1224F交换机 | 1 | 站内通信组网 | |
安全自动装置屏 | AM5SE-K公用测控装置 | 1 | 采集站内二次设备的异常信号 |
AM5SE-IS防孤岛保护 | 1 | 当发生孤岛现象时,可以快速切除并网点, 使本地与电网侧快速脱离,保证电站和相关因为人员安全 | |
APView500电能质量在线监测装置 | 1 | 采集监测谐波分析、电压暂升/暂降/中断、闪变监测、电压不平衡度、事件记录、测量控制 | |
AM6-A1故障解列装置 | 1 | 适用于110kV以下电压等级的负荷侧或小电源侧的故障解列 | |
远动通讯屏 | 无线路由器 | 1 | 建立5G无线专用通道方式,通过光伏纵向加密上传到调度主站 |
纵向加密认证装置 | 2 | 用于电力控制系统安全区 I/II的广域网边界保护,为网关机之间的广域网通信提供具有认证、与加密功能的 VPN,实现数据传输的机密性、完整性保护 | |
正向隔离装置 | 1 | 用于安全区 I/II 到安全区III 的单向数据传递。 | |
网络交换机 | 2 | 远东装置与群调群控数据上传调度通信组网 | |
ANet-2E4SM远动装置 | 1 | 104协议经专网上传光伏电站数据至供电公司调度中心 | |
IPC500-II群调群控 | 1 | 采集光伏发电系统有功功率和无功功率、光伏发电量、频率等数据,上传至市供电公司调度平台,同时接受调度端对分布式电源有功功率调节控制 | |
直流电源屏(3套) | GZDWJM-40/220-M | 1 | 每个配电房1套,(带蓄电池)和UPS电源 |
图6 3#光伏电站屏柜布置图
图7 3#光伏电站监控主机与远动通讯屏柜布置图
图8 3#光伏电站公用测控屏、通信及时钟同步屏柜布置图
Acrel-1000DP分布式光伏监控系统人机界面友好,能够以配电一次图的形式直观显示配电线路的运行状态,实时监测各回路电压、电流、功率、功率因数等电参数信息,动态监视各配电回路断路器、隔离开关、地刀等合、分闸状态及有关故障、告警等信号。同时可以设计整体界面,供用户选择对应配电房对应光伏组件或高压部分进行查看。
图9 实时监测主界面图
在逆变器监控图中,可以直接查看该回路详逆变器的交直流两侧电压电流情况、输入功率、输出功率、逆变器的温度等信息。并根据项目光伏发电实际接入情况,分开查看对应光伏逆变器组件数据。
图10 逆变器监视界面图
系统支持实时监视接入系统的各设备的通信状态,能够完整的显示整个系统网络结构;可在线诊断设备通信状态,发生网络异常时能自动在界面上显示故障设备或元件及其故障部位。
图11 站内设备系统网络拓扑图
在曲线查询界面可以直接查看各电参量曲线,包括三相电流、三相电压、有功功率、无功功率、功率因数等曲线。
图12 曲线查询界面图
在“双碳"背景下,随着分布式新能源的广泛建设,高渗透率分布式光伏接入配电网后势必产生的电压问题,因此在促进分布式光伏并网过程中需要一套安全可靠的分布式光伏监控系统解决方案,为用户、电网助力分布式光伏高比例有序并网,强化分布式光伏的统一管控,推动分布式光伏和大电网的协调运行,搭建数据透明、调控便捷、能源互动的新型分布式新能源调度管理体系。
参考文献
[1] 分布式光伏并网方式及数据采集与控制的方式综述[J].田由甲.农村电气化,2023,No.431(04)
[2] 中国分布式光伏并网发电现状及应用研究[J]. 许建峰;曹庆仁.能源与节能,2020(06)
[3] 分布式光伏并网问题分析与建议[J]. 裴哲义;丁杰;.中国电力,2018(10)
[4] 中国分布式光伏并网发电现状及应用研究[J]. 许建峰;曹庆仁.能源与节能,2020(06)
上一篇:高速公路综合能效系统在广西某高速路段项目的应用