
产品分类
更新时间:2024-12-11
浏览次数:349胡冠楠
开云网页版登录入口电气股份有限公司 上海嘉定
摘 要:公路作为我国交通基础设施重要的组成部分,仍然在中国的综合交通运输体系中占据主要地位,高速公路行业呈现出稳步发展的态势。高速公路产业正加速向智慧化、绿色化转型,通过大数据、物联网等新技术提升运营效率和服务质量。尽管高速公路产业发展迅速,但仍面临一些挑战。各类配电房和机电设备的增加,使供电可靠要求更高,设计一套包括电力监控、电能计量、电能质量治理、能耗分析、电气安全、运维巡检管理等技术服务的一体化能源管理系统,能有效降低工作人员劳动强度、提供工作效率、避免人为事故发生、有序保证高速公路可靠运行的供配电系统远程控制及运维管理平台尤为重要。
关键词:高速公路;信息化;电力监控;电气安全
1 概述
巴马至凭祥高速公路大新经龙州至凭祥段,起点位于天等县小山乡贺屯村附近,顺接巴马至凭祥公路田东经天等至大新段终点,路线全长 146.129km。全线采用设计速度100公里/小时的高速公路标准,路基宽度26米(双向四车道)。桥梁总长度15233.5m/50座:其中特大桥4069m/4 座,大中桥10369m/34 座,小桥794.4m/12座。隧道共设置27157.5m/40 座:其中长隧道12316m/9 座,中隧道10383.5m/16 座,短隧道4458m/15座,桥隧比占路线总里程长度的29.01%。设置互通式立体交叉 8 处(枢纽互通 3 处、一般互通 5 处),服务区 3 处,养护工区 2 处,监控分中心 2 处,隧道管理所 1 处。
2 项目方案
2.1项目需求
电力监控功能要求
数据采集功能:能够通过智能设备进行通信对所有的模拟量、开关量、脉冲量进行实时和定时数据采集,所有的电量均采用交流直接采样,保证测量的高精度和同时性。定时数据可根据设定的时间间隔自动转存于硬盘,作为历史记录存档。
数据处理功能:能对模拟量进行合理性校验、上下限比较等。对开关量进行实时扫描,分滑率≤1ms,对开关变位作事件记录输出并告警,对重要历史数据进行处理并存盘。
事件记录与报警功能:当出现开关事故变位,透测越限、保护动作和其它报警信号时,系统能发出音响提示,并自动推出报警面面。报警需经操作员确认后方能手动复位,报警音响能根据报警等级发出不同的音响提示。报警事件记录入篮控系统数据库。
图形显示功能:能通过导航缩放功能显示本厂所有供电系统的网络图,动态刷新显示配电系统和各变电所主接线图、系统和保护测控装置配置图,主接线图上能实时显示各开关运行状志、在线运行参数等,并且能显示各种曲线、棒图等功能。
2.2产品需求
1)ANet通讯管理机
具有 2 个 10/100M 网口、8 个高速串行口(包括 RS232、 RS485)
具有多种通信规约,包括 MQTT规约、IEC103\104 协议、IEC 61850协议、MODBUS协议等。
2)AM4保护装置
高压系统设置微机综合保护测控装置,对 10kV 进出线、母线分段、变压器组等回路进行继电保护和运行测控。电力监控系统与微机保护测控装置进行通信实时监测各进线、出线的运行状态。
10kV 进线出线:设置微机保护测控装置,可实现就地、远动的保护、测控功能。
10kV 母线分段:设置带 BZT 功能的微机保护测控装置,可实现就地、远动的保护、测控功能。
变压器:设置微机变压器保护测控装置,可实现就地、远动的保护、测控功能,电力监控通过干变内部预先埋设的温度传感器和相应的智能温控仪对干变的温度信号、超温报警、变压器风机工作状态等变压器运行状态进行监测。
高压 PT:设置微机综合 PT 测控装置,实现 PT 的电压监测等功能。
至少具有8路模拟量通道,至少12路交直流两用、110V/220V自适应的开关量输入。至少5路开关量输出;所有接口资源均支持图形化可编程、任意配置。至少具有1个RS485通信接口。
2)补偿/滤波控制器
电容补偿:无功补偿+滤波柜控制器接入智能通信管理机,通过电力监控主机显示其运行状态,各种参数在当地显示。
4)AMC多功能数字式电表
进线回路:0.4KV 配电柜进线单元和发电机进线柜、联络开关柜等,对相应回路均配置一台智能多功能电力监控仪表,监测其有功 P、无功 Q、三相电压 U、三相电流 I、功率因数 COSΦ;监视开关位置信号、回路分合闸状态、故障脱扣信号等;并对进线开关(低压断路器含电操等自动机构)进行远程分合闸控制。
出线回路:对 0.4KV 低压开关柜的每一回出线回路,均配置一台智能三相电力监控仪表,监测该回路的电压、电流、有功、无功、电度并在当地显示,随时了解供电回路的负荷情况;并监视开关位置信号、回路分合闸状态等。
电气火灾监控系统要求能够探测电气线路中的剩余电流、异常温升、故障电弧、过流和过压等电气故障异常状态,当超过限定值时发出报警信号,显示并记录其故障状态。
电气火灾监控系统应具备与图形显示装置接入功能,实时传送监控信息,显示监控数值和报警部位。
电气火灾监控系统应具备方便的区域化管理,集中管理,操作及维护。
电气火灾监控系统不应断开主回路而影响供电的连续性。
2.3产品上图方案
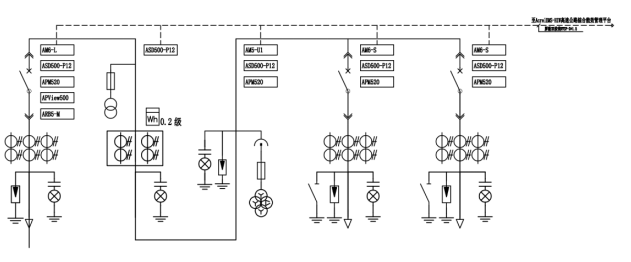
本工程10kV/0.4kV配电工程共有92个变电所,以大凭隧道变电所为例,上图方案如下:

图1大屏隧道10kV上图方案
图2大屏隧道0.4kV上图方案
2.4产品明细
整个高速公路项目共有92个变电所,其中大新至凭祥段38个变电所,天等至大新段54个变电所,变电所所设产品类型及数量如下:

3 系统需求
为实时监视整个配电室的运行以及数据采集,该项目配置一套AcrelEMS-HIW高速公路综合能效系统,主要实现对新晋高速公路各个变电所的用电监控与管理。监控范围为变电所的微机保护装置、电能表、变压器温控仪、EPS、UPS、无功补偿、发电机控制屏、智能照明和电气火灾监控等。本系统由用户管理层、网络通信层、现场设备层三部分组成,现场设置的电能表采用屏蔽双绞线连接至各分区数据采集器,各分区数据采集器将数据分类处理后,通过网线连接至局域网交换机上传至电力监控系统主机,实现电力监控功能。
图3 系统架构图
AcrelEMS-HIW高速公路综合能效系统可实现的功能如下:
1)电力综合看板:可查看整个平台的一个概况,包括变电站数量、变电站分布位置;变压器数量、总装机容量,统计出的整个系统当前的总功率和当日的总用电,也可监测网关、仪表的运行状态;展示了接入的光伏站点的信息,包括发电功率和当日发电量;还有运维任务的情况,代*在办、办毕的个数,统计出任务完成率;报警情况统计,统计出报警程度的分布情况,新报警滚动显示,平台当月每天的报警数量统计。
2)全路段监控:沿途数十几个配电房绘制在一张K线图里面,点击每个站跳转相关配电图画面显示,使整条高速公路的配电系统一图掌握。
图4 K线图界面
3)实时监测:以配电一次图的形式直观显示配电线路的运行状态,可以实时监测各回路电压、电流、功率、功率因数等电参数信息,动态监视各配电回路断路器、隔离开关、地刀等合、分闸状态。
图5 隧道10kV配电监测界面

图6 隧道.0.4kV配电监测界面
4)电参量查询:在配电一次图中,可以直接查看该回路详细电参量,包括三相电流、三相电压、总有功功率、总无功功率、总功率因数、正向有功电能等。
5)运行报表: 查询各回路或设备时间的运行参数,报表中显示电参量信息应包括:各相电流、三相电压、总功率因数、总有功功率、总无功功率、正向有功电能等,报表格式有日报表、月报表、年报表等。
图7 运行报表界面
6)实时告警:能够对配电回路断路器、隔离开关、接地刀分、合动作等遥信变位,保护动作、事故跳闸等事件发出告警。
7)历史事件查询:能够对遥信变位,保护动作、事故跳闸,以及电压、电流、功率、功率因数越限等事件记录进行存储和管理,方便用户对系统事件和报警信息进行历史追溯,查询统计、事故分析。
10)事故追忆:能够自动记录事故时刻前后一段时间的所有实时稳态信息,包括开关位置、 保护动作状态、遥测量等,形成事故分析的数据基础。
11)曲线查询:能够查询实时曲线和历史曲线,包括三相电流、三相电压、有功功率、无功功率、功率因数等所有遥测量。
12)用户权限管理:设置了用户权限管理功能,通过用户权限管理能够防止未经授权的操作(如遥控的操作,数据库修改等)。系统可以定义不同操作权限的权限组(如管理员组、工程师组、操作员组等),在每个权限组里分配不同用户,为系统运行、维护、管理提供可靠的安全保障。
13)电气火灾监测:针对低压用电环节各回路中的剩余电流、温度和故障电弧等进行实施监测;为低压用电环节的安全性,当剩余电流越*时报警输出,以提醒维护人员进行安全检查,防止因漏电引起的火灾发生,实现对高速公路电气安全预警。
图8 电气火灾监测界面图
14)智能照明控制:可按季节对相应回路设定定时合闸定时分闸操作,实现自动化控制。
图9 智能照明控制界面图
15)遥控功能:根据电力规程要求,可以对整个配电系统范围内的设备进行远程遥控操作。
16)通信管理:可以对整个配电系统范围内的设备通信情况进行管理、控制、数据的实时监测。
5 现场安装图片
本项目微机保护就地分散安装在各个高压开关柜上,保护装置、电气火灾监测装置以及电能表现场安装如下图所示。


图10 微机保护、仪表、电气火灾装置在大凭高速公路配电工程现场安装图片
6 结语
AcrelEMS-HIM高速公路综合能效管理系统对高速公路沿线隧道、服务区、收费站和箱变等变电所的配电设备、发电机、变压器 、UPS、EPS 、照明、通风及排水等机电设备进行实时分布式监控和集中管理 , 确保高速公路安全畅通, 提高自动化管理水平, 降低机电设备的运行维护成本。运营维护人员能通过系统及时发现电气安全隐患及电气故障,并能够对场区用电数据进行报表及统计。有效降低工作人员劳动强度、提高工作效率、避免人为事故发生、有序保证高速公路可靠运行。
参考文献
[1] 开云网页版登录入口企业微电网设计与应用手册.2020.6月版
[2] 开云网页版登录入口35KV以及下变电所智能配电系统设计与产品二次原理图集.2020.10月版
[3] 开云网页版登录入口用户变电站综合自动化与运维解决方案.2020.5月版