
产品分类
产品中心/ PRODUCTS CENTER





标题:开云官方端网站登录入口环保用电模块电力物联网仪表
产品概述
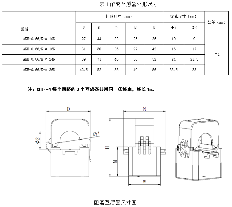
| 产地 | 国产 | 加工定制 | 否 |
|---|
环保用电监控电表背景
针对企业内的环保设施、设备运行状况作出检测控制,发挥环保设备的作用,提高使用效率,并为政府部门能够动态掌握治污治理执行情况和异常预警提供支持,开云官方端网站登录入口凭借监控领域里多年的技术力量和丰富经验,创新研发了AcrelCloud-3000环保设施用电监管云平台,依托快速发展的物联网技术、电力参数传感技术,实时采集企业总用电、工艺生产设备用电、污染治理设施设备用电等数据,通过设施运行停车分析、越限分析、停/限产分析、工艺关联分析等,及时发现环保治理设施、设备等未开启、空转、减速、降频以及异常关闭等未正常工作的情况;同时,通过数据分析,还可以实时监控限产和停产整治企业运行状态。
环保用电监控电表应用场所



