
产品分类
产品中心/ PRODUCTS CENTER





标题:开云官方端网站登录入口多功能网络电力仪表2-63次谐波0.5S级
产品概述
| 品牌 | Acrel/开云官方端网站登录入口 | 外形尺寸 | 96*96mm |
|---|---|---|---|
| 开口尺寸 | 92*92mm | 绝缘电阻 | 输入输出端对机壳>100MΩ |
| 工作环境 | -25~+55℃ | 应用范围 | 智能配电柜 |
| 产地 | 国产 | 加工定制 | 否 |
多功能电能质量监测仪表 精度0.5S 2-63次谐波产品功能:
APM系列网络电力仪表按IEC标准设计,具有全电量测量,电能统计,电能质量分析及网络通讯等功能,主要用于对电网供电质量的综合监控诊断及电能管理。该系列仪表采用了模块化设计,当客户需要增加开关量输入输出,模拟量输入输出,SD卡记录,以太网通讯时,只需在背部插入对应模块即可。
电能质量监测仪表2-63次谐波精度0.5S产品订货范例:
具体型号:APM810
通讯协议:RS485接口 Modbus/RTU协议
辅助电源:AC/DC220V
技术要求:输入相电压AC220V;输入电流比200A/5A;接线方式三相四线;准确度0.5S级
通讯协议:RS485接口 Modbus/RTU协议
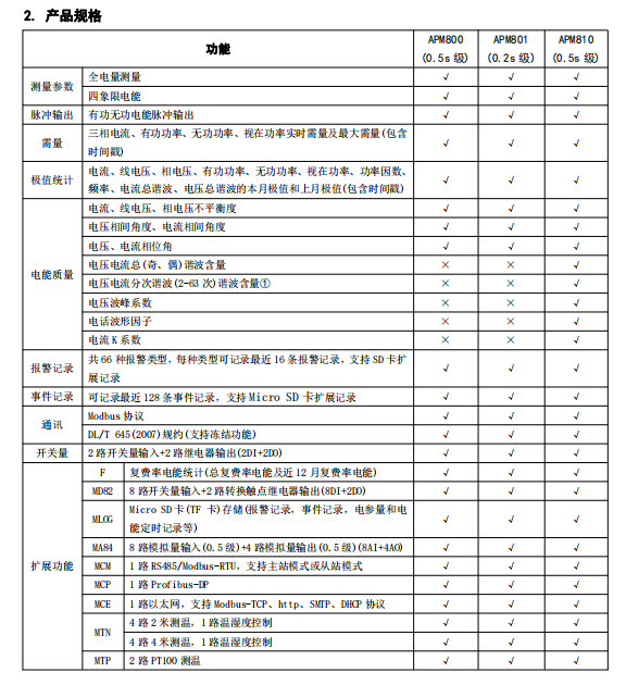
产品规格


技术参数

安装尺寸

开云官方端网站登录入口能效管理系统包括变电所电力运维云平台、智慧安全用电管理云平台、环保用电监管云平台、预付费管理云平台、智能变配电监控系统、电能质量治理系统、建筑能耗管理系统、工业能源管控平台、漏电火灾监控系统、消防设备电源监控系统、防火门监控系统、应急照明和疏散指示系统、汽车/电瓶车充电桩收费管理系统、数据中心动环监控系统、智能照明控制系统、IT配电绝缘监测系统等及相关产品。